Каталог запасных частей к технике: АЗЛК Москвич 412. Блок и гильзы цилиндров двигателя
1
1
2
2
2
3
3
3
4
4
4
5
6
7
7
8
9
10
11
12
13
14
14
14
15
16
16
17
18
19
19
20
21
22
22
23
23
23
23
23
24
25
25
26
27
28
29
30
30
31
32
32
33
34
35
36
37
38
38
39
39
41
41
42
42
43
43
44
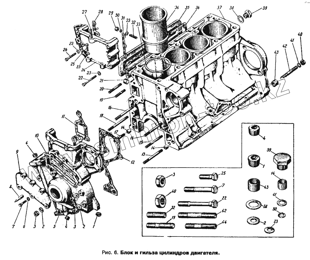
| Позиция на иллюстрации | Заводской номер детали | Название детали | |
|---|---|---|---|
| 412-1002068 | 412-1002068 | Кольцо масляного канала, уплотнительное | |
| 1 | 367104-П | Заглушка | |
| 2 | 252005-П29 | Шайба | |
| 3 | 250511-П29 | Гайка | |
| 4 | 367103-П | Заглушка | |
| 5 | 412-1002058-Б | Крышка распределительных звездочек в сборе, нижняя | |
| 6 | 252004-П29 | Шайба | |
| 7 | 201422-П29 | Болт | |
| 8 | 361891-П29 | Штифт установки зажигания | |
| 9 | 412-1002073-Б | Крышка водяного канала нижней крышки распределительных звездочек | |
| 10 | 412-1002074-Б | Прокладка крышки водяного канала | |
| 11 | 412-1002064-Б | Прокладка нижней крышки распределительных звездочек, правая | |
| 12 | 412-1002063 | Прокладка нижней крышки распределительных звездочек, левая | |
| 13 | 363069-П29 | Шпилька крепления нижней крышки распределительных звездочек к блоку цилиндров | |
| 14 | 361980-П | Штифт трубчатый установочный | |
| 15 | 363067-П29 | Шпилька крепления нижней крышки распределительных звездочек к блоку цилиндров | |
| 16 | 363068-П29 | Шпилька крепления нижней крышки распределительных звездочек к блоку цилиндров | |
| 17 | 363065-П29 | Шпилька | |
| 18 | 363070-П29 | Шпилька | |
| 19 | 363076-П29 | Шпилька | |
| 20 | 363066-П29 | Шпилька крепления нижней крышки распределительных звездочек к блоку цилиндров | |
| 21 | 367103-П | Заглушка | |
| 22 | 200221-П29 | Болт крепления верхней крышки к головке блока | |
| 23 | 252004-П29 | Шайба | |
| 24 | 412-1002052 | Крышка распределительных звездочек верхняя в сборе | |
| 25 | 201424-П29 | Болт крепления верхней и нижней крышек | |
| 26 | 201432-П29 | Болт крепления верхней крышки к головке блока | |
| 27 | 363077-П29 | Шпилька крепления крышки клапанного механизма к головке блока цилиндров | |
| 28 | 412-1002056 | Прокладка верхней крышки правая | |
| 29 | 250508-П29 | Гайка | |
| 30 | 252134-П29 | Шайба пружинная | |
| 31 | 412-1002055 | Прокладка верхней крышки левая | |
| 32 | 363082-П29 | Шпилька крепления крышки люка водяной рубашки к блоку цилиндров | |
| 33 | 412-1002024 | Прокладка гильзы цилиндра | |
| 34 | 412-1002020-А1 | Гильза цилиндра | |
| 35 | 412-1002084 | Крышка люка водяной рубашки блока цилиндров | |
| 36 | 412-1002085 | Прокладка крышки люка водяной рубашки | |
| 37 | 412-1002010-В | Блок цилиндров в сборе | |
| 38 | 365104-П | Шайба заглушки главной масляной магистрали (канала) | |
| 39 | 367101-П | Заглушка (резьбовая пробка) главной масляной магистрали (канала) | |
| 41 | 252136-П29 | Шайба пружинная | |
| 42 | 363131-П29 | Шпилька крепления картера | |
| 43 | 361981-П2 | Штифт установочный | |
| 44 | 363064-П29 | Шпилька крепления нижней крышки распределительных звездочек к блоку цилиндров |
Содержащиеся в справочниках-каталогах запасные части и детали не предлагаются к продаже, а носят исключительно информационный характер