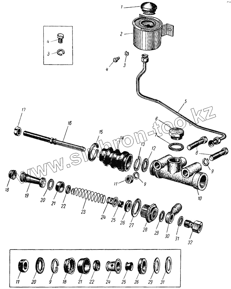
Каталог запасных частей к технике: АЗЛК Москвич-407. Главный тормозной цилиндр
1
2
3
3
4
4
5
6
7
8
9
9
9
10
11
11
12
13
14
15
16
17
18
18
19
20
20
21
21
22
22
23
24
24
25
25
26
26
27
28
29
29
30
31
31
32
| Позиция на иллюстрации | Заводской номер детали | Название детали | |
|---|---|---|---|
| 402-3505020 | 402-3505020 | Клапан главного цилиндра тормоза в сборе | |
| 402-3505100-А | 402-3505100-А | Бачок главного цилиндра с пробкой в сборе | |
| 402-3505011 | 402-3505011 | Цилиндр тормоза главный в сборе без защитного колпака | |
| 402-3505010 | 402-3505010 | Цилиндр тормоза главный в сборе | |
| 402-3505031 | 402-3505031 | Пружина поршня главного цилиндра в сборе возвратная | |
| 402-3505П8-Б | 402-3505П8-Б | Пробка бачка главного цилиндра | |
| 402-3505028 | 402-3505028 | Поршень главного цилиндра в сборе | |
| 402-3505114 | 402-3505114 | Отражатель пробки бачка главного цилиндра в сборе | |
| 1 | 402-3505118 | Пробка бачка главного цилиндра | |
| 2 | 402-3505105-Б | Бачок главного цилиндра в сборе | |
| 3 | 252134-П2 | Шайба пружинная | |
| 4 | 201416-П8 | Болт держателя | |
| 5 | 402-3505140 | Трубка от бачка к главному цилиндру в сборе | |
| 6 | 402-3505054 | Пробка корпуса главного цилиндра | |
| 7 | 365127-П | Шайба специальная | |
| 8 | 200333-П2 | Болт крепления картера рулевого механизма длинный | |
| 9 | 252136-П2 | Шайба пружинная | |
| 10 | 402-3505015-Г | Корпус главного цилиндра | |
| 11 | 250512-П2 | Гайка | |
| 12 | 400-3505048 | Шайба упорная поршня главного цилиндра тормоза | |
| 13 | 400-3505038 | Кольцо стопорное упорной шайбы поршня главного цилиндра тормоза | |
| 14 | 400-3505065 | Колпак защитный главного цилиндра тормоза | |
| 15 | 400-3505068 | Кольцо стяжное защитного колпака главного цилиндра тормоза | |
| 16 | 402-3505060 | Толкатель поршня главного цилиндра | |
| 17 | 250512-П2 | Гайка | |
| 18 | 402-3505033 | Манжета поршня главного цилиндра уплотнительная наружная | |
| 19 | 402-3505029 | Поршень главного цилиндра | |
| 20 | 402-3505030 | Клапан поршня главного цилиндра тормоза | |
| 21 | 402-3505035 | Манжета уплотнительная | |
| 22 | 402-3505037 | Держатель возвратной пружины поршня главного цилиндра привода выключения сцепления | |
| 23 | 402-3505032 | Пружина поршня главного цилиндра возвратная | |
| 24 | 402-3505026 | Обойма клапана главного цилиндра тормоза | |
| 25 | 402-3505027-А | Клапан главного цилиндра тормоза | |
| 26 | 402-3505023 | Кольцо клапана главного цилиндра упорное | |
| 27 | 402-3505018 | Прокладка штуцера главного цилиндра привода выключения сцепления | |
| 28 | 402-3505017-Б1 | Штуцер главного цилиндра | |
| 29 | 365112-П | Шайба уплотнительная под болт 400-3506014 | |
| 30 | 402-3506011 | Муфта трубки от главного цилиндра к передним тормозам | |
| 31 | 365113-П | Шайба уплотнительная тройника главного цилиндра тормоза | |
| 32 | 367624-П8 | Ниппель трубки от гибкого шланга к бензиновому насосу |
Содержащиеся в справочниках-каталогах запасные части и детали не предлагаются к продаже, а носят исключительно информационный характер