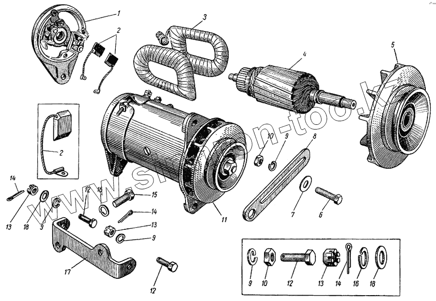
Каталог запасных частей к технике: АЗЛК Москвич-407. Генератор в сборе
1
2
2
3
4
5
6
7
8
9
9
9
9
9
10
10
11
11
12
12
12
13
13
13
14
14
14
15
16
16
17
18
18
| Позиция на иллюстрации | Заводской номер детали | Название детали | |
|---|---|---|---|
| Г29-3701041 | Г29-3701041 | Лента защитная | |
| Х5-20-08Д | Х5-20-08Д | Шайба уплотнительная заднего подшипника вала якоря | |
| МХ-0448 | МХ-0448 | Шайба уплотнительная переднего подшипника вала якоря | |
| Г29-3701303 | Г29-3701303 | Щеткодержатель | |
| Г12-3701105 | Г12-3701105 | Втулка выводов генератора изоляционная | |
| 1 | Г22-3701300 | Крышка со стороны коллектора в сборе | |
| 2 | Г29-3701020 | Щетка в сборе | |
| 3 | Г22-3701110 | Катушка возбуждения в сборе | |
| 4 | Г22-3701200 | Якорь в сборе | |
| 5 | Г22-3701051 | Шкив вала якоря | |
| 6 | 201459-П2 | Болт крепления отводящего патрубка водяной рубашки головки цилиндров | |
| 7 | 262038-П2 | Шайба | |
| 8 | 402-3701635-А | Планка установочная генератора | |
| 9 | 252135-П2 | Шайба пружинная | |
| 9 | 252135-П2 | Шайба пружинная | |
| 10 | 250765-П2 | Гайка | |
| 11 | 402-3701010 | Генератор в сборе | |
| 11 | Г22-3701000 | Генератор в сборе | |
| 12 | 205422-П8 | Болт крепления генератора к кронштейну | |
| 13 | 250867-П8 | Гайка корончатая | |
| 14 | 258025-П | Шплинт разводной | |
| 15 | 201496-П15 | Болт крепления пластины к блоку большой | |
| 16 | 252136-П2 | Шайба пружинная | |
| 17 | 402-3701630 | Кронштейн крепления генератора | |
| 18 | 252005-П8 | Шайба |
Содержащиеся в справочниках-каталогах запасные части и детали не предлагаются к продаже, а носят исключительно информационный характер