Каталог запасных частей к технике: АЗЛК Москвич-400-420. Вал распределительный. Клапаны и толкатели
1
2
3
4
5
6
7
8
8
9
10
11
11
12
13
14
15
16
17
18
19
20
21
22
23
24
25
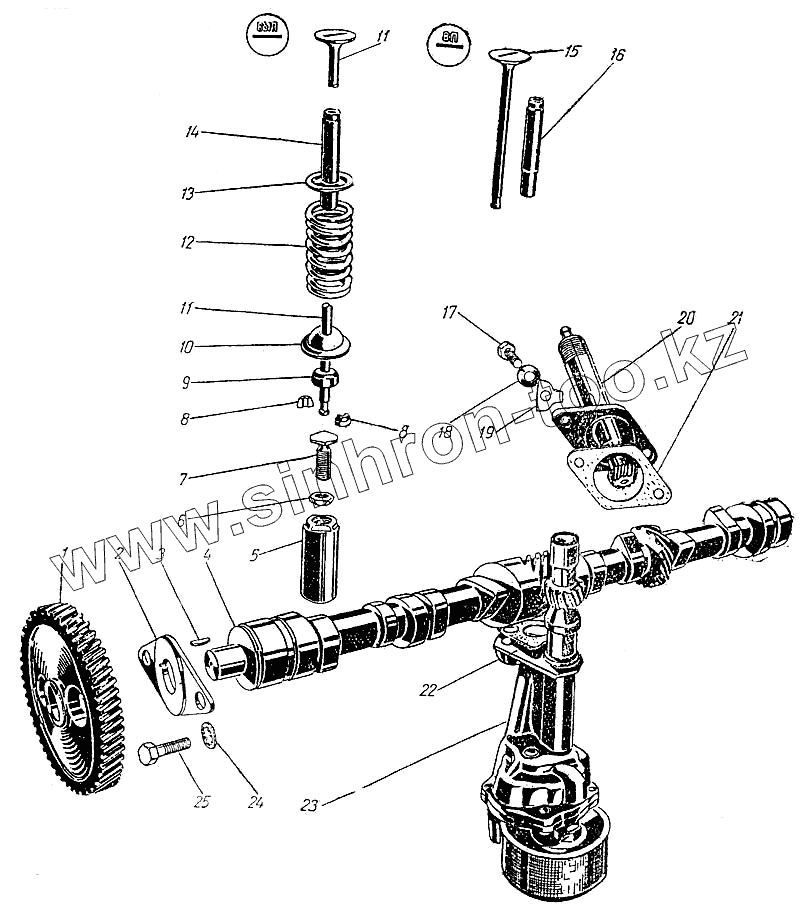
| Позиция на иллюстрации | Заводской номер детали | Название детали | |
|---|---|---|---|
| 400-1007045 | 400-1007045 | Толкатель клапана в сборе | |
| 400-1007045-БР | 400-1007045-БР | Толкатель клапана в сборе, увеличенный на 0,127 мм | |
| 400-1007045-ВР | 400-1007045-ВР | Толкатель клапана в сборе, увеличенный на 0,250 мм | |
| 400-1007055-БР | 400-1007055-БР | Толкатель клапана, увеличенный на 0,127 мм | |
| 400-1007055-ВР | 400-1007055-ВР | Толкатель клапана, увеличенный на 0,250 мм | |
| 400-1006010 | 400-1006010 | Вал распределительный в сборе | |
| 1 | 400-1006020 | Шестерня распределительного вала | |
| 2 | 400-1006018 | Фланец упорный распределительного вала | |
| 3 | 367065-П | Шпонка сегментная шестерни распределительного вала | |
| 4 | 400-1006015 | Вал распределительный | |
| 5 | 400-1007055 | Толкатель клапана (нормальный) | |
| 6 | 400-1007076 | Гайка регулировочного болта толкателя | |
| 7 | 400-1007075 | Болт регулировочный толкателя клапана | |
| 8 | 400-1007028 | Сухарь клапана | |
| 9 | 400-1007026 | Обойма сухаря клапана | |
| 10 | 400-1007024 | Тарелка пружины клапана | |
| 11 | 400-1007015 | Клапан выпускной | |
| 12 | 400-1007020 | Пружина клапана | |
| 13 | 400-1007030 | Шайба пружины клапана опорная | |
| 14 | 400-1007035 | Втулка выпускного клапана направляющая нормальная | |
| 15 | 400-1007010 | Клапан впускной | |
| 16 | 400-1007032 | Втулка впускного клапана направляющая нормальная | |
| 17 | 201457-П2 | Болт крепления крышки распределительных шестерен к блоку длинный | |
| 18 | 365018-П | Шайба специальная, плоская | |
| 19 | 365325-П2 | Шайба замковая болта крепления привода стеклоочистителя | |
| 20 | 420-5205075 | Привод стеклоочистителя в сборе | |
| 21 | 420-5205077 | Прокладка привода стеклоочистителя | |
| 22 | 400-1011080 | Прокладка корпуса масляного насоса к блоку | |
| 23 | 400-1011010-Б | Насос масляный в сборе | |
| 24 | 252175-П2 | Шайба пружинная плоская, с внутренним зубом | |
| 25 | 201455-П2 | Болт |
Содержащиеся в справочниках-каталогах запасные части и детали не предлагаются к продаже, а носят исключительно информационный характер