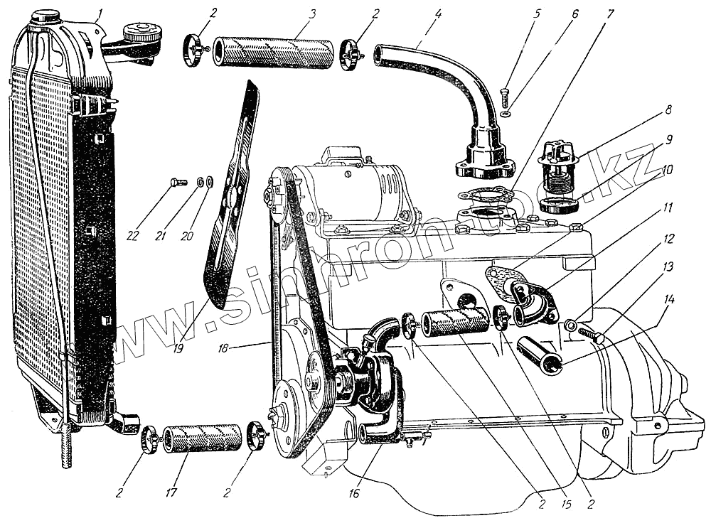
Каталог запасных частей к технике: АЗЛК Москвич-400-420. Трубопроводы и шланги
1
2
2
2
2
2
2
2
2
3
4
5
6
7
8
9
10
11
12
13
14
15
16
17
18
19
20
21
22
| Позиция на иллюстрации | Заводской номер детали | Название детали | |
|---|---|---|---|
| 1 | 400-1301008 | Радиатор с пробкой и каркасом в сборе | |
| 2 | 367040-П | Хомут отводящего шланга водяного насоса в сборе | |
| 2 | 367040-П | Хомут отводящего шланга водяного насоса в сборе | |
| 2 | 367040-П | Хомут отводящего шланга водяного насоса в сборе | |
| 3 | 400-1303026 | Шланг радиатора отводящий | |
| 4 | 400-1303040 | Патрубок отводящий водяной рубашки головки цилиндров в сборе | |
| 5 | 201459-П2 | Болт крепления отводящего патрубка водяной рубашки головки цилиндров | |
| 6 | 365018-П | Шайба специальная, плоская | |
| 7 | 400-1303045 | Прокладка отводящего патрубка водяной рубашки головки блока цилиндров | |
| 8 | 400-1306010-А2 | Термостат водяной в сборе | |
| 9 | 400-1306039 | Кольцо опорное водяного термостата | |
| 10 | 400-1303052 | Прокладка подводящего патрубка водяной рубашки блока цилиндров | |
| 11 | 400-1303050 | Патрубок подводящий водяной рубашки блока цилиндров | |
| 12 | 365016-П | Шайба | |
| 13 | 201497-П2 | Болт крепления скобы к лонжерону | |
| 14 | 400-1002030 | Труба водораспределительная водяной рубашки блока цилиндров в сборе | |
| 15 | 400-1303028 | Шланг водяного насоса отводящий | |
| 16 | 400-1307010-А | Насос водяной в сборе | |
| 17 | 400-1303010 | Шланг радиатора подводящий | |
| 18 | 400-1308020 | Ремень вентилятора | |
| 19 | 400-1308010 | Вентилятор в сборе | |
| 20 | 252004-П | Шайба | |
| 21 | 252134-П2 | Шайба пружинная | |
| 22 | 201418-П2 | Болт крепления кронштейна нижнего ролика стеклоподъемника |
Содержащиеся в справочниках-каталогах запасные части и детали не предлагаются к продаже, а носят исключительно информационный характер