Каталог запасных частей к технике: АЗЛК Москвич-2734. Стеклоочиститель и его привод
1
2
2
2
3
3
3
3
3
4
4
5
5
6
7
8
9
9
10
10
11
11
12
13
14
15
15
16
16
17
17
18
18
19
20
20
21
21
22
22
23
23
24
24
25
26
27
28
28
29
30
31
32
33
34
35
36
37
38
39
40
41
41
42
43
43
44
45
46
47
48
49
50
50
51
52
52
53
54
55
56
57
58
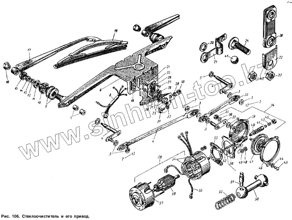
| Позиция на иллюстрации | Заводской номер детали | Название детали | |
|---|---|---|---|
| СЛ220-5205153-А | СЛ220-5205153-А | Накладка штуцера декоративная правая | |
| 408Э-5205038 | 408Э-5205038 | Накладка штуцера декоративная правая | |
| 408Э-5205014 | 408Э-5205014 | Электродвигатель с тягами в сборе | |
| 408-5205012-10 | 408-5205012-10 | Стеклоочиститель в сборе | |
| СЛ220-5205751 | СЛ220-5205751 | Щетка | |
| 1 | СЛ220-5205500-В | Тяга привода стеклоочистителя большая в сборе | |
| 2 | СЛ220-5205145 | Шплинт пружинный | |
| 3 | 458019 | Шайба 6,4 | |
| 4 | СЛ220-5205600-А | Поводок привода щетки в сборе | |
| 5 | 458003 | Шайба 7,1 | |
| 6 | Пучок проводов со штекерными колодками в | Пучок проводов со штекерными колодками в сборе | |
| 7 | СЛ220-5205322-Б | Подшипник ведомого валика поводка привода щетки | |
| 8 | СЛ220-5205315 | Кронштейн стеклоочистителя | |
| 9 | 408-5205041 | Прокладка уплотнительная | |
| 9 | 458235 | Прокладка уплотнительная | |
| 10 | 408Э-5205037 | Накладка штуцера декоративная левая | |
| 10 | СЛ220-5205152А | Накладка штуцера декоративная левая | |
| 11 | 408Э-5205040 | Гайка М16х1,5 | |
| 11 | 456044 | Гайка М16х1,5 | |
| 12 | 458003 | Шайба 7,1 | |
| 13 | СЛ220-5205157 | Кольцо пружинное | |
| 14 | 458256 | Шайба 6,5 | |
| 15 | 408-5205039 | Гайка сальника ведомого валика поводка привода стеклоочистителя в сборе | |
| 15 | СЛ220-5205160 | Гайка сальника ведомого валика поводка привода стеклоочистителя в сборе | |
| 16 | 408-5205042 | Гайка крепления рычага щетки к ведомому валику поводка привода стеклоочистителя | |
| 16 | СЛ220-5205162 | Гайка крепления рычага щетки к ведомому валику поводка привода стеклоочистителя | |
| 17 | 408-5205043 | Рычаг щетки стеклоочистителя с головкой в сборе | |
| 17 | СЛ220-5205700-А | Рычаг щетки с головкой в сборе | |
| 18 | 408-5205044-01 | Коромысло со щеткой в сборе | |
| 18 | СЛ220-5205650СБ | Коромысло со щеткой в сборе | |
| 19 | ПР502А-3722010-Э | Термобиметаллический предохранитель | |
| 20 | Н2420-63 | Шайба 6,4 плоская | |
| 21 | СЛ220-5205366 | Шина токопроводящая | |
| 22 | СЛ220-5205368 | Крышка узла сопротивления | |
| 23 | Гайка М4 | Гайка М4 | |
| 24 | 455134 | Винт М4х15 специальный | |
| 25 | СЛ220-5205361 | Пластина крепления сопротивления | |
| 26 | Шайба 4 пружинная | Шайба 4 пружинная | |
| 27 | 455085 | Винт М4х11,5 | |
| 28 | СЛ220-5205360 | Сопротивление в сборе | |
| 29 | 252134-29 | Болт М6х12 | |
| 30 | 250508-29 | Гайка | |
| 31 | 201417-29 | Болт М6х14 | |
| 32 | 252037-29 | Шайба 6 увеличенная | |
| 33 | СЛ220-5205550-В | Тяга привода стеклоочистителя малая в сборе | |
| 34 | СЛ220-5205250-А | Редуктор привода стеклоочистителя в сборе | |
| 35 | Гайка М6 | Гайка М6 | |
| 36 | Шайба 6 пружинная | Шайба 6 пружинная | |
| 37 | СЛ220-5205245-А | Кривошип редуктора | |
| 38 | 458094 | Шайба 9,5 | |
| 39 | СЛ220-5205210-А | Корпус редуктора с втулками в сборе | |
| 40 | СЛ220-5205201 | Червяк редуктора | |
| 41 | Ш-6Н | Шарик упорный червяка | |
| 42 | СЛ230-5205017 | Винт подпятника | |
| 43 | 456034 | Контргайка М12х1,25 | |
| 44 | Шайба 5 пружинная | Шайба 5 пружинная | |
| 45 | Винт М5х12 | Винт М5х12 | |
| 46 | СЛ220-5205101-А | Прокладка корпуса редуктора | |
| 47 | СЛ220-5205230-А | Шестерня редуктора ведомая в сборе | |
| 48 | Х-4003 | Гайка М5 | |
| 49 | Х-4001 | Шайба 5 пружинная | |
| 50 | СЛ220-5205110 | Кардан редуктора стеклоочистителя в сборе | |
| 51 | СЛ220-5205112 | Штифт кардана привода редуктора стеклоочистителя | |
| 52 | СЛ220-5205113 | Пружина кардана отжимная | |
| 53 | СЛ220-5205102 | Прокладка между корпусом редуктора и кожухом электродвигателя | |
| 54 | МЭ14-3730400-А | Кожух стартера с обмотками возбуждения в сборе | |
| 55 | МЭ 1-3730003 | Щетка с проводом в сборе | |
| 56 | МЭ14-3730200-А | Якорь электродвигателя в сборе | |
| 57 | МЭ 14-3730100-А | Крышка статора электродвигателя в сборе | |
| 58 | МЭ14Э-520 5009 -Г-Э | Электродвигатель привода |
Содержащиеся в справочниках-каталогах запасные части и детали не предлагаются к продаже, а носят исключительно информационный характер