Каталог запасных частей к технике: АЗЛК Москвич-2335. Сцепление
2141-1601954
1
2
3
4
4
5
5
6
7
8
8
8
8
9
9
10
10
11
11
12
13
14
15
15
16
16
16
17
17
18
18
19
19
20
20
21
22
22
23
23
24
24
25
25
26
26
27
27
28
28
29
30
30
31
32
33
34
35
35
36
36
36
36
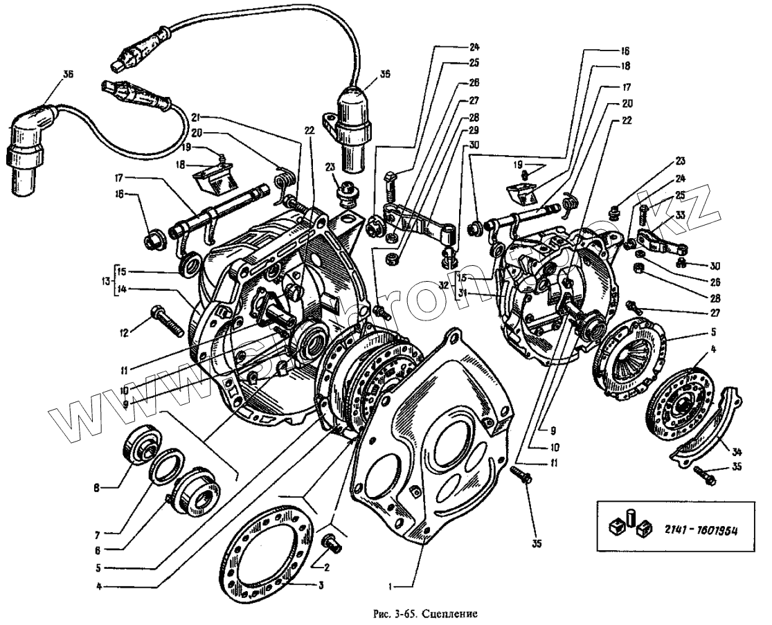
| Позиция на иллюстрации | Заводской номер детали | Название детали | |
|---|---|---|---|
| 2141-1601954 | 2141-1601954 | Накладки фрикционные с заклепками (комплект) | |
| 1 | 2141-1601040 | Щиток картера | |
| 2 | 366042-29 | Заклепка 3,66х5,74 | |
| 3 | 2141-1601138 | Накладка фрикционная ведомого диска | |
| 4 | 2141-1601130 | Диск ведомый в сборе | |
| 5 | 2141-1601090 | Диск нажимной с кожухом в сборе | |
| 6 | 2141-1601190 | Кожух подшипника выключения сцепления | |
| 7 | 2141-1601192 | Пружина волнистая подшипника | |
| 8 | 2141-1601182-01 | Подшипник выключения сцепления (взаимозаменяемые с 6-520907Е1С23, 2141-1601182, 6-520907Е3С23) | |
| 8 | 6-520907Е3С23 | Подшипник выключения сцепления (взаимозаменяемые с 2141-1601182, 2141-1601182-01, 6-520907Е1С23) | |
| 8 | 2141-1601182 | Подшипник выключения сцепления (взаимозаменяемые с 6-520907Е1С23, 2141-1601182-01, 6-520907Е3С23) | |
| 8 | 6-520907Е1С23 | Подшипник выключения сцепления (взаимозаменяемые с 2141-1601182, 2141-1601182-01, 6-520907Е3С23) | |
| 9 | 2141-1601180 | Подшипник выключения сцепления с кожухом в сборе | |
| 10 | 45 93771301 | Болт М6х14 | |
| 11 | 2141-1601036-11 | Втулка направляющая | |
| 12 | 4593171133 | Болт М12х 1,25х75 | |
| 13 | 2141-1601019 | Картер сцепления в сборе | |
| 14 | 2141-1601015-01 | Картер сцепления | |
| 15 | 2141-1701033 | Манжета 24х42 с пружиной в сборе | |
| 16 | 2141-1601224-01 | Втулка вала малая | |
| 17 | 2141-1601240 | Вал выключения сцепления в сборе | |
| 18 | 2141-1601029-10 | Сопло вентиляционное | |
| 19 | 366193 | Пистон крепления вентиляционного сопла | |
| 20 | 2141-1601228 | Пружина вала | |
| 21 | 4593171127 | Болт М12х 1,25х45 | |
| 22 | 2141-1601236 | Фиксатор вала | |
| 23 | 2141-1602288 | Каркас демпфера | |
| 24 | 2141-1601222 | Втулка вала выключения сцепления большая | |
| 25 | 360610-29 | Болт М8х46 | |
| 26 | 252038-29 | Шайба 8 | |
| 27 | 360543 | Болт М8х25 | |
| 28 | 45 95651253 | Гайка М8 самостопорящаяся | |
| 29 | 2141-1601258 | Рычаг вала наружный | |
| 30 | 2141-1602296 | Вкладыш упорный рычага вала | |
| 31 | 21412-1601015 | Картер сцепления | |
| 32 | 21412-1601014 | Картер сцепления в сборе | |
| 33 | 21412-1601258 | Рычаг вала наружный | |
| 34 | 21412-1601040 | Щиток картера | |
| 35 | 360390-29 | Болт М6х12 | |
| 36 | 21412-3847010-10 | Датчик индуктивный в сборе | |
| 36 | ПД2546-1 | Датчик индуктивный в сборе |
Содержащиеся в справочниках-каталогах запасные части и детали не предлагаются к продаже, а носят исключительно информационный характер