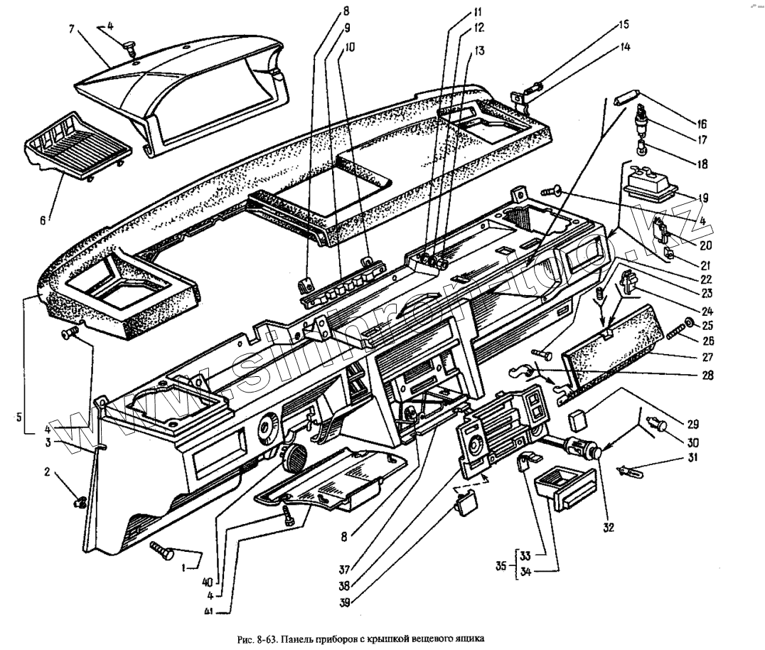
Каталог запасных частей к технике: АЗЛК Москвич-2335. Панель приборов с крышкой вещевого ящика
1
2
3
4
4
4
4
5
6
6
7
8
8
9
10
11
12
13
14
15
16
17
18
18
19
19
20
20
21
22
23
24
25
26
27
28
29
30
31
32
33
34
35
37
38
39
40
41
| Позиция на иллюстрации | Заводской номер детали | Название детали | |
|---|---|---|---|
| 2141-5325520 | 2141-5325520 | Заглушка гнезда в панели под выключателем | |
| 1 | 4593745025 | Болт М6х16 | |
| 2 | 367526-29 | Гайкодержатель с гайкой М6 | |
| 3 | 2141-5325017 | Панель приборов с пластиной в сборе | |
| 4 | 4596525519 | Винт 2-4х20 самонарезающий | |
| 5 | 2141-5325020 | Крышка панели приборов в сборе (отличаются по цвету материала) | |
| 6 | 2141-5325213-10 | Решетка панели приборов левая (отличаются по цвету материала) | |
| 6 | 2141-5325212-10 | Решетка панели приборов правая (отличаются по цвету материала) | |
| 7 | 2141-5325190 | Козырек панели приборов в сборе | |
| 8 | 362148-02 | Гайка 4 пластинчатая | |
| 9 | 2141-5325512 | Заглушка панели приборов средняя | |
| 10 | 362148-02 | Гайка 4 пластинчатая | |
| 11 | 252036-29 | Шайба 5 | |
| 12 | 252153-29 | Шайба 5 пружинная | |
| 13 | 362041-29 | Гайка М5 | |
| 14 | 2141-5325026 | Защелка крышки панели приборов | |
| 15 | 4596521517 | Винт 2-4х16 самонарезающий | |
| 16 | АС 12-5 | Лампа освещения вещевого ящика 12В, 5 Вт | |
| 17 | 2140-3803100 | Патрон лампы | |
| 18 | 402-3803050 | Лампа 12В, 1Вт | |
| 18 | А12-1 | Лампа световода 12В, 1Вт | |
| 19 | 15.3717-01 | Плафон освещения вещевого ящика в сборе | |
| 19 | 2141-3714110 | Плафон освещения вещевого ящика в сборе | |
| 20 | 2141-3714082 | Микропереключатель в сборе | |
| 20 | 424.3709 | Микропереключатель в сборе | |
| 21 | 367827-29 | Держатель диаметр 5 пружинный | |
| 22 | 425-5303045 | Буфер резиновый | |
| 23 | 425-5303062 | Пружина стопора ручки поворотного стекла | |
| 24 | 2141-5303054 | Ручка замка дверцы в сборе | |
| 25 | 365343-02 | Шайба 6,2 волнистая | |
| 26 | 2140-5303038 | Ось петли дверцы вещевого ящика | |
| 27 | 2141-5303020 | Дверца вещевого ящика в сборе | |
| 28 | 2141-5303091 | Ограничитель дверцы | |
| 29 | 2141-5325112 | Заглушка отверстия под часы | |
| 30 | 11.3725200 | Подвижная часть прикуривателя в сборе | |
| 31 | АМН12-3 | Лампа 12В, 3Вт | |
| 32 | 2141-3725010 | Прикуриватель в сборе | |
| 33 | 2141-8203072 | Фиксатор пепельницы | |
| 34 | 2141-8203012 | Коробка передней пепельницы | |
| 35 | 2141-8203010 | Пепельница передняя в сборе | |
| 37 | 2141-5325483 | Заглушка консоли | |
| 38 | 2141-5325102 | Накладка панели со световодом в сборе | |
| 39 | 2141-5325112 | Заглушка отверстия под часы | |
| 40 | 2141-5325516-10 | Заглушка панели приборов боковая | |
| 41 | 2141-5325180 | Заглушка люка панели приборов |
Содержащиеся в справочниках-каталогах запасные части и детали не предлагаются к продаже, а носят исключительно информационный характер