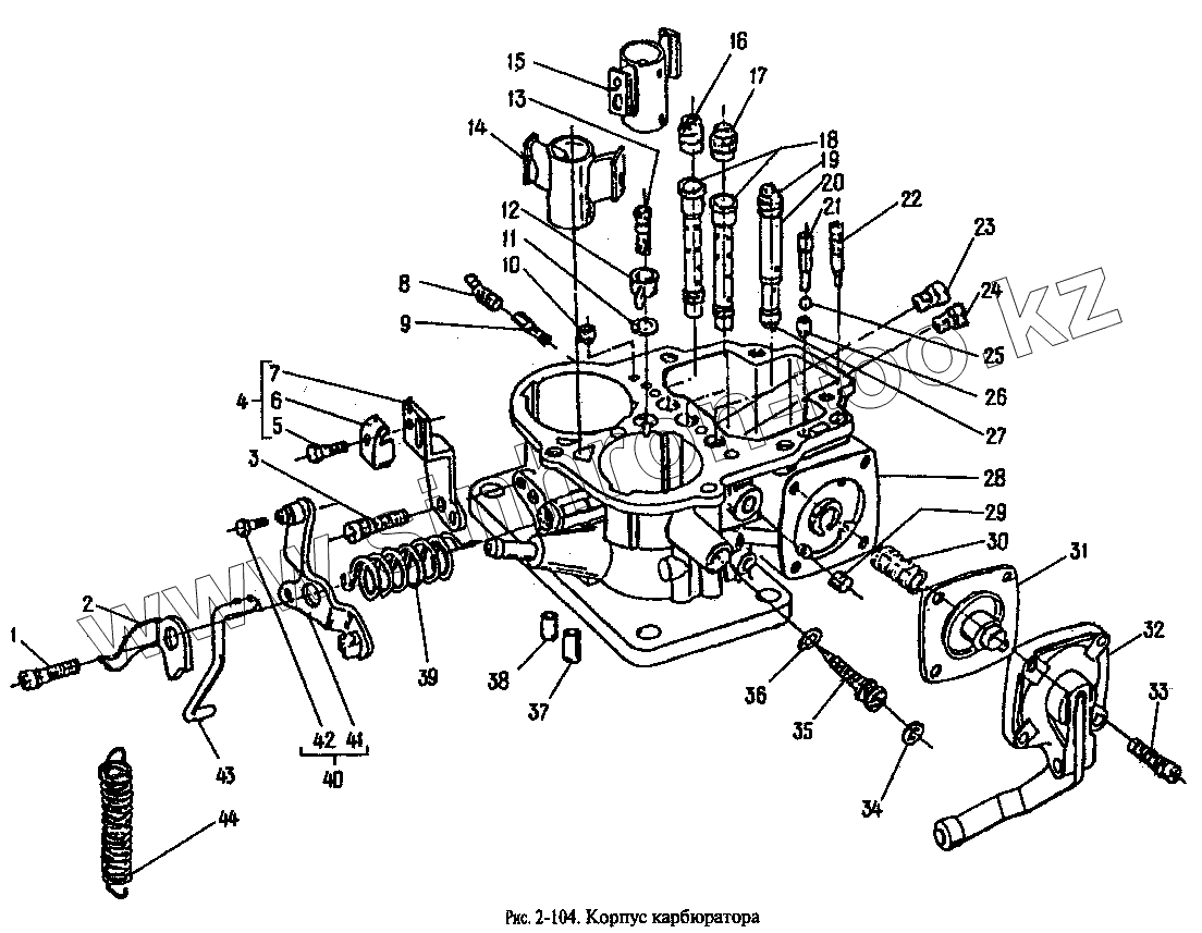
Каталог запасных частей к технике: АЗЛК Москвич-2335. Корпус карбюратора
1
2
3
4
5
6
7
8
9
10
11
12
13
14
15
16
17
18
19
20
21
22
23
24
25
26
27
28
29
30
31
32
33
34
35
36
37
38
39
40
41
42
43
44
| Позиция на иллюстрации | Заводской номер детали | Название детали | |
|---|---|---|---|
| 1 | 2108-1107898 | Винт М5 с шайбой в сборе | |
| 2 | 2101-1107310 | Кронштейн | |
| 3 | 2101-1107894 | Винт М5х0,8х20 с шайбой в сборе | |
| 4 | 2140-1107660-20 | Кронштейн крепления троса воздушной заслонки в сборе | |
| 5 | 10977511 | Болт М5х10 | |
| 6 | 2101-1107665 | Скоба крепления троса | |
| 7 | 2140-1107663-20 | Кронштейн крепления троса воздушной заслонки | |
| 8 | 2101-1107328 | Пробка жиклера | |
| 9 | 2140-1107324-40 | Топливный жиклер холостого хода | |
| 10 | 2101-1107311 | Воздушный жиклер холостого хода | |
| 11 | 2101-1107386 | Прокладка жиклера насоса ускорителя | |
| 12 | 2101-1107385 | Жиклер топливный ускорительного насоса в сборе | |
| 13 | 2101-1107370 | Клапан распылителя ускорительного насоса в сборе | |
| 14 | 2101-1107410-10 | Распылитель смеси второй камеры в сборе | |
| 15 | 2101-1107410 | Распылитель смеси первой камеры в сборе | |
| 16 | 2101-1107316-10 | Жиклер воздушный главной системы второй камеры | |
| 17 | 2101-1107316 | Жиклер воздушный главной системы первой камеры | |
| 18 | 2101-1107343 | Трубка эмульсионная | |
| 19 | 2140-1107319-40 | Воздушный жиклер эконостата | |
| 20 | 2140-1107986-40 | Втулка системы холостого хода в сборе | |
| 21 | 2101-1107373 | Пробка обратного клапана ускорительного насоса | |
| 22 | 2101-1107383 | Винт регулировки подачи топлива ускорительным насосом | |
| 23 | 2103-1107337 | Топливный жиклер главной системы второй камеры | |
| 24 | 2105-1107336-40 | Топливный жиклер главной системы первой камеры | |
| 25 | 3.175-60 | Шарик ГОСТ 3722-81 | |
| 26 | 2101-1107381 | Втулка обратного клапана ускорительного насоса | |
| 27 | 2101-1107334 | Жиклер топливный холостого хода | |
| 28 | 2140-1107305-40 | Корпус карбюратора | |
| 29 | 2108-1107935 | Заглушка | |
| 30 | 2101-1107378 | Пружина диафрагмы | |
| 31 | 2101-1107367 | Диафрагма ускорительного насоса в сборе | |
| 32 | 2101-1107375 | Крышка ускорительного насоса в сборе | |
| 33 | 2101-1107892 | Винт М4х0,7х14,8 с шайбой в сборе | |
| 34 | 2101-1107054 | Заглушка сферическая | |
| 35 | 2101-1107331 | Игла регулировочная | |
| 36 | 2101-1107018 | Прокладка | |
| 37 | 2101-1107037 | Втулка системы вентиляции картера | |
| 38 | 2101-1107321 | Втулка системы холостого хода и автоматического пускового устройства | |
| 39 | 2101-1107635 | Пружина рычага | |
| 40 | 2101-1107640 | Рычаг управления воздушной заслонкой с винтом в сборе | |
| 41 | 2101-1107642 | Рычаг управления воздушной заслонкой в сборе | |
| 42 | 2101-1107649 | Винт М4х10,5 | |
| 43 | 2101-1107645 | Тяга соединительная | |
| 44 | 2101-1107142 | Пружина рычага |
Содержащиеся в справочниках-каталогах запасные части и детали не предлагаются к продаже, а носят исключительно информационный характер