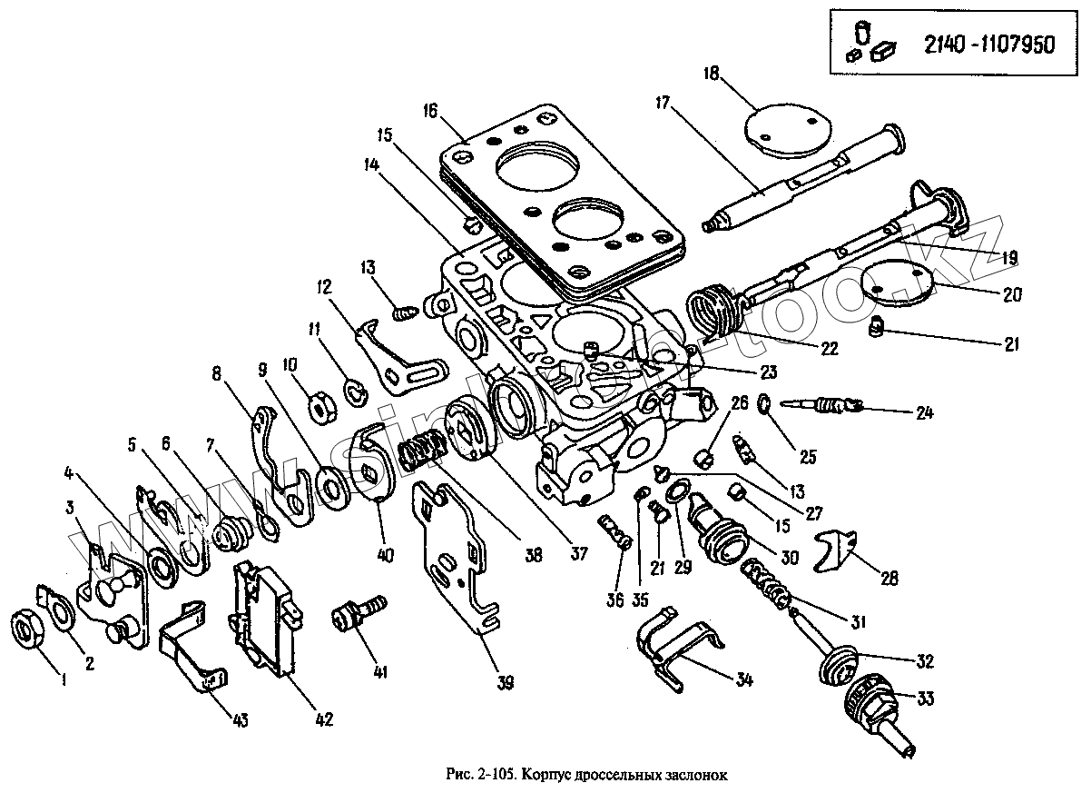
Каталог запасных частей к технике: АЗЛК Москвич-2335. Корпус дроссельных заслонок
2140-1107950
1
2
3
4
5
6
7
8
9
10
11
12
13
13
14
15
15
16
17
18
19
20
21
21
22
23
24
25
26
27
28
29
30
31
32
33
34
35
36
37
38
39
40
41
42
42
43
| Позиция на иллюстрации | Заводской номер детали | Название детали | |
|---|---|---|---|
| 2140-1107950 | 2140-1107950 | Экономайзер в сборе (включает детали 2103-1107424, 2140-1107951,2140-1107952, 2140-1107961, 2140-1107978 и 2108-1107979) | |
| 1 | 2101-1107904 | Гайка М7х1 | |
| 2 | 2101-1107104 | Шайба стопорная | |
| 3 | 2105-1107100 | Рычаг управления дроссельной заслонкой в сборе | |
| 4 | 2105-1107975 | Втулка | |
| 5 | 2101-1107150 | Рычаг дроссельной заслонки в сборе | |
| 6 | 2101-1107107 | Втулка рычага привода дроссельной заслонкой второй камеры | |
| 7 | 2101-1107132 | Шайба 10,5 пружинная | |
| 8 | 2101-1107106-01 | Рычаг управления дроссельной заслонкой | |
| 9 | 2101-1107105 | Шайба 7,1 | |
| 10 | 15896411 | Гайка М5 | |
| 11 | 2101-1107084 | Шайба 5,3 пружинная | |
| 12 | 2140-1107146-20 | Рычаг привода заслонки второй камеры | |
| 13 | 2101-1107131 | Винт стопорный М5х12,5 | |
| 14 | 2140-1107023-40 | Корпус дроссельных заслонок | |
| 15 | 2101-1107039 | Заглушка | |
| 16 | 2140-1107014 | Прокладка изоляционная в сборе | |
| 17 | 2101-1107130 | Ось дроссельной заслонки второй камеры в сборе | |
| 18 | 2105-1107066 | Заслонка дроссельная первой камеры | |
| 19 | 2140-1107080-40 | Ось дроссельной заслонки первой камеры в сборе | |
| 20 | 2101-1107066 | Дроссельная заслонка второй камеры | |
| 21 | 2108-1107067 | Винт М4х0,7х6 | |
| 22 | 2101-1107089 | Пружина оси | |
| 23 | 2140-1107347 | Перепускной жиклер ускорительного насоса | |
| 24 | 2106-1107118-10 | Игла регулировочная | |
| 25 | 2101-1107018 | Прокладка | |
| 26 | 2140-1107349-40 | Жиклер | |
| 27 | 2108-1107979 | Клапан экономайзера | |
| 28 | 2140-1107983 | Упор | |
| 29 | 2103-1107424 | Кольцо уплотнительное | |
| 30 | 2140-1107952 | Корпус экономайзера | |
| 31 | 2140-1107978 | Пружина экономайзера | |
| 32 | 2140-1107951 | Шток экономайзера в сборе | |
| 33 | 2140-1107961 | Крышка экономайзера | |
| 34 | 2140-1107982 | Фиксатор | |
| 35 | 1059201 | Шайба 4х9 плоская | |
| 36 | 2140-1107963 | Винт М5х14 регулировочный | |
| 37 | 2103-1107035 | Золотник отсоса картерных газов | |
| 38 | 2101-1107031 | Пружина клапана отсоса картерных газов | |
| 39 | 2140-1107976 | Кронштейн микропереключателя | |
| 40 | 2105-1107116-10 | Рычаг управления дроссельной заслонкой | |
| 41 | 2108-1107894 | Винт М5х0,8х12 с шайбой в сборе | |
| 42 | 2105-1107530 | Микропереключатель в сборе (421.3709) | |
| 42 | 421.3709 | Микропереключатель в сборе | |
| 43 | 2140-1107534 | Скоба |
Содержащиеся в справочниках-каталогах запасные части и детали не предлагаются к продаже, а носят исключительно информационный характер