Вернуться на главную
Поиск
Каталоги запчастей к технике
Легковые автомобили
АЗЛК
Москвич-2335
Детали крепления силового агрегата
Каталог запасных частей к технике: АЗЛК Москвич-2335. Детали крепления силового агрегата
zoom-in
zoom-out
enlarge
shrink
circle-right
circle-left
file-text2
info
cart
Тип техники
Не выбрано
Легковые автомобили
Грузовые автомобили и прицепы
Автобусы
Сельхозтехника
Спецтехника
Двигатели
Мототехника
Марка
Не выбрано
BYD
Chevrolet
Daewoo
Geely
Great Wall
Hyundai
Lifan
Tata
АЗЛК
ВАЗ
ГАЗ
ЗАЗ
ЗИЛ
ИЖ
ЛуАЗ
РАФ
УАЗ
Модель
Не выбрано
Москвич 412
Москвич-2137 (1977)
Москвич-2140 (1977)
Москвич-2141 (1998)
Москвич-2335 (1998)
Москвич-2734 (1998)
Москвич-400-420
Москвич-407
Схема
>
Не выбрано
Кузов в сборе автомобилей 2141, 21412, 214122, 214123
Шумоизоляция кузова (формованная)
Кожух пола, накладки порогов, коврики пола и багажника, средняя пепельница и крышка люка над топливным баком автомобилей 2141, 21412, 214122, 214123
Термошумоизоляционные накладки пола кузова автомобилей 2141, 21412, 214122, 214123
Стекло ветрового окна и его уплотнение
Омыватель стекла ветрового окна
Стеклоочиститель и его привод
Панель приборов с крышкой вещевого ящика
Наружная панель передка и водоотводящий кожух
Термошумоизоляционные панели боковины кузова, передка и задка
Боковая полка багажника с замком заднего сидения
Обивка задка кузова и багажника, средняя полка багажника
Обивка и термошумоизоляционные панели (съемные) крыши кузова, ребро крыши автомобилей 2141, 21412, 214122
Передняя дверь кузова, ее обивка, ограничитель открытия и уплотнение двери
Опускное стекло и стеклоподъемник передней двери
Замок и ручка передней двери
Задняя дверь кузова, ее обивка, ограничитель открытия и уплотнение двери
Опускное стекло и стеклоподъемник задней двери, стекло окна боковины и его уплотнение
Замок и ручка задней двери
Дверь задка кузова, ее уплотнение и обивка, петли и упор двери, детали крепления номерного знака
Стекло двери задка и его уплотнение
Замок и привод замка двери задка
Переднее сиденье и подголовник
Заднее сиденье автомобилей 2141, 21412, 214122
Отопитель кузова и детали его крепления
Воздухопровод обдува ветрового стекла и воздухораспределители к воздухонаддувам
Воздуходув системы приточной вентиляции
Управление вентиляцией и отоплением кузова
Внутреннее зеркало заднего вида, противосолнечный козырек и поручень
Наружное зеркало заднего вида
Декоративные надписи автомобилей 2141, 21412
Ремни безопасности
Капот кузова, его арматура (навеска, упор), уплотнение
Замок и привод замка капота
Переднее крыло и детали его крепления
Облицовка радиатора, заводской знак и детали их крепления
Фартук грязезащитного щитка заднего крыла автомобилей 2141, 21412, 214122
Фартук грязезащитного щитка переднего крыла
Люк заднего крыла
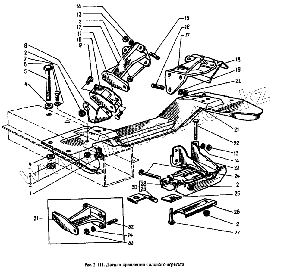
Детали крепления силового агрегата
Двигатель мод. 2106 в сборе
Блок цилиндров и головка блока
Картер масляный и крышки блока
Поршень и шатун
Коленчатый вал, вкладыши коренных подшипников и маховик
Привод распределительного вала
Распределительный механизм
Впускная труба и выпускной коллектор
Масляный насос и его маслоприемник
Смазочная система двигателя
Двигатель мод. 331 в сборе
Блок цилиндров, гильзы и крышки распределительных звездочек
Головка блока цилиндров двигателя и пробка маслоналивного патрубка с фильтром вентиляции картера
Поршень и шатун
Коленчатый вал, вкладыши коренных подшипников и маховик
Распределительный механизм и его привод
Впускная труба и выпускной коллектор
Масляный картер и указатель уровня масла
Масляный насос и его маслоприемник
Фильтр очистки масла
Топливный насос
Карбюратор
Крышка карбюратора
Корпус карбюратора
Корпус дроссельных заслонок
Топливный насос
Карбюратор
Крышка карбюратора
Корпус дроссельных заслонок
Карбюратор в сборе (типа "Озон")
Крышка карбюратора
Корпус карбюратора
Корпус дроссельных заслонок
Карбюратор
Крышка карбюратора
Корпус карбюратора
Электромагнитный клапан экономайзера принудительного холостого хода (ЭПХХ) и его трубопроводы
Привод управления дроссельными и воздушной заслонками карбюратора
Воздушный фильтр карбюратора
Установка воздушного фильтра на двигателе мод. 2106
Установка воздушного фильтра на двигателе мод. 331
Топливный бак с топливопроводом и фильтром тонкой очистки топлива
Глушитель выхлопа и его подвеска
Приемная труба выхлопа и ее подвеска
Трубопроводы и шланги системы охлаждения двигателя с термостатом
Водяной насос, шкив и приводной ремень
Трубопроводы и шланги системы охлаждения двигателя с термостатом
Водяной насос, шкив и приводной ремень
Радиатор, расширительный бачок и детали их крепления
Кожухи радиатора и электровентилятор системы охлаждения двигателя
Сцепление
Привод выключения сцепления, педали сцепления и тормоза
Коробка передач с дифференциалом, фланцем полуосей, вилкой и подшипником выключения сцепления в сборе
Картеры коробки передач и главной передачи с деталями крепления
Детали коробки передач и ведущая шестерня главной передачи
Механизм переключения передач коробки передач
Управление переключением передач
Дифференциал и зубчатое колесо главной передачи
Кронштейн задней проушины и его крепление
Щит предохранительный двигателя и его крепление
Передний и задний буфер автомобилей 2141, 21412, 214122, детали их крепления, буксирная проушина, крепеж переднего номерного знака
Балка, пружина, амортизатор и штанга стабилизатора задней подвески
Телескопическая стойка амортизатора с пружиной передней подвески с рычагом рулевого управления
Стабилизатор поперечной устойчивости передней подвески
Кулак телескопической стойки и рычаг передней подвески
Карданы полуосей переднего моста
Ступица задних колес
Механизм рулевого управления и рулевые тяги
Рулевое управление с переключением указателей поворота и переключением света фар, детали крепления рулевой колонки
Тормоз переднего колеса
Тормоз заднего колеса
Колесный цилиндр тормоза
Главный цилиндр гидропривода тормозов
Трубопроводы гидропривода тормозов
Управление стояночной тормозной системой и выключатель ее контрольной лампы
Вакуумный усилитель тормоза
Сигнальное устройство в гидроприводе тормозов
Регулятор давления в гидроприводе тормозов задних колес
Генератор и детали его крепления
Генератор и детали его крепления
Катушка зажигания, свечи зажигания, соединительные провода
Катушка зажигания, свечи зажигания, провода
Свеча зажигания и провода
Распределитель зажигания и его привод
Распределитель зажигания и его привод
Стартер и его крепление
Стартер и его крепеж
Аккумуляторная батарея и детали ее крепления
Выключатель световой сигнализации: задних противотуманных фонарей, противотуманных фар, наружного освещения, обогрева заднего стекла, головных фар автомобиля, аварийной сигнализации
Фара, корректор света фар и детали их крепления
Плафоны внутреннего освещения салона кузова, плафон освещения багажника, дверной выключатель
Подкапотная лампа с выключателем и штепсельная розетка
Задний фонарь и детали его крепления автомобилей 2141, 21412, 214122
Указатель поворота и детали ее крепления
Фонарь освещения номерного знака и детали его крепления
Противотуманная фара и детали ее крепления
Выключатель (замок) зажигания и детали ее крепления
Звуковые сигналы и детали их крепления
Блок предохранителей и реле
Электропровода и соединения - передний жгут автомобилей 2141 и 2335
Электропровода и соединения - передний жгут автомобилей 21412, 214122 и 23352
Электропровода и соединения - задний жгут автомобилей 2141, 21412, 214122
Электропровода и соединения - жгуты к панели приборов и стеклоочистителю
Электропровода и соединения
Боковые повторители указателей поворота
Блок управления экономайзера принудительного холостого хода (ЭПХХ) и детали его крепления
Контролер электронного зажигания и детали крепления
Комбинация приборов и гибкий вал спидометра
1
2
2
2
2
2
3
4
4
5
6
7
8
9
10
11
12
13
13
14
14
14
15
16
17
18
19
20
21
22
23
24
25
26
27
28
29
30
31
32
33
Позиция на иллюстрации
Заводской номер детали
Название детали
2141-1001016
2141-1001016
Болт М12х30 с несъемной шайбой
1
360934
Гайка М8 самостопорящаяся
2
4595651253
Гайка
3
4595651308
Шайба 10
4
252039-29
Шайба 10
5
200466-29
Болт М8х20
6
4593171064
Шайба 8
7
252038-29
Шайба 8
8
2141-1001026
Болт М8х18
9
4593171063
Болт М8х18
10
2141-1001020
Болт М8х25
11
4593171065
Кронштейн передней опоры левый
12
21412-1001015
Гайка М8х1
13
250511-29
Шайба 8 пружинная
14
252135-29
Шайба 8 пружинная
15
363063-29
Шпилька М8х1х22
16
363110-29
Кронштейн передней опоры правый
17
21412-1001016
Щиток защитный подушки
18
2141-1001158
Шайба 10 пружинная
19
252136-29
Шайба 10 пружинная
20
250517-29
Гайка М10х1,25
21
2141-1001150-10
Болт М8х65
22
4593171073
Болт М8х65
23
2141-1001070
Болт М8х70
24
4593171074
Пластина поперечины задней опоры
25
2141-1001054-10
Ограничитель подушки нижний
26
2141-1001221
Болт М10х1,25х35 с несъемной шайбой
27
360719
Болт М10х1,25х35 с несъемной шайбой
28
2141-1001050
Скоба распорная
29
2141-1001102
Подушка задней опоры со скобами в сборе
30
2141-1001038-01
Кронштейн передней опоры левый
31
2141-1001015
Шпилька М8х16
32
13516621
ГайкаМ8
33
250510-29
Гайка М8
Содержащиеся в справочниках-каталогах запасные части и детали не предлагаются к продаже, а носят исключительно информационный характер
Дополнительная информация
×
Название:
Номер:
Примечание: