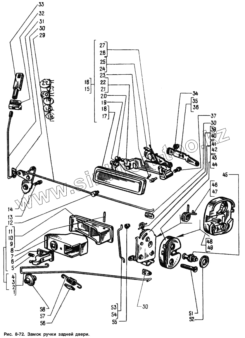
Каталог запасных частей к технике: АЗЛК Москвич-2141. Замок и ручка задней двери
1
2
3
4
5
6
7
8
9
10
11
12
13
14
15
16
17
18
19
20
21
22
23
24
25
26
27
29
30
30
30
31
32
33
34
35
36
37
39
40
41
42
43
44
45
46
47
48
49
51
52
53
54
55
56
57
58
| Позиция на иллюстрации | Заводской номер детали | Название детали | |
|---|---|---|---|
| 2141-6205506-10 | 2141-6205506-10 | Тяга внутреннего привода замка правая | |
| 1 | 2141-6205507-10 | Тяга внутреннего привода замка левая | |
| 2 | 2141-6105510-60 | Ручка внутреннего привода замка в сборе (отличаются по цвету материала) | |
| 3 | 2141-6105510-50 | Ручка внутреннего привода замка в сборе (отличаются по цвету материала) | |
| 4 | 2141-6105510-40 | Ручка внутреннего привода замка в сборе (отличаются по цвету материала) | |
| 5 | 242470-29 | Винт М5х10 установочный | |
| 6 | 2141-6105522 | Поводок ручки | |
| 7 | 2141-6105514 | Корпус ручки | |
| 8 | 2141-6105524 | Ось ручки | |
| 9 | 2141-6105512-60 | Ручка внутреннего привода замка (отличаются по цвету материала) | |
| 10 | 2141-6105512-50 | Ручка внутреннего привода замка (отличаются по цвету материала) | |
| 11 | 2141-6105512-40 | Ручка внутреннего привода замка (отличаются по цвету материала) | |
| 12 | 2141-6205540 | Буфер тяги | |
| 13 | 360378 | Болт М6х16 с несъемной шайбой | |
| 14 | 2141-6205521-10 | Привод блокировки замка в сборе | |
| 15 | 2141-6105151-10 | Ручка двери наружная левая в сборе | |
| 16 | 2141-6105150-10 | Ручка двери наружная правая в сборе | |
| 17 | 2141-6105210-10 | Ручка двери наружная правая | |
| 18 | 2141-6105211-10 | Ручка двери наружная левая | |
| 19 | 2141-6105194 | Буфер наружной ручки | |
| 20 | 2141-6105164 | Втулка наружной ручки двери | |
| 21 | 2141-6105168-10 | Корпус наружной ручки правый | |
| 22 | 2141-6105169-10 | Корпус наружной ручки левый | |
| 23 | 361912-02 | Штифт 3х12 | |
| 24 | 2141-6105178 | Рычаг наружной ручки правый в сборе | |
| 25 | 2141-6105179 | Рычаг наружной ручки левый в сборе | |
| 26 | 2141-6105226-10 | Пружина наружной ручки правая | |
| 27 | 2141-6105227-10 | Пружина наружной ручки левая | |
| 29 | 2141-6205538-10 | Тяга блокировки замка | |
| 30 | 2141-6105508-10 | Держатель тяги кнопки блокировки замка | |
| 31 | 2141-6205534-10 | Тяга кнопки блокировки замка | |
| 32 | 2141-6105532 | Втулка направляющая кнопки | |
| 33 | 2141-6105530-10 | Кнопка блокировки замка | |
| 34 | 362391-29 | Гайка М6 фланцевая самостопорящаяся | |
| 35 | 2141-6205067 | Рычаг наружного привода замка левый | |
| 36 | 2141-6205066-10 | Рычаг наружного привода замка правый | |
| 37 | 360237 | Болт М5х10 с несъемной шайбой | |
| 39 | 2141-6105093-10 | Пружина рычага выключения замка левая | |
| 40 | 2141-6105092-10 | Пружина рычага выключения замка правая | |
| 41 | 2141-6205361-20 | Замок внутренний левый в сборе | |
| 42 | 2141-6205360-20 | Замок внутренний правый в сборе | |
| 43 | 2141-6105311-20 | Замок двери наружный левый в сборе | |
| 44 | 2141-6105310-20 | Замок двери наружный правый в сборе | |
| 45 | 2141-6105444-20 | Защелка наружного замка двери | |
| 46 | 2141-6105395-20 | Пружина внутреннего замка левая | |
| 47 | 2141-6105394-20 | Пружина внутреннего замка правая | |
| 48 | 2141-6105317-10 | Корпус наружного замка левый | |
| 49 | 2141-6105316-10 | Корпус наружного замка правый | |
| 51 | 4594171642 | Винт 2М8х28 | |
| 52 | 2141-6105462 | Шайба опорная защелки | |
| 53 | 2141-6205197-10 | Тяга наружного привода замка левая | |
| 54 | 2141-6205196-10 | Тяга наружного привода замка правая | |
| 55 | 2141-6105392 | Втулка тяги наружного привода замка | |
| 56 | 2141-6105520 | Прокладка пружины | |
| 57 | 2141-6105498-10 | Пружина внутреннего привода замка | |
| 58 | 2141-6105516-01 | Опора тяги привода замка |
Содержащиеся в справочниках-каталогах запасные части и детали не предлагаются к продаже, а носят исключительно информационный характер