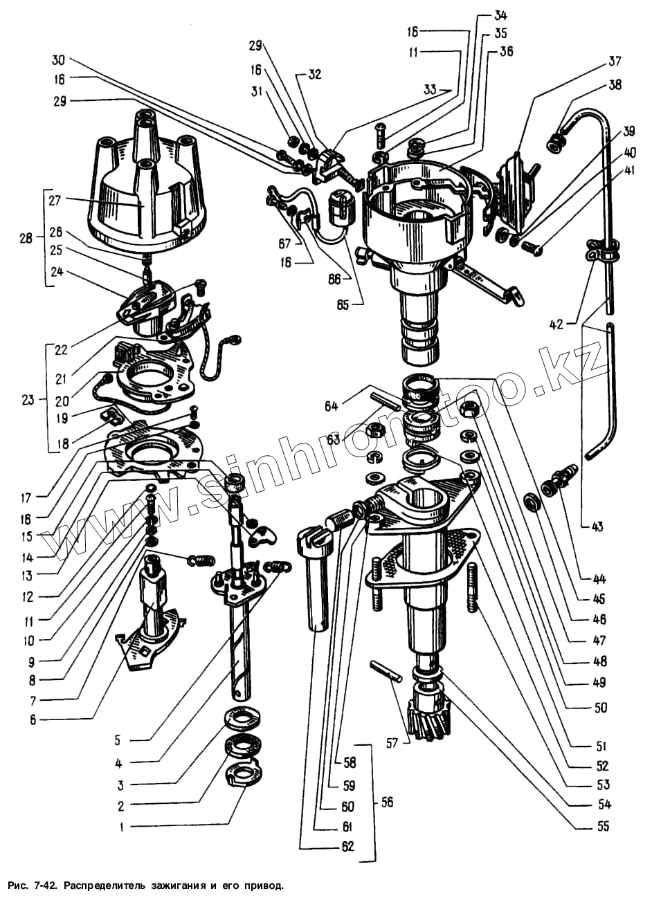
Каталог запасных частей к технике: АЗЛК Москвич-2141. Распределитель зажигания и его привод
1
2
3
4
5
6
6
7
8
9
10
11
12
13
14
15
16
17
18
19
20
21
22
23
24
25
26
27
28
29
30
31
32
33
34
35
36
37
38
39
40
41
42
43
44
45
46
47
48
49
50
51
52
53
54
55
56
57
58
59
60
61
62
63
64
64
65
66
67
| Позиция на иллюстрации | Заводской номер детали | Название детали | |
|---|---|---|---|
| 47.3706 | 47.3706 | Распределитель зажигания в сборе (включает все детали на рис.83 "Распределитель зажигания и его привод", кроме 412-1016010-20, 412-1016030, 412-370 | |
| 2140-3706010 | 2140-3706010 | Распределитель зажигания в сборе (включает все детали на рис.83 "Распределитель зажигания и его привод", кроме 412-1016010-20, 412-1016030, 412-370 | |
| 412-3706042 | 412-3706042 | Трубка вакуумного регулятора (взаимозаменяемые с 412-3706015-20) | |
| 412-1104088 | 412-1104088 | Скоба крепления трубки | |
| 1 | Р142-3706008 | Шайба стопорная | |
| 2 | Н-2052 | Шайба 15 текстолитовая | |
| 3 | Н-2009-П | Шайба 15 | |
| 4 | Р142-3706210 | Валик с пластиной грузиков в сборе | |
| 5 | 40.3706205 | Пружина | |
| 6 | Р147-3706230 | Кулачок распределителя в сборе | |
| 6 | Н-1449-П29 | Шайба 13 (толщина 0,8 мм) - по потребности, но не более 2 шт. для моделей 21412 и 214122 | |
| 7 | СТ-7304 | Пружина | |
| 8 | Н-1969-П8 | Шайба 7 - по потребности, но не более 6 шт. | |
| 9 | Н-1693-П29 | Шайба 4 | |
| 10 | Н-1386-П7 | Шайба 4 пружинная | |
| 11 | Н-1309-П29 | Винт М4х 10 | |
| 12 | Р34-3706006 | Сальник | |
| 13 | Р142-3706242 | Грузик | |
| 14 | Н-2130-П29 | Шайба 4,2 - по потребности, но не более 4 шт. Для моделей 21412 и 214122 | |
| 15 | Р142-37060201 | Втулка | |
| 16 | Н-1386-П33 | Шайба 4 пружинная | |
| 17 | Н-1932-П29 | Винт М4х5 | |
| 18 | Р142-3706005 | Держатель | |
| 19 | Р142-3706301 | Обойма подшипника | |
| 20 | Р147-3706310 | Пластина прерывателя в сборе | |
| 21 | Р147-3706800 | Прерыватель в сборе | |
| 22 | Н-2087-П29 | Винт М4х5 | |
| 23 | Р147-3706300 | Пластина прерывателя в сборе | |
| 24 | Р35-3706020 | Бегунок распределителя зажигания в сборе | |
| 25 | Р35-3706502 | Уголек контактный | |
| 26 | Р41-3706504 | Пружина контактная | |
| 27 | Р35-3706501 | Крышка распределителя | |
| 28 | Р35-3706500 | Крышка распределителя зажигания в сборе | |
| 29 | Н-1262-П29 | Шайба 4 | |
| 30 | Н-1307-П29 | ВинтМ4х8 | |
| 31 | Н-1325-П29 | Гайка М4 | |
| 32 | Н-1958-П29 | Болт М4х22 | |
| 33 | Р107-3706014 | Фиксатор крышки | |
| 34 | Н-2168 | Шайба 3 | |
| 35 | Н-1354-2-П29 | Шайба регулировочная | |
| 36 | 47.3706100 | Корпус распределителя в сборе | |
| 37 | 47.3706600 | Регулятор вакуумный в сборе | |
| 38 | 412-3706026 | Втулка трубки | |
| 39 | Н-2236-П29 | Шайба 5 | |
| 40 | Н-1387-П33 | Шайба 5 пружинная | |
| 41 | Н-1313-П29 | Винт М5х10 | |
| 42 | 412-1104088-Б | Скоба крепления трубки | |
| 43 | 412-3706015-20 | Трубка вакуумного регулятора (взаимозаменяемые с 412-3706042) | |
| 44 | 412-3706016-20 | Штуцер переходной трубки | |
| 45 | 412-3706218 | Кольцо уплотнительное | |
| 46 | 412-3706017 | Прокладка штуцера переходной трубки | |
| 47 | Р130-3706011 | Муфта | |
| 48 | 250508-29 | Гайка | |
| 49 | 252134-29 | Болт М6х12 | |
| 50 | 252004-29 | Шайба 6 | |
| 51 | Р35-3706014-В | Кольцо пружинное | |
| 52 | 412-1016030 | Прокладка корпуса | |
| 53 | 363072-29 | Шпилька М6х18 | |
| 54 | 365152 | Шайба 13 | |
| 55 | 412-1016018 | Шестерня привода ведомая | |
| 56 | 412-1016010-20 | Привод распределителя в сборе | |
| 57 | 258617 | Штифт 4х25 | |
| 58 | 363076-29 | Шпилька М8х1х28 | |
| 59 | 412-1016020-20 | Корпус привода | |
| 60 | 252005-29 | Шайба 8 | |
| 61 | 412-1016024 | Гайка М8х1 | |
| 62 | 412-1016016 | Валик привода распределителя зажигания | |
| 63 | Н-1941-П33 | Штифт П33 | |
| 64 | Н-1376-П33 | Шайба 13 (толщина 0,32 мм) - по потребности, но не более 2 шт. для моделей 21412 и 214122 | |
| 64 | Н-1377-П33 | Шайба 13 (толщина 0,5 мм) - по потребности, но не более 2 шт. для моделей 21412 и 214122 | |
| 65 | К42-18-5 | Конденсатор | |
| 66 | Р20-3706013-Б | Скоба | |
| 67 | Н-1841-П29 | Винт М4х6,8 |
Содержащиеся в справочниках-каталогах запасные части и детали не предлагаются к продаже, а носят исключительно информационный характер