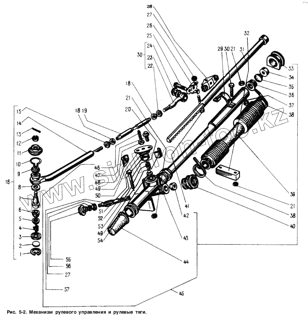
Каталог запасных частей к технике: АЗЛК Москвич-2141. Механизм рулевого управления и рулевые тяги
1
2
3
4
5
6
7
8
9
10
11
12
13
14
15
16
18
19
20
21
22
23
24
25
26
27
28
29
30
31
32
33
34
35
36
37
38
39
40
41
42
42
43
44
45
46
47
48
49
50
51
52
53
54
55
56
56
| Позиция на иллюстрации | Заводской номер детали | Название детали | |
|---|---|---|---|
| 2141-3414120 | 2141-3414120 | Наконечник тяги внутренний в сборе | |
| 1 | 402-3003070-Д | Кольцо стопорное заглушки | |
| 2 | 402-3003071-Д | Заглушка наконечника тяги | |
| 3 | 408-3003078 | Шайба уплотнительная наконечника | |
| 4 | 407-3003069 | Пружина нажимного вкладыша | |
| 5 | 407-3003068 | Вкладыш нажимной наконечника тяги | |
| 6 | 403-3003096 | Вкладыш опорный тяги нижний | |
| 7 | 403-3003032-Б | Палец шаровой | |
| 8 | 403-3003095 | Вкладыш наконечника тяги опорный верхний | |
| 9 | 403-3003075-А | Шайба защитного чехла наконечника тяги | |
| 10 | 258256-02 | Шплинт-проволока 1,2х250 | |
| 11 | 403-3003076-А | Чехол защитный шаровой головки и наконечника | |
| 12 | 250977-29 | Гайка М12х1,25 | |
| 13 | 258040-29 | Шплинт 3,2х25 разводной | |
| 14 | 2141-3414152 | Наконечник тяги наружный | |
| 15 | 250634-29 | Гайка М14х1,5 | |
| 16 | 2141-3414150 | Наконечник тяги наружный в сборе | |
| 18 | 2141-3414154 | Муфта наконечников тяги | |
| 19 | 2141-3414112 | Тяга рулевого управления | |
| 20 | 4593171073 | Болт М8х65 | |
| 21 | 4595621305 | Гайка М8 самостопорящаяся | |
| 22 | 362065-29 | Гайка М14х 1,5 левая | |
| 23 | 2141-3414122 | Наконечник тяги внутренний | |
| 24 | 2141-3414130 | Втулка шарнира внутреннего наконечника в сборе | |
| 25 | 360883-29 | Болт М12х1,25х60 | |
| 26 | 2141-3414170 | Накладка крепления тяг | |
| 27 | 4595651308 | Шайба 10 | |
| 28 | 2141-3414160 | Скоба крепления тяг в сборе | |
| 29 | 2141-3403064 | Кронштейн крепления картера рулевого механизма | |
| 30 | 4593171069 | Болт М8х45 | |
| 31 | 2141-3401250 | Рейка рулевого механизма в сборе | |
| 32 | 2141-3403068 | Опора кронштейна | |
| 33 | 2141-3403066 | Кольцо опорное кронштейна картера | |
| 34 | 2141-3401322 | Заглушка картера рулевого механизма | |
| 35 | 2141-3401324 | Буфер заглушки | |
| 36 | 2141-3401310 | Втулка опорная рейки в сборе | |
| 37 | 4593171072 | Болт М8х60 | |
| 38 | 367311 | Хомут | |
| 39 | 2141-3401338 | Чехол грязезащитный рулевого механизма | |
| 40 | 2141-3401342 | Чехол уплотнительный | |
| 41 | 200458-29 | Болт М10х1,25х65 | |
| 42 | 2141-3401264 | Подшипник шестерни задний | |
| 42 | 604703Е | Подшипник шестерни задний | |
| 43 | 2141-3401224 | Картер рулевого механизма в сборе | |
| 44 | 2141-3401340 | Чехол грязезащитный | |
| 45 | 2141-3401220 | Механизм рулевого управления в сборе | |
| 46 | 2141-3401294 | Винт регулировочный опоры рейки | |
| 47 | 360542 | Болт М8х20 с несъемной шайбой | |
| 48 | 362058-29 | Гайка М10х1 | |
| 49 | 2141-3401280 | Опора рейки в сборе | |
| 50 | 2141-3401292 | Крышка картера рулевого механизма | |
| 51 | 2141-3401336 | Кольцо уплотнительное картера | |
| 52 | 2141-3401330 | Кольцо распорное опоры рейки | |
| 53 | 2141-3401332 | Пружина опоры рейки | |
| 54 | 2141-3401334 | Вкладыш опоры рейки | |
| 55 | 2141-3401270 | Гайка регулировочная в сборе | |
| 56 | 101 | Подшипник шестерни передний | |
| 56 | 2141-3401260 | Подшипник шестерни передний | |
| 57 | 2141-3401244-01 | Шестерня рулевого механизма |
Содержащиеся в справочниках-каталогах запасные части и детали не предлагаются к продаже, а носят исключительно информационный характер