Вернуться на главную
Поиск
Каталоги запчастей к технике
Легковые автомобили
АЗЛК
Москвич-2141
Масляный насос и его маслоприемник
Каталог запасных частей к технике: АЗЛК Москвич-2141. Масляный насос и его маслоприемник
zoom-in
zoom-out
enlarge
shrink
circle-right
circle-left
file-text2
info
cart
Тип техники
Не выбрано
Легковые автомобили
Грузовые автомобили и прицепы
Автобусы
Сельхозтехника
Спецтехника
Двигатели
Мототехника
Марка
Не выбрано
BYD
Chevrolet
Daewoo
Geely
Great Wall
Hyundai
Lifan
Tata
АЗЛК
ВАЗ
ГАЗ
ЗАЗ
ЗИЛ
ИЖ
ЛуАЗ
РАФ
УАЗ
Модель
Не выбрано
Москвич 412
Москвич-2137 (1977)
Москвич-2140 (1977)
Москвич-2141 (1998)
Москвич-2335 (1998)
Москвич-2734 (1998)
Москвич-400-420
Москвич-407
Схема
>
Не выбрано
Кузов в сборе автомобилей 2141, 21412 и 214122, 214123
Кожух пола, накладки порогов, коврики пола и багажника, средняя пепельница и крышка люка над топливным баком автомобилей 2141, 21412, 214122, 214123
Термошумоизоляционные накладки пола кузова автомобилей 2141, 21412 и 214122, 214123
Шумоизоляция кузова (формованная)
Стекло ветрового окна и его уплотнение
Стеклоочиститель и его привод
Омыватель стекла ветрового окна
Наружная панель передка и водоотводящий кожух
Панель приборов с крышкой вещевого ящика
Термоизоляционные панели боковины кузова, передка и задка
Обивка задка кузова и багажника, средняя полка багажника
Боковая полка багажника с замком заднего сиденья
Обивка и термоизоляционные панели (съемные) крыши кузова, ребро крыши автомобилей 2141, 21412, 214122
Передняя дверь кузова, ее обивка, ограничитель открытия и уплотнение двери
Опускное стекло и стеклоподъемник передней двери
Замок и ручка передней двери
Задняя дверь кузова, ее обивка, ограничитель открытия и уплотнение двери
Опускное стекло и стеклоподъемник задней двери, стекло окна боковины и его уплотнение
Замок и ручка задней двери
Дверь задка кузова, ее уплотнение и обивка, петли и упор двери, детали крепления номерного знака
Стекло двери задка и его уплотнение
Замок и привод замка двери задка
Переднее сиденье и подлокотник
Заднее сиденье автомобилей 2141, 21412, 214122
Отопитель кузова и детали его крепления
Воздуховод обдува ветрового стекла и воздухораспределители к воздуходувам
Воздуходув системы приточной вентиляции
Управление вентиляцией и отоплением кузова
Внутреннее зеркало заднего вида, противосолнечный козырек и поручень
Наружное зеркало заднего вида
Декоративные надписи автомобилей 2141 и 21412
Ремни безопасности
Капот кузова, его арматура (навеска, упор), уплотнение
Замок и привод замка капота
Облицовка радиатора, заводской знак и детали их крепления
Переднее крыло и детали его крепления
Люк заднего крыла
Фартук грязезащитного щитка переднего крыла
Фартук грязезащитного щитка заднего крыла автомобилей 2141, 21412, 214122
Двигатель мод. 2106 в сборе
Детали крепления силового агрегата
Блок цилиндров и головка блока
Картер масляный и крышки блока
Поршень и шатун
Коленчатый вал, вкладыши коренных подшипников и маховик
Привод распределительного вала
Распределительный механизм
Впускная труба и выпускной коллектор
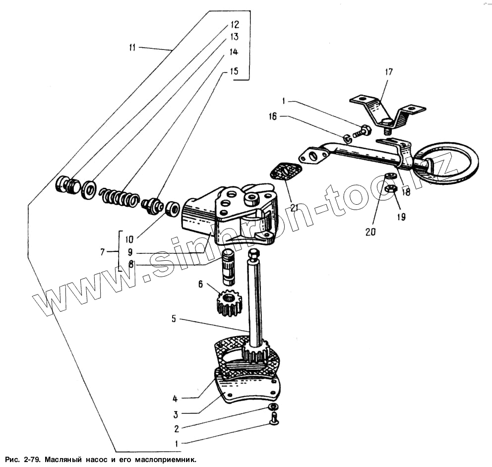
Масляный насос и его маслоприемник
Смазочная система двигателя
Двигатель мод. 331 в сборе
Детали крепления силового агрегата
Блок цилиндров, гильзы и крышки распределительных звездочек
Головка блока цилиндров двигателя и пробка маслоналивного патрубка с фильтром вентиляции картера
Поршень и шатун
Коленчатый вал, вкладыши коренных подшипников и маховик
Распределительный механизм и его привод
Впускная труба и выпускной коллектор
Масляный картер и указатель уровня масла
Масляный насос и его маслоприемник
Фильтр очистки масла
Топливный насос
Карбюратор
Крышка карбюратора
Корпус карбюратора
Корпус дроссельных заслонок
Топливный насос
Карбюратор
Крышка карбюратора
Корпус дроссельных заслонок
Карбюратор в сборе (типа «Озон»)
Крышка карбюратора
Корпус карбюратора
Корпус дроссельных заслонок
Карбюратор в сборе (ДААЗ-21041-10)
Крышка карбюратора
Корпус карбюратора
Электромагнитный клапан экономайзера принудительного холостого хода (ЭПХХ) и его трубопроводы
Привод управления дроссельными и воздушной заслонкой карбюратора
Воздушный фильтр карбюратора
Установка воздушного фильтра на двигателе мод. 2106
Установка воздушного фильтра на двигателе мод. 331
Топливный бак с топливопроводами и фильтром тонкой очистки топлива
Глушитель выхлопа и его подвеска
Приемная труба выхлопа и ее подвеска
Трубопроводы и шланги системы охлаждения двигателя с термостатом
Водяной насос, шкив и приводной ремень
Трубопроводы и шланги системы охлаждения двигателя с термостатом
Водяной насос, шкив и приводной ремень
Радиатор, расширительный бачок и детали их крепления
Кожухи радиатора и электроизолятор системы охлаждения двигателя
Сцепление
Привод выключения сцепления, педали сцепления и тормоза
Коробка передач с дифференциалом, фланцами полуосей, картером, вилкой и подшипником выключения сцепления в сборе
Картеры коробки передач и главной передачи с деталями крепления
Детали коробки передач и ведущая шестерня главной передачи
Механизм переключения передач коробки передач
Управление переключением передач
Дифференциал и зубчатое колесо главной передачи
Передний и задний буфер автомобилей 2141, 21412, 214122, детали их крепления, буксирная проушина, крепеж переднего номерного знака
Кронштейн задней проушины и его крепление
Щит предохранительный двигателя и его крепление
Балка, пружина, амортизатор и штанга стабилизатора задней подвески
Телескопическая стойка амортизатора с пружиной передней подвески и с рычагом рулевого управления
Стабилизатор поперечной устойчивости передней подвески
Кулак телескопической стойки и рычаги передней подвески
Карданы полуосей переднего моста
Ступица задних колес
Механизм рулевого управления и рулевые тяги
Рулевое управление с переключателем указателей поворота и переключателем света фар, детали крепления рулевой колонки
Тормоз переднего колеса
Тормоз заднего колеса
Колесный цилиндр тормоза
Главный цилиндр гидропривода тормозов
Трубопроводы гидропривода тормозов
Управление стояночной тормозной системой и выключатель ее контрольной лампы
Вакуумный усилитель тормоза
Сигнальное устройство в гидроприводе тормозов
Регулятор давления в гидроприводе тормозов задних колес
Генератор и детали его крепления
Генератор и детали его крепления
Катушка зажигания, свечи зажигания, соединительные провода
Катушка зажигания, свечи зажигания, провода
Свечи зажигания и привода
Распределитель зажигания и его провода
Распределитель зажигания и его привод
Стартер и его крепление
Стартер и его крепеж
Аккумуляторная батарея и детали ее крепления
Выключатели световой сигнализации, задних противотуманных фонарей, противотуманных фар, наружного освещения, обогрева заднего стекла, головных фар автомобиля, аварийной сигнализации
Фара, корректор света фар и детали их крепления
Плафоны внутреннего освещения салона кузова, плафон освещения багажника, дверной выключатель
Подкапотная лампа с включателем и штепсельная розетка
Задний фонарь и детали его крепления автомобилей 2141, 21412, 214122
Указатель поворота и детали его крепления
Фонарь освещения номерного знака и детали его крепления
Противотуманная фара и детали ее крепления
Выключатель (замок) зажигания и детали его крепления
Звуковые сигналы и детали их крепления
Блок предохранителей и реле
Электропровода и соединения - передний жгут автомобилей 2141 и 2335
Электропровода и соединения - передний жгут автомобилей 21412, 214122 и 23352
Электропровода и соединения - задний жгут автомобилей 2141, 21412, 214122
Электропровода и соединения - жгуты к панели приборов и стеклоочистителю
Электропровода и соединения
Боковые повторители указателей поворота
Блок управления экономайзером принудительного холостого хода (ЭПХХ) и детали его крепления
Контролер электронного зажигания и детали крепления
Комбинация приборов и гибкий вал спидометра
1
1
2
3
4
5
6
6
7
8
9
10
11
12
13
14
14
15
16
17
18
19
20
21
Позиция на иллюстрации
Заводской номер детали
Название детали
2101-1011045
2101-1011045
Шестерня ведущая насоса
2141-1011045
2141-1011045
Шестерня ведущая насоса
2141-1011042
2141-1011042
Валик насоса
1
4593471504
Болт М6х16
2
252154-29
Шайба 6 пружинная
3
2141-1011052
Крышка насоса
4
2141-1011065
Прокладка крышки насоса
5
2141-1011040
Валик насоса в сборе
6
2101-1011032
Колесо зубчатое насоса
6
2141-1011032
Колесо зубчатое насоса
7
2141-1011015
Корпус насоса в сборе
8
2141-1011025
Ось зубчатого колеса
9
2141-1011020
Корпус насоса
10
2141-1011094
Сеяло клапана
11
2141-1011010
Насос в сборе
12
2141-1011060
Пробка редукционного клапана
13
2141-1011061
Прокладка пробки клапана
14
2101-1011058
Пружина редукционного клапана
14
2141-1011058
Пружина редукционного клапана
15
2141-1011092
Клапан редукционный насоса
16
252134-29
Болт М6х12
17
2141-1010062
Кронштейн маслоприемника в сборе
18
2141-1010010
Маслоприемник насоса в сборе
19
15896211
Гайка М6
20
11197473
Шайба 6 специальная
21
2141-1010053
Прокладка
Содержащиеся в справочниках-каталогах запасные части и детали не предлагаются к продаже, а носят исключительно информационный характер
Дополнительная информация
×
Название:
Номер:
Примечание: