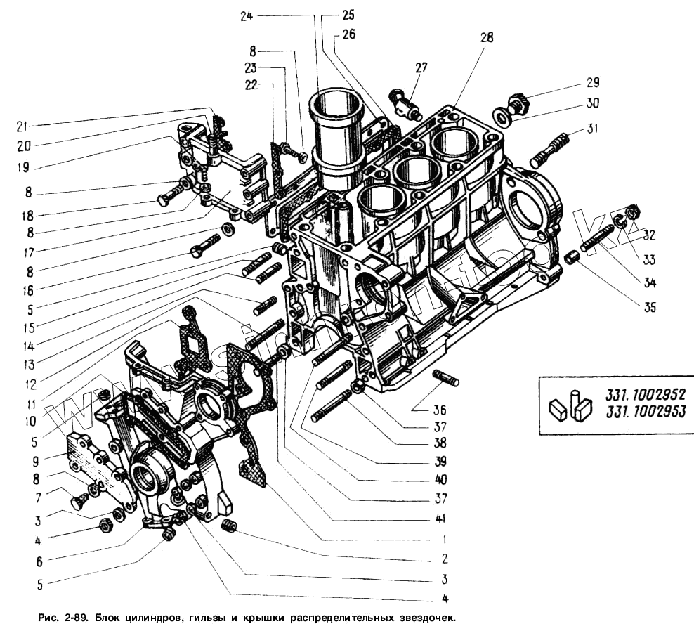
Каталог запасных частей к технике: АЗЛК Москвич-2141. Блок цилиндров, гильзы и крышки распределительных звездочек
331.1002952
331.1002953
1
2
3
3
4
4
5
5
5
6
7
8
8
8
8
8
10
12
13
14
15
16
17
18
19
20
21
22
23
24
25
26
27
28
29
30
31
32
33
34
35
36
37
37
38
39
40
41
| Позиция на иллюстрации | Заводской номер детали | Название детали | |
|---|---|---|---|
| 412-1002063-10 | 412-1002063-10 | Прокладка нижней крышки левая | |
| 3317.1002015 | 3317.1002015 | Блок цилиндров | |
| 412-1002074-Б | 412-1002074-Б | Прокладка крышки водяного канала | |
| 366740-29 | 366740-29 | Пробка К 3/8" | |
| 412-1002060-20 | 412-1002060-20 | Крышка распределительных звездочек нижняя | |
| 3317.1002952 | 3317.1002952 | Гильзы, поршни, пальцы, стопорные и поршневые кольца (комплект) на 1 двигатель | |
| 331.1002952 | 331.1002952 | Гильзы, поршни, пальцы, стопорные и поршневые кольца (комплект) на 1 двигатель | |
| 331.1002953 | 331.1002953 | Гильзы, поршни, пальцы, стопорные и поршневые кольца (комплект) | |
| 412-1002015-В1 | 412-1002015-В1 | Блок цилиндров (взаимозаменяемые с 412-1002010-50, 412-1002010-51, 412-1002015-В). Деталь отлита под давлением. | |
| 3317.1002010 | 3317.1002010 | Блок цилиндров в сборе | |
| 412-1002010-51 | 412-1002010-51 | Блок цилиндров в сборе (взаимозаменяемые с 412-1002010-50, 412-1002015-В, 412-1002015-В1) | |
| 412-1002010-50 | 412-1002010-50 | Блок цилиндров в сборе(взаимозаменяемые с 412-1002010-51, 412-1002015-В, 412-1002015-В1) | |
| 3317.1002021-01 | 3317.1002021-01 | Гильза цилиндров | |
| 3317.1002953 | 3317.1002953 | Гильзы, поршни, пальцы, стопорные и поршневые кольца (комплект) | |
| 1 | 331.1002063 | Прокладка нижней крышки левая | |
| 2 | 367104 | Пробка К 3/8" | |
| 3 | 252005-29 | Шайба 8 | |
| 4 | 250511-29 | Шайба 8 пружинная | |
| 5 | 367103 | Пробка К 1/4" | |
| 6 | 331.1002060 | Крышка распределительных звездочек нижняя | |
| 7 | 201422-29 | Болт М6х25 | |
| 8 | 252004-29 | Шайба 6 | |
| 10 | 331.1002074 | Прокладка крышки | |
| 12 | 363070-29 | Шпилька М8х85 | |
| 13 | 363064-29 | Шпилька М8х25 | |
| 14 | 363076-29 | Шпилька М8х1х28 | |
| 15 | 363066-29 | Шпилька М8х48 | |
| 16 | 200221-29 | Болт М6х60 | |
| 17 | 412-1002054 | Крышка распределительных звездочек верхняя | |
| 18 | 201432-29 | Болт М6х50 | |
| 19 | 201424-29 | Болт М6х30 | |
| 20 | 363077-29 | Шпилька М6х38 | |
| 21 | 412-1002056 | Прокладка верхней крышки правая | |
| 22 | 412-1002055 | Прокладка верхней крышки левая | |
| 23 | 201417-29 | Болт М6х14 | |
| 24 | 331.1002021 | Гильза цилиндров | |
| 25 | 412-1002084 | Крышка люка водяной рубашки блока цилиндров | |
| 26 | 412-1002085 | Прокладка крышки люка водяной рубашки | |
| 27 | 412-8101290-01 | Угольник подводящего шланга к отопителю | |
| 28 | 412-1002015-В | Блок цилиндров (взаимозаменяемые с 412-1002010-50, 412-1002010-51, 412-1002015-В1).Деталь отлита в кокиль. | |
| 29 | 366725 | Пробка М24х1,5 | |
| 30 | 365173 | Шайба 27 | |
| 31 | 363130-29 | Шпилька М10х1,25х65 | |
| 32 | 250517-29 | Гайка М10х1,25 | |
| 33 | 365505-29 | Шайба 10,5 коническая | |
| 34 | 363131-29 | Шпилька М10х1,25х70 | |
| 35 | 361981 | Штифт 16,5х15 | |
| 36 | 363084-29 | Шпилька М8х1х16 | |
| 37 | 361980 | Штифт 12х11 | |
| 38 | 363069-29 | Шпилька М8х80 | |
| 39 | 363067-29 | Шпилька М8х70 | |
| 40 | 363068-29 | Шпилька М8х75 | |
| 41 | 363065-29 | Шпилька М8х35 |
Содержащиеся в справочниках-каталогах запасные части и детали не предлагаются к продаже, а носят исключительно информационный характер