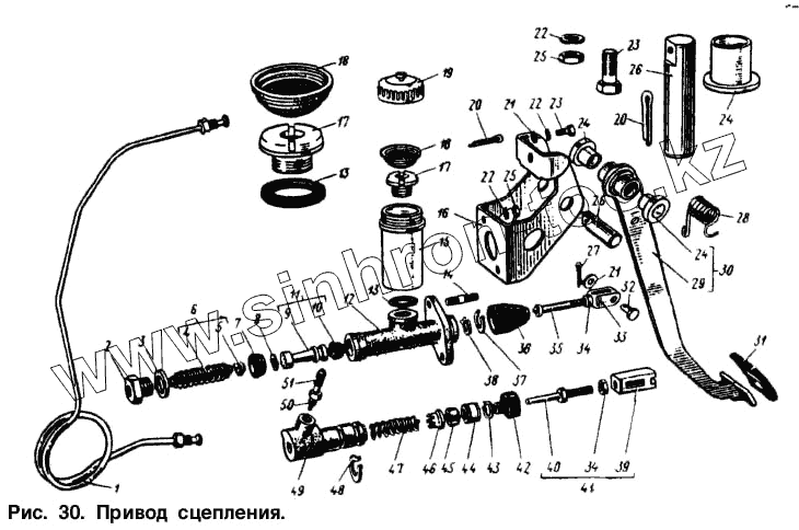
Каталог запасных частей к технике: АЗЛК Москвич-2140. Привод сцепления
1
2
3
4
5
6
7
8
9
10
11
12
13
13
14
15
16
17
17
18
18
19
20
20
21
21
22
22
22
23
23
24
24
24
25
25
26
26
27
28
29
30
31
32
33
34
34
35
36
37
38
39
40
41
42
43
44
45
46
47
48
49
50
51
| Позиция на иллюстрации | Заводской номер детали | Название детали | |
|---|---|---|---|
| 408-3505950 | 408-3505950 | Толкатель поршня главного цилиндра (комплект) | |
| 412-1602510-01 | 412-1602510-01 | Рабочий цилиндр привода сцепления в сборе | |
| 1 | 412-1602590 | Трубка привода включения сцепления в сборе | |
| 2 | 403-1609017 | Штуцер главного цилиндра привода выключения сцепления | |
| 3 | 402-3505018-01 | Прокладка штуцера | |
| 4 | 403-3505032 | Пружина главного цилиндра | |
| 5 | 402-3505037 | Держатель возвратной пружины поршня главного цилиндра привода выключения сцепления | |
| 6 | 403-3505031 | Пружина в сборе | |
| 7 | 402-3505035 | Манжета уплотнительная | |
| 8 | 402-3505030 | Клапан поршня главного цилиндра тормоза | |
| 9 | 403-3505029 | Поршень главного цилиндра | |
| 10 | 403-3505033 | Манжета поршня главного цилиндра привода выключения сцепления уплотнительная наружная | |
| 11 | 403-3505028 | Поршень главного цилиндра в сборе | |
| 12 | 403-1609016 | Корпус главного цилиндра | |
| 13 | 403-3505117-А1 | Прокладка штуцера бачка тормоза | |
| 14 | 3630988-02 | Шпилька М8х18 | |
| 15 | 403-3505108-Б | Корпус бачка | |
| 16 | 408-1602078 | Кронштейн педали сцепления | |
| 17 | 403-3505115 | Штуцер бачка | |
| 18 | 403-3505126-01 | Сетка бачка в сборе | |
| 19 | 403-3505110 | Крышка бачка | |
| 20 | 258053 | Шплинт 4х25 | |
| 21 | 252005-29 | Шайба 8 | |
| 21 | 252005-29 | Шайба 8 | |
| 22 | 252135-29 | Шайба 8 пружинная | |
| 23 | 201455-29 | Болт М8х18 | |
| 24 | 403Ю-1602017 | Втулка ступицы | |
| 25 | 250511-29 | Шайба 8 пружинная | |
| 26 | 403-1602055 | Ось педали | |
| 27 | 257039-29 | Шплинт 3,2х20 | |
| 28 | 403-1602094-Б | Пружина оттяжная педали сцепления | |
| 29 | 403-1602015 | Педаль сцепления | |
| 30 | 403-1602010 | Педаль сцепления с втулками в сборе | |
| 31 | 403-1602048 | Накладка площадки педали | |
| 32 | 260034-29 | Палец толкателя М8х25 | |
| 33 | 408-3505064 | Вилка толкателя поршня главного цилиндра | |
| 34 | 250510-29 | Гайка М8 | |
| 34 | 250510-29 | Гайка М8 | |
| 35 | 408-3505062 | Толкатель | |
| 36 | 403-3505065 | Колпак защитный | |
| 37 | 403-3505038 | Кольцо стопорное | |
| 38 | 403-3505048-Б | Шайба упорная | |
| 39 | 412-1602524 | Наконечник толкателя вилки | |
| 40 | 412Э-1602521 | Толкатель вилки | |
| 41 | 412Э-1602520-01 | Толкатель вилки выключения сцепления в сборе | |
| 42 | 403-1602519-01 | Колпак защитный | |
| 43 | 403-1602518 | Кольцо стопорное | |
| 44 | 403-1602514 | Поршень цилиндра | |
| 45 | 402-3501051 | Манжета уплотнительная поршня | |
| 46 | 408-1602515 | Грибок распорный манжеты | |
| 47 | 408-1602517 | Пружина цилиндра | |
| 48 | 412-1602525 | Кольцо стопорное цилиндра | |
| 49 | 412-1602512-01 | Рабочий цилиндр привода | |
| 50 | 403-3501064 | Клапан перепускной | |
| 51 | 402-3501065 | Колпачок клапана |
Содержащиеся в справочниках-каталогах запасные части и детали не предлагаются к продаже, а носят исключительно информационный характер