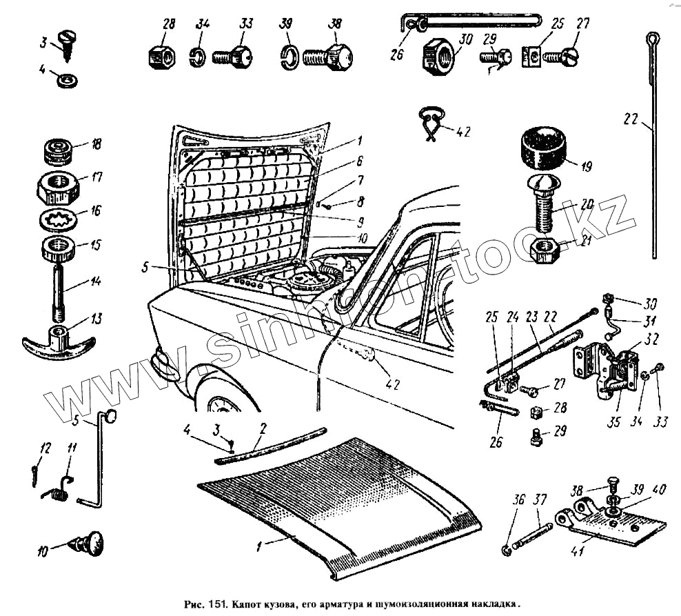
Каталог запасных частей к технике: АЗЛК Москвич-2140. Капот кузова, его арматура и шумоизоляционная накладка
1
1
2
3
3
4
4
5
5
6
7
8
9
10
10
11
12
13
14
15
16
17
18
19
20
21
22
22
23
24
25
25
26
26
27
27
28
28
29
29
30
30
31
32
33
33
34
34
35
36
37
38
38
39
39
40
41
42
42
| Позиция на иллюстрации | Заводской номер детали | Название детали | |
|---|---|---|---|
| 408-8406122 | 408-8406122 | Оболочка | |
| 412-8402020-01 | 412-8402020-01 | Капот в сборе(Только для запасных частей) | |
| 365002-08 | 365002-08 | Шайба 4,7 | |
| 365062-29 | 365062-29 | Шайба 3,5 | |
| 408-8406115 | 408-8406115 | Тяга привода с шайбой в сборе | |
| 408-8406126 | 408-8406126 | Тяга аварийного привода | |
| 400-1108113-Б | 400-1108113-Б | Трубка в сборе | |
| 408-8406058 | 408-8406058 | Пружина рычага замка | |
| 408-8406114 | 408-8406114 | Тяга привода замка капота в сборе | |
| 1 | 412-8402020 | Капот в сборе | |
| 2 | 408-8402056 | Уплотнитель капота задний | |
| 3 | 240818-08 | Шуруп 4х12 | |
| 4 | 252002-29 | Шайба 4 | |
| 5 | 412-8407110 | Упор капота в сборе | |
| 6 | 412-8412010 | Накладка шумоизоляционная капота в сборе | |
| 7 | 252133-29 | Шайба 5 пружинная | |
| 8 | 220078-29 | Винт М5х12 | |
| 9 | 412-8412024 | Дуга накладки капота | |
| 10 | 412-8412030 | Пистон крепления накладки капота | |
| 11 | 408-8407114 | Пружина упора капота | |
| 12 | 258012 | Шплинт 2х12 | |
| 13 | 425-8402660-А | Ручка тяги привода замка капота | |
| 14 | 400-1108108-А | Трубка тяги привода замка капота | |
| 15 | 400-1108117-Б | Кольцо запорное оболочки тяги привода | |
| 16 | 252177-29 | Шайба 12 пружинная | |
| 17 | 362056-29 | Гайка М12х1,25 | |
| 18 | 400-1108119 | Втулка | |
| 19 | 408-8402052-01 | Буфер капота задний | |
| 20 | 360164-08 | Болт М8х3О | |
| 21 | 250510-29 | Гайка М8 | |
| 22 | 408-8406116 | Тяга привода замка капота | |
| 23 | 408-8406120 | Оболочка тяги привода замка капота в сборе | |
| 24 | 408-8406128 | Скоба | |
| 25 | 251084-29 | Гайка М5 | |
| 26 | 408-8406124 | Тяга аварийного привода замка капота в сборе | |
| 27 | 224597-29 | Винт М5х10 | |
| 28 | 362036-29 | Гайка М5 | |
| 29 | 360161-29 | Болт М5х9 | |
| 30 | 250512-29 | Гайка М10 | |
| 31 | 408-8406032-01 | Защелка замка капота | |
| 32 | 408-8406010 | Замок капота в сборе | |
| 33 | 201416-29 | Болт М6х12 | |
| 34 | 252134-02 | Шайба 6 пружинная | |
| 35 | 408-8406024 | Пружина замка капота | |
| 36 | 412-3535030 | Шайба стопорная | |
| 37 | 412-8407018 | Ось петли капота | |
| 38 | 201455-29 | Болт М8х18 | |
| 39 | 252135-02 | Шайба 8 пружинная | |
| 40 | 252038-29 | Шайба 8 | |
| 41 | 412-8407012 | Петля капота на кузове | |
| 42 | 408-8406110 | Привод замка капота в сборе |
Содержащиеся в справочниках-каталогах запасные части и детали не предлагаются к продаже, а носят исключительно информационный характер