Вернуться на главную
Поиск
Каталоги запчастей к технике
Легковые автомобили
АЗЛК
Москвич-2137
Омыватель ветрового стекла
Каталог запасных частей к технике: АЗЛК Москвич-2137. Омыватель ветрового стекла
zoom-in
zoom-out
enlarge
shrink
circle-right
circle-left
file-text2
info
cart
Тип техники
Не выбрано
Легковые автомобили
Грузовые автомобили и прицепы
Автобусы
Сельхозтехника
Спецтехника
Двигатели
Мототехника
Марка
Не выбрано
BYD
Chevrolet
Daewoo
Geely
Great Wall
Hyundai
Lifan
Tata
АЗЛК
ВАЗ
ГАЗ
ЗАЗ
ЗИЛ
ИЖ
ЛуАЗ
РАФ
УАЗ
Модель
Не выбрано
Москвич 412
Москвич-2137 (1977)
Москвич-2140 (1977)
Москвич-2141 (1998)
Москвич-2335 (1998)
Москвич-2734 (1998)
Москвич-400-420
Москвич-407
Схема
>
Не выбрано
Кузов в сборе
Крышки люков кузова и коврики пола
Коврики пола (формованные)
Пол багажника кузова "универсал"
Термошумоизоляционные накладки пола кузова
Детали ветрового и заднего окон кузова
Стеклоочиститель и его привод
Выключатель стеклофароочистителей и омывателей
Омыватель ветрового стекла
Омыватель фар
Панель приборов кузова
Ящик вещевой
Крышки вентиляционных люков передка кузова и рычаги управления ими
Термошумоизоляционные панели передка кузова (съемные)
Обивка и термошумоизоляционные панели (съемные) боковины кузова
Крышка багажника с петлями, обивка и термошумоизоляционные панели (съемные) багажника автомобиля с кузовом седан
Замок, ручка и привод замка крышки багажника
Обивка багажника отделения кузовов "универсал" и "фургон"
Детали системы вытяжной вентиляции кузова
Обивка и термошумоизоляционные панели (съемные) крыши (потолка) кузова
Передняя дверь кузова
Поворотное стекло передней двери кузова
Опускное стекло и стеклоподъемник передней двери кузова
Замок и ручка передней двери кузова
Петли, ограничитель открытия и уплотнение передней двери кузова
Задняя дверь кузова "седан"
Задняя дверь кузова "универсал"
Угловые и опускные стекла дверей и стеклоподъемник задней двери автомобилей с кузовами "седан" и "универсал"
Замок и ручки задней двери кузова "седан" и "универсал"
Петли, ограничитель открытия и уплотнения задней двери кузовов "седан" и "универсал"
Дверь (и окно двери) задка и отражатель света кузовов "универсал" и "фургон"
Замок и ручка двери задка кузовов "универсал" и "фургон"
Петли и уплотнение зазора петель кузовов "универсал" и "фургон"
Передние сиденья кузова и подлокотник
Заднее сиденье кузова "седан" и подлокотник
Заднее сиденье кузова "универсал" и подлокотник
Отопитель кузова и обогреватель ветрового стекла
Детали отопителя кузова и обогревателя ветрового стекла
Вентилятор с электродвигателем отопителя кузова и обогревателя ветрового стекла
Воздухозаборник системы приточной вентиляции кузова
Воздуходув системы приточной вентиляции кузова
Принадлежности кузова
Зеркало наружное автомобиля с кузовом "фургон"
Пепельница с прикуривателем
Надписи модели автомобиля
Декоративные накладки кузова
Ремни безопасности
Капот кузова, его арматура и шумоизоляционная накладка
Переднее крыло кузова и детали его крепления
Облицовки радиатора и задка и детали их крепление к кузову
Фартук заднего крыла и задние крылья
Силовой агрегат автомобилей "Москвич 1500"
Детали крепления силового агрегата
Блок и гильза цилиндров двигателя
Головка блока цилиндров двигателя и пробка маслоналивного патрубка с фильтром вентиляции картера
Поршень и шатун
Коленчатый вал, вкладыши коренных подшипников и маховик
Газораспределительный механизм
Впускной и выпускной трубопроводы
Масляный картер и указатель уровня масла
Масляный насос и его маслоприемник
Фильтр масляный полнопоточный
Топливный бак и пробка его наполнительной горловины
Приемная трубка топливного бака с фильтром и топливные трубопроводы
Топливный насос
Карбюратор К126Н
Детали карбюратора К126Н
Карбюратор 412-2101
Детали карбюратора 412-2101
Привод управления дроссельной и воздушной заслонками карбюратора
Воздушный фильтр карбюратора К126Н
Воздушный фильтр карбюратора 412-2101
Глушитель шума отработавших газов и его подвеска
Приемная трубка глушителя шума отработавших газов и ее подвеска
Радиатор (с пробкой горловины), жалюзи, расширительный бачок и детали их крепления
Трубопроводы и шланги системы охлаждения двигателя с термостатом ТС103 типа ВАЗ
Трубопроводы и шланги системы охлаждения двигателя с термостатом ТБ-1
Водяной насос (центробежный), вентилятор и приводной ремень системы охлаждения двигателя
Сцепление
Привод сцепления
Коробка передач
Механизм переключения передач коробки передач
Привод переключения передач
Карданный вал и его шарниры
Задний мост (главная передача, дифференциал, полуоси и картеры)
Поперечина №2 и детали ее крепления
Рама (подмоторная), брызговики крыльев и полка облицовки радиатора со щитами
Брызговики двигателя и детали их крепления
Передний и задний буферы с клыками и детали их крепления
Кронштейн заднего номерного знака для автомобиля с кузовом "седан"
Подвеска передняя с тормозами, амортизаторами и рулевыми тягами
Нижний рычаг, ось, пружина и шарнир передней подвески
Верхний шаровой шарнир стойки и верхний рычаг с осью передней подвески
Амортизатор передней подвески и детали его крепления
Стабилизатор поперечной устойчивости автомобиля и детали его крепления
Задняя подвеска в сборе и детали ее крепления
Рессора задней подвески и детали ее крепления
Амортизатор задней подвески
Поворотные рычаги и рулевые тяги автомобиля с левым расположением рулевой колонки
Колесо, декоративный колпак и декоративная вставка
Ступица переднего колеса
Держатель запасного колеса
Покрышка, камера и вентиль
Рулевая колонка с переключателем указателей поворота и переключателем света
Тормоз переднего колеса дисковый
Тормоз переднего колеса барабанный
Тормоз заднего колеса барабанный
Колесный цилиндр гидропривода тормоза переднего колеса для барабанных тормозов
Колесный цилиндр гидропривода тормоза заднего колеса
Педаль тормоза и выключатель света сигнала "Стоп"
Главный цилиндр гидропривода тормоза
Трубопроводы гидравлического привода системы со смешанной конструкцией тормозов
Трубопроводы гидравлического привода тормоза барабанного типа
Управление стояночным тормозом и выключатель контрольный лампы
Усилитель тормоза вакуумный
Сигнальное устройство в гидроприводе тормозов
Регулятор давления в гидроприводе тормозов задних колес
Генератор и детали его крепления
Реле-регулятор
Аккумуляторная батарея и ее крепление на автомобиле
Выключатель (замок) зажигания, выключатель стартера и детали его крепления
Катушка, свечи зажигания и соединительные провода
Распределитель зажигания и его привод
Стартер
Выключатель наружного освещения и освещение шкал на щитке приборов
Фара
Подфарник
Плафон внутреннего освещения кузова
Патрон лампы освещения багажника автомобиля с кузовом "седан"
Дверной выключатель плафона внутреннего освещения
Подкапотная лампа
Задний сигнальный фонарь автомобиля с кузовом "седан"
Задний сигнальный фонарь автомобиля с кузовами "универсал" и "фургон"
Фонарь освещения дороги при заднем ходе автомобиля с кузовом "седан"
Реле переключения режимов световой сигнализации в отсеках задних фонарей
Фонарь освещения дороги при заднем ходе автомобиля с кузовами "универсал" и "фургон"
Фонарь освещения номерного знака
Фонарь света стоянки
Переключатель обогрева заднего стекла и контрольная лампа
Звуковые сигналы, реле включения сигналов и детали их крепления на автомобиле
Блок плавких предохранителей
Дополнительный блок плавких предохранителей
Электропроводка и соединители
Прерыватель указателя поворотов
Выключатель света стоянки
Выключатель аварийной сигнализации
Кронштейн для крепления реле
Стеклоочиститель фар и его привод
Комбинация приборов
Радиоприемник и громкоговоритель
Антенна радиоприемника
Инструмент и принадлежности
Схема расположения подшипников качения в агрегатах шасси автомобилей "Москвич 1500"
Основные габаритные размеры автомобиля
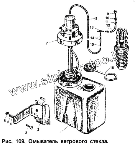
1
1
2
3
4
5
6
7
8
9
10
11
12
13
13
14
15
16
Позиция на иллюстрации
Заводской номер детали
Название детали
412-5208066
412-5208066
Шланг выпускной в сборе
400-3724058
400-3724058
Втулка
1
412-5208102
Бачок омывателя с электродвигателем в сборе
1
11-5208200
Бачок омывателя в сборе
2
412-5208180-10
Кронштейн бачка омывателя в сборе
3
201417-29
Болт М6х14
4
252037-29
Шайба 6 увеличенная
5
252134-29
Болт М6х12
6
250508-29
Гайка
7
11-5208100
Насос с электродвигателем в сборе
8
412-5208098-20
Шланг выпускной диаметр 5х7,5
9
412-5208060
Жиклер омывателя в сборе
10
412-5208088
Втулка жиклера
11
412-5208112
Кольцо втулки жиклера
12
412-5208109
Трубка от тройника к жиклеру правая
13
412-5208086-10
Тройник омывателя
14
412-5208108
Шланг 04,5х8,5 от клапана к тройнику
15
412-5208082
Клапан омыватсля в сборе
16
1781102
Пробка
Содержащиеся в справочниках-каталогах запасные части и детали не предлагаются к продаже, а носят исключительно информационный характер
Дополнительная информация
×
Название:
Номер:
Примечание: