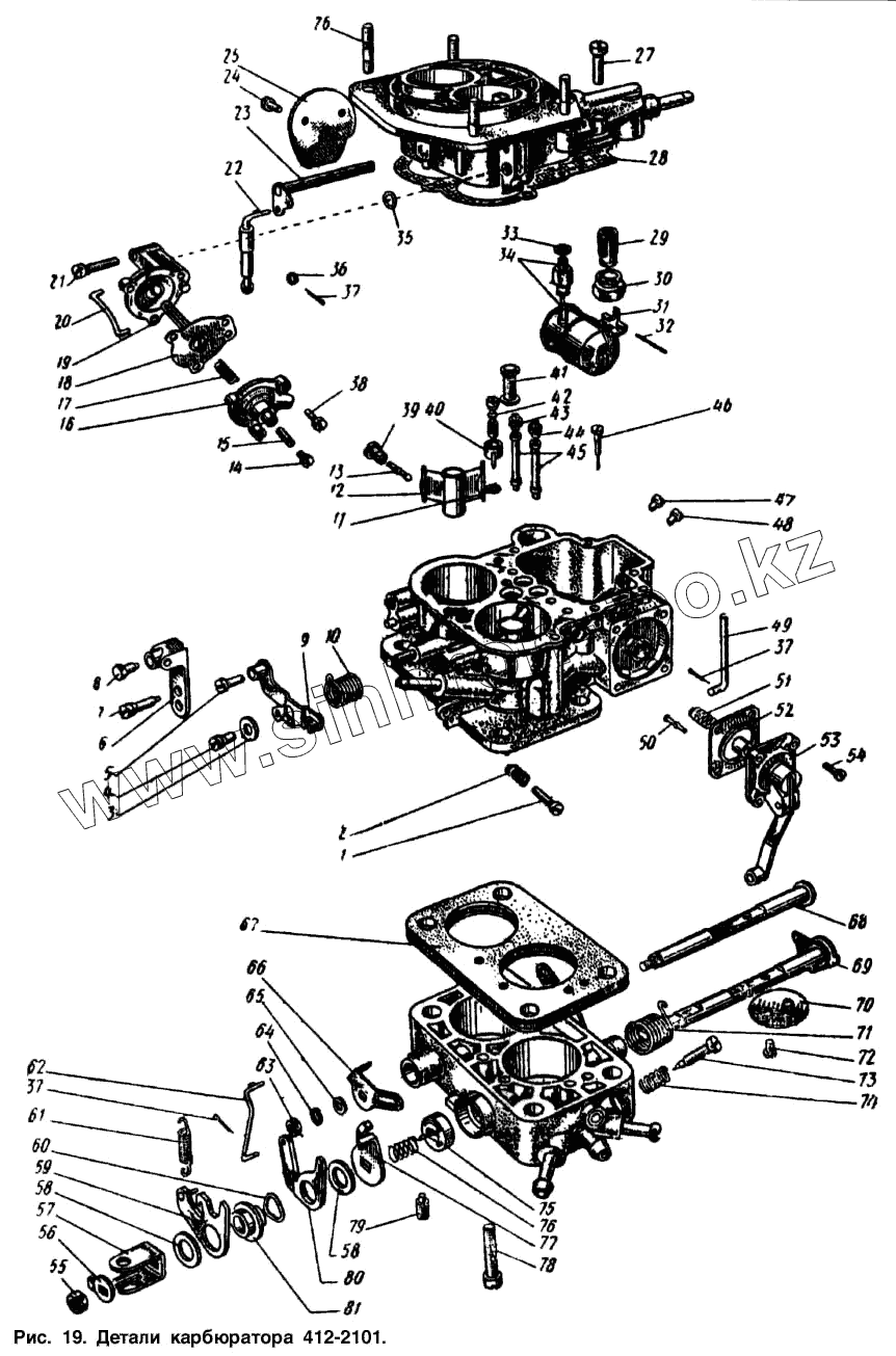
Каталог запасных частей к технике: АЗЛК Москвич-2137. Детали карбюратора 412-2101
1
2
3
4
5
6
7
8
9
10
11
12
13
14
15
16
17
18
19
20
21
22
23
24
25
26
27
28
29
30
31
32
33
34
35
36
37
37
37
38
39
40
41
42
43
44
45
46
47
48
49
50
51
52
53
54
55
56
57
58
58
59
60
61
62
63
64
65
66
67
68
69
70
71
72
73
74
75
76
77
78
79
80
81
| Позиция на иллюстрации | Заводской номер детали | Название детали | |
|---|---|---|---|
| 1 | 2101-1107117 | Винт фиксирующий | |
| 2 | 2101-1107119 | Пружина фиксирующего винта | |
| 3 | 2101-1107648 | Шайба рычага | |
| 4 | 2101-1107898 | Винт крепления рычага с шайбой в сборе | |
| 5 | 2101-1107649 | Винт М4х10,5 | |
| 6 | 2101-1107663 | Кронштейн оболочки тяги воздушной заслонки | |
| 7 | 2101-1107890 | Винт крепления кронштейна с шайбой в сборе | |
| 8 | 2101-1107664 | Винт | |
| 9 | 2101-1107642 | Рычаг управления воздушной заслонкой в сборе | |
| 10 | 2101-1107635 | Пружина рычага | |
| 11 | 2101-1107386 | Прокладка жиклера насоса ускорителя | |
| 12 | 2101-1107410 | Распылитель смеси первой камеры в сборе | |
| 13 | 2101-1107334 | Жиклер топливный холостого хода | |
| 14 | 2101-1107052 | Пробка крышки | |
| 15 | 2101-1107131 | Винт стопорный М5х12,5 | |
| 16 | 2101-1107045 | Крышка корпуса | |
| 17 | 2101-1107049 | Пружина диафрагмы | |
| 18 | 2101-1107046 | Диафрагма в сборе | |
| 19 | 2101-1107041 | Корпус пускового устройства с жиклером в сборе | |
| 20 | 2101-1107647 | Тяга пневмопривода | |
| 21 | 2101-1107896 | Винт М4х0,7х25 с шайбой в сборе | |
| 22 | 2101-1107615 | Тяга управления воздушной заслонкой в сборе | |
| 23 | 2101-1107630 | Ось воздушной заслонки в сборе | |
| 24 | 2101-1107625 | Винт | |
| 25 | 2101-1107624 | Заслонка воздушная | |
| 26 | 2101-1107611 | Шпилька М5х0,8х23 | |
| 27 | 2101-1107894 | Винт М5х0,8х20 с шайбой в сборе | |
| 28 | 2101-1107606 | Прокладка крышки | |
| 29 | 2101-1107710 | Фильтр топливный в сборе | |
| 30 | 2101-1107712 | Пробка М16х1,5 фильтра | |
| 31 | 2101-1107740 | Поплавок в сборе | |
| 32 | 2101-1107749 | Ось поплавка | |
| 33 | 2101-1107737 | Прокладка клапана | |
| 34 | 2101-1107730 | Клапан топливный в сборе | |
| 35 | 2101-1107018 | Прокладка | |
| 36 | 2101-1107058 | Шайба тяги | |
| 37 | 2101-1107905 | Шплинт | |
| 38 | 2101-1107892 | Винт М4х0,7х14,8 с шайбой в сборе | |
| 39 | 2101-1107328 | Пробка жиклера | |
| 40 | 2101-1107385 | Жиклер топливный ускорительного насоса в сборе | |
| 41 | 2101-1107570 | Клапан разбалансировочный в сборе | |
| 42 | 2101-1107370 | Клапан распылителя ускорительного насоса в сборе | |
| 43 | 2101-1107317 | Главный воздушный жиклер II камеры | |
| 44 | 2101-1107316 | Жиклер воздушный главной системы первой камеры | |
| 45 | 2101-1107343 | Трубка эмульсионная | |
| 46 | 2101-1107383 | Винт регулировки подачи топлива ускорительным насосом | |
| 47 | 2101-1107338 | Главный топливный жиклер II камеры | |
| 48 | 2101-1107336 | Главный топливный жиклер I камеры | |
| 49 | 2101-1107577 | Тяга разбалансировочного клапана | |
| 50 | 2101-1107324 | Жиклер топливный холостого хода | |
| 51 | 2101-1107378 | Пружина диафрагмы | |
| 52 | 2101-1107367 | Диафрагма ускорительного насоса в сборе | |
| 53 | 2101-1107375 | Крышка ускорительного насоса в сборе | |
| 54 | 2101-1107789 | Винт насоса ускорителя | |
| 55 | 2101-1107904 | Гайка М7х1 | |
| 56 | 2101-1107104 | Шайба стопорная | |
| 57 | 2101-1107100 | Рычаг дроссельной заслонки | |
| 58 | 2101-1107105 | Шайба 7,1 | |
| 59 | 2101-1107150 | Рычаг дроссельной заслонки в сборе | |
| 60 | 2101-1107132 | Шайба 10,5 пружинная | |
| 61 | 2101-1107142 | Пружина рычага | |
| 62 | 2101-1107645 | Тяга соединительная | |
| 63 | 2101-1107411 | Гайка валика | |
| 64 | 2101-1107084 | Шайба 5,3 пружинная | |
| 65 | 2101-1107147 | Шайба проставочная | |
| 66 | 2101-1107146 | Рычаг дроссельной заслонки | |
| 67 | 2101-1107014 | Прокладка теплоизоляционная в сборе | |
| 68 | 2101-1107130 | Ось дроссельной заслонки второй камеры в сборе | |
| 69 | 2101-1107080 | Ось дроссельной заслонки I камеры в сборе | |
| 70 | 2101-1107066 | Дроссельная заслонка второй камеры | |
| 71 | 2101-1107089 | Пружина оси | |
| 72 | 2101-1107067 | Винт дроссельной заслонки | |
| 73 | 2101-1107118 | Винт холостого хода | |
| 74 | 2101-1107119 | Пружина фиксирующего винта | |
| 75 | 2101-1107035 | Золотник в сборе | |
| 76 | 2101-1107031 | Пружина клапана отсоса картерных газов | |
| 77 | 2101-1107116 | Рычаг валика | |
| 78 | 2101-1107900 | Винт смесительной камеры | |
| 79 | 2101-1107131 | Винт стопорный М5х12,5 | |
| 80 | 2101-1107106 | Рычаг системы пуска | |
| 81 | 2101-1107107 | Втулка рычага привода дроссельной заслонкой второй камеры |
Содержащиеся в справочниках-каталогах запасные части и детали не предлагаются к продаже, а носят исключительно информационный характер