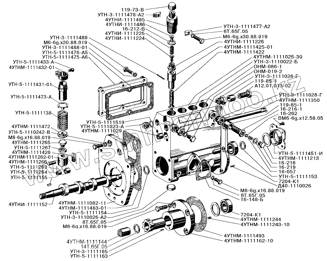
Каталог запасных частей к технике: ЗИЛ-5301 (2006). Топливный насос высокого давления 4УТНИ-1111010
4УТНМ-1111483-01
4УТНИ-1111226
УТН-5-1111263
4УТНМ-1111350
4УТНИ-1111225
4УТНМ-1111243-10
УГН-5-1111138
16-057
УТН-5-1111154
ОНМ-086-1
УТН-5-1111451-И
4УТНМ-1111493
4УТНМ-1111213
УТН-5-1111476-А5
16-148-Б
16-212-В
16-219
УТН-3-1111026-А2
УГН-5-1111023-А
16-218
6Т.65Г.05
6Т.65Г.05
4УТНИ-1111485
УТН-3-1111489
Д40-1110026
УТН-5-1111155
16-262
УТН-3-1111488-01
УТН-5-1110242-В
УТН-5-1111153
8Т.65Г.05
7204-К1
7204-К1
14Т.65Г.05
УТН-3-1111028-Г
УТН-3-1111028-Г
УТН-3-1110022-Б
4УТНМ-1111162-10
4УТНМ-1111426
4УТНМ-1111472
УТН-5-1111473-А
ВМ6-6gх12.58.05
4УТНМ-1111144
4УТНИ-1111486
4УТНМ-1111425-01
4УТНМ-1111029
УТН-5-1111431-01
УТН-5-1111264
УТН-3-1111165
119-85-1
119-85-1
УТН-5-1111433-А
УТН-5-1111163
4УТНМ-1111432-01
4УТНИ-1111152
ОНМ-019-2
4УТНМ-1111265
М8-6gх16.88.019
М8-6gх16.88.019
М8-6gх16.88.019
М6-6gх30.88.019
М6-6gх20.88.019
4УТНМ-1111025-30
4УТНМ-1111422
4УТНМ-1111082-11
4УТНМ-1111244
4УТНМ-1111266
4УТНИ-1111010
УТН-5-1111475-А6
4УТНМ-1111262-01
А12.01.013-02
16-216-1
УТН-5-1111267
УГН-5-1111519
119-73-В
4УТНИ-1111224
УТН-3-1111478-А2
УТН-3-1111477-А2
| Позиция на иллюстрации | Заводской номер детали | Название детали | |
|---|---|---|---|
| 4УТНМ-1111483-01 | 4УТНМ-1111483-01 | Прокладка | |
| 4УТНИ-1111226 | 4УТНИ-1111226 | Седло | |
| УТН-5-1111263 | УТН-5-1111263 | Ролик | |
| 4УТНМ-1111350 | 4УТНМ-1111350 | Рейка | |
| 4УТНИ-1111225 | 4УТНИ-1111225 | Пружина | |
| 4УТНМ-1111243-10 | 4УТНМ-1111243-10 | Пружина | |
| УГН-5-1111138 | УГН-5-1111138 | Пружина | |
| 16-057 | 16-057 | Пружина клапана | |
| УТН-5-1111154 | УТН-5-1111154 | Прокладка регулировочная | |
| ОНМ-086-1 | ОНМ-086-1 | Прокладка | |
| УТН-5-1111451-И | УТН-5-1111451-И | Стакан | |
| 4УТНМ-1111493 | 4УТНМ-1111493 | Прокладка | |
| 4УТНМ-1111213 | 4УТНМ-1111213 | Прокладка | |
| УТН-5-1111476-А5 | УТН-5-1111476-А5 | Прокладка | |
| 16-148-Б | 16-148-Б | Прокладка | |
| 16-212-В | 16-212-В | Прокладка | |
| 16-219 | 16-219 | Прокладка | |
| УТН-3-1111026-А2 | УТН-3-1111026-А2 | Пробка | |
| УГН-5-1111023-А | УГН-5-1111023-А | Пробка | |
| 16-218 | 16-218 | Пробка | |
| 6Т.65Г.05 | 6Т.65Г.05 | Шайба | |
| 4УТНИ-1111485 | 4УТНИ-1111485 | Штуцер | |
| УТН-3-1111489 | УТН-3-1111489 | Штифт | |
| Д40-1110026 | Д40-1110026 | Штифт | |
| УТН-5-1111155 | УТН-5-1111155 | Шпонка | |
| 16-262 | 16-262 | Шарик | |
| УТН-3-1111488-01 | УТН-3-1111488-01 | Шайба | |
| УТН-5-1110242-В | УТН-5-1110242-В | Шайба | |
| УТН-5-1111153 | УТН-5-1111153 | Шайба | |
| 8Т.65Г.05 | 8Т.65Г.05 | Шайба | |
| 7204-К1 | 7204-К1 | Подшипник | |
| 14Т.65Г.05 | 14Т.65Г.05 | Шайба | |
| УТН-3-1111028-Г | УТН-3-1111028-Г | Футорка | |
| УТН-3-1110022-Б | УТН-3-1110022-Б | Футорка | |
| 4УТНМ-1111162-10 | 4УТНМ-1111162-10 | Фланец | |
| 4УТНМ-1111426 | 4УТНМ-1111426 | Фиксатор | |
| 4УГНМ-1111090-01 | 4УГНМ-1111090-01 | Толкатель в сборе | |
| 4УТНМ-1111472 | 4УТНМ-1111472 | Тарелка | |
| УТН-5-1111473-А | УТН-5-1111473-А | Тарелка | |
| ВМ6-6gх12.58.05 | ВМ6-6gх12.58.05 | Винт | |
| 4УТНМ-1111144 | 4УТНМ-1111144 | Гайка | |
| 4УТНИ-1111486 | 4УТНИ-1111486 | Вытеснитель | |
| 4УТНМ-1111425-01 | 4УТНМ-1111425-01 | Втулка | |
| 4УТНМ-1111029 | 4УТНМ-1111029 | Втулка | |
| УТН-5-1111431-01 | УТН-5-1111431-01 | Втулка | |
| УТН-5-1111264 | УТН-5-1111264 | Втулка | |
| УТН-3-1111165 | УТН-3-1111165 | Втулка | |
| 119-85-1 | 119-85-1 | Втулка защитная | |
| УТН-5-1111433-А | УТН-5-1111433-А | Винт | |
| УТН-5-1111163 | УТН-5-1111163 | Заглушка | |
| 4УТНМ-1111432-01 | 4УТНМ-1111432-01 | Венец | |
| 4УТНИ-1111152 | 4УТНИ-1111152 | Вал кулачковый | |
| ОНМ-019-2 | ОНМ-019-2 | Болт | |
| 4УТНМ-1111265 | 4УТНМ-1111265 | Болт | |
| М8-6gх16.88.019 | М8-6gх16.88.019 | Болт | |
| М8-6gх30.88.05 | М8-6gх30.88.05 | Болт | |
| М6-6gх30.88.019 | М6-6gх30.88.019 | Болт | |
| М6-6gх20.88.019 | М6-6gх20.88.019 | Болт | |
| 4УТНМ-1111025-30 | 4УТНМ-1111025-30 | Корпус насоса | |
| 4УТНМ-1111410-01 | 4УТНМ-1111410-01 | Плунжерная пара в сборе | |
| 4УТНМ-1111422 | 4УТНМ-1111422 | Плунжер | |
| 4УТНМ-1111082-11 | 4УТНМ-1111082-11 | Плита | |
| 4УТНМ-1111244 | 4УТНМ-1111244 | Пластина | |
| 4УТНМ-1111266 | 4УТНМ-1111266 | Ось | |
| 4УТНИ-Т-1111005-50 | 4УТНИ-Т-1111005-50 | Насос топливный высокого давления с регулятором в сборе | |
| 4УТНИ-1111010 | 4УТНИ-1111010 | Насос топливный в сборе | |
| УТН-5-1111475-А6 | УТН-5-1111475-А6 | Крышка | |
| 4УТНМ-1111262-01 | 4УТНМ-1111262-01 | Корпус толкателя | |
| А12.01.013-02 | А12.01.013-02 | Болт поворотного угольника | |
| 16-216-1 | 16-216-1 | Корпус клапана | |
| УТН-5-1111267 | УТН-5-1111267 | Контргайка | |
| УГН-5-1111519 | УГН-5-1111519 | Кольцо | |
| 119-73-В | 119-73-В | Колпачок | |
| 4УТНИ-1111220 | 4УТНИ-1111220 | Клапан нагнетательный в сборе | |
| 4УТНИ-1111224 | 4УТНИ-1111224 | Клапан | |
| УТН-3-1111478-А2 | УТН-3-1111478-А2 | Зажим | |
| УТН-3-1111477-А2 | УТН-3-1111477-А2 | Зажим |
Содержащиеся в справочниках-каталогах запасные части и детали не предлагаются к продаже, а носят исключительно информационный характер