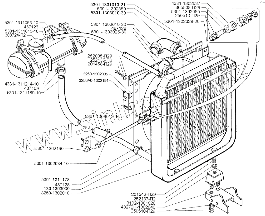
Каталог запасных частей к технике: ЗИЛ-5301 (2006). Система охлаждения дизеля Д-245.9Е2
305508-П29
5301-1311178
3250-1302035
5301-1302034-10
487109
487126
487128
487128
308724-П2
252005-П29
5301-1302350
252135-П2
252137-П2
5301-1303010-30
5301-1303010-30
5301-1303025-30
5301-1311053-10
4331-1311214-10
5301-1311189-10
130-1303030
43272Н-1302046
201542-П29
201458-П29
5301-1302065
250510-П29
250513-П29
5301-1309012-14
5301-1311010-10
3250А0-1302191
5301-1302190
3102-1001020
4331-1302037
5301-1302029-20
5301-1301010-21
3250-1302010
| Позиция на иллюстрации | Заводской номер детали | Название детали | |
|---|---|---|---|
| 305508-П29 | 305508-П29 | Шайба | |
| 5301-1311178 | 5301-1311178 | Труба перепускная | |
| 3250-1302035 | 3250-1302035 | Тяга радиатора с наконечником в сборе левая | |
| 5301-1302034-10 | 5301-1302034-10 | Тяга радиатора с наконечником в сборе | |
| 308786-П29 | 308786-П29 | Хомут | |
| 306799-П29 | 306799-П29 | Хомут | |
| 487107 | 487107 | Хомут | |
| 487109 | 487109 | Хомут | |
| 487126 | 487126 | Хомут | |
| 487128 | 487128 | Хомут | |
| 308724-П2 | 308724-П2 | Хомут | |
| 252005-П29 | 252005-П29 | Шайба | |
| 5301-1302350 | 5301-1302350 | Стяжка усилительная рамки подвески радиатора | |
| 252135-П2 | 252135-П2 | Шайба пружинная | |
| 252136-П2 | 252136-П2 | Шайба пружинная | |
| 252137-П2 | 252137-П2 | Шайба пружинная | |
| 5301-1303010-30 | 5301-1303010-30 | Шланг водяного патрубка отводящий | |
| 5301-1303025-30 | 5301-1303025-30 | Шланг водяного патрубка подводящий | |
| 5301-1311053-10 | 5301-1311053-10 | Шланг отвода жидкости из бачка в радиатор | |
| 5301-1311214 | 5301-1311214 | Шланг пароотводящей трубки | |
| 4331-1311214-10 | 4331-1311214-10 | Шланг пароотводящей трубки | |
| 5301-1311189-10 | 5301-1311189-10 | Шланг перепускной | |
| 130-1303030 | 130-1303030 | Шланг байпаса соединительный | |
| 43272Н-1302046 | 43272Н-1302046 | Кронштейн | |
| 201676-П | 201676-П | Болт | |
| 201678-П | 201678-П | Болт | |
| 201542-П29 | 201542-П29 | Болт | |
| 201458-П29 | 201458-П29 | Болт | |
| 5301-1302065 | 5301-1302065 | Втулка распорная | |
| 250510-П29 | 250510-П29 | Гайка | |
| 250511-П29 | 250511-П29 | Гайка | |
| 250513-П29 | 250513-П29 | Гайка | |
| 250517-П29 | 250517-П29 | Гайка | |
| 5301-1309012-14 | 5301-1309012-14 | Кожух вентилятора системы охлаждения | |
| 5301-1311010-10 | 5301-1311010-10 | Бачок расширительный системы охлаждения в сборе | |
| 3250А0-1302191 | 3250А0-1302191 | Кронштейн крепления тяги радиатора задний левый | |
| 5301-1302190 | 5301-1302190 | Кронштейн крепления тяги радиатора задний правый | |
| 3102-1001020 | 3102-1001020 | Подушка | |
| 4331-1302037 | 4331-1302037 | Подушка крепления радиатора | |
| 5301-1302029-20 | 5301-1302029-20 | Поперечина рамки подвески радиатора | |
| 4331-1311227 | 4331-1311227 | Прокладка хомута | |
| 5301-1301010-21 | 5301-1301010-21 | Радиатор системы охлаждения в сборе | |
| 32501-1301010 | 32501-1301010 | Радиатор системы охлаждения в сборе | |
| 3250-1302010 | 3250-1302010 | Рамка подвески радиатора | |
| 5301-1311182 | 5301-1311182 | Скоба крепления перепускной трубы |
Содержащиеся в справочниках-каталогах запасные части и детали не предлагаются к продаже, а носят исключительно информационный характер