Вернуться на главную
Поиск
Каталоги запчастей к технике
Грузовые автомобили и прицепы
ЗИЛ
ЗИЛ-5301 (2006)
Держатель запасного колеса
Каталог запасных частей к технике: ЗИЛ-5301 (2006). Держатель запасного колеса
zoom-in
zoom-out
enlarge
shrink
circle-right
circle-left
file-text2
info
cart
Тип техники
Не выбрано
Легковые автомобили
Грузовые автомобили и прицепы
Автобусы
Сельхозтехника
Спецтехника
Двигатели
Мототехника
Марка
Не выбрано
BAW
DAF
DongFeng
FAW
Foton
HOWO
Hyundai
IVECO
JAC Motors
LGMG
MAN
Shaanxi
SITRAK
Studebaker
Tata
Volvo
Автокомпонент Плюс
БелАЗ
Брянский Арсенал
ГАЗ
ЗИЛ
КАЗ
Камский автозавод
КрАЗ
Мадара
МАЗ
МЗКТ
МоАЗ
Нефтекамский автозавод
Ставропольский Завод АвтоПрицепов
ТАТРА
Тонар
УралАЗ
ЧМЗАП
Модель
Не выбрано
ЗИЛ-130 (1985)
ЗИЛ-131
ЗИЛ-133Г40 (Каталог 2003 года)
ЗИЛ-133ГЯ
ЗИЛ-133Д42 (Каталог 2003 года)
ЗИЛ-431410 (130)
ЗИЛ-431410 Каталог 1989 г. (1989)
ЗИЛ-431416 (1990)
ЗИЛ-43272Н, 43273Н (2004)
ЗИЛ-433100
ЗИЛ-433100 (Каталог 2003 года)
ЗИЛ-433110 (2003)
ЗИЛ-433360 (1995)
ЗИЛ-441517 Каталог 1987 г. (1987)
ЗИЛ-442160 (1995)
ЗИЛ-494560 (1995)
ЗИЛ-5301 (2000)
ЗИЛ-5301 (2006) (2006)
Схема
>
Не выбрано
Кузов автобуса
Установка фургона автобуса ЗИЛ-3250 и ЗИЛ-32501
Крепление кабины автомобиля ЗИЛ-5301
Кабина без дверей
Обмыв ветрового стекла
Панели щитка приборов
Крыша
Вентиляционный люк автобусов ЗИЛ-3250 и ЗИЛ-32501
Вентиляционный люк автомобиля ЗИЛ-5301
Установка сдвижного стекла
Установка люков боковин автобуса
Дверь кабины
Стеклоподъемник двери
Замок и ручка двери кабины и задней правой двери фургона
Установка привода двери
Установка сдвижной двери
Дверь распашная
Замок задней левой двери автобусов ЗИЛ-3250 и ЗИЛ-32501
Задняя дверь
Сиденье водителя
Механизм подрессоривания сиденья водителя
Амортизатор сиденья водителя
Сиденье двухместное автомобиля ЗИЛ-5301
Пассажирское сиденье автобусов ЗИЛ-3250 и ЗИЛ-32501
Установка отопителей салона автобусов ЗИЛ-3250 и ЗИЛ-32501
Отопитель салона автобусов ЗИЛ-3250 и ЗИЛ-32501
Трубопроводы системы отопления
Отопитель кабины
Привод управления отоплением
Воздуховоды отопителя кабины
Вентилятор отопителя кабины
Противосолнечные козырьки
Зеркало кабины
Оперение
Замок капота и его привод
Платформа автомобиля ЗИЛ-5301
Двигатель и его подвеска
Блок цилиндров, крышка распределительных шестерен
Головка блока цилиндров, клапаны и толкатели двигателя Д-245.12С
Головка блока цилиндров, клапаны и толкатели двигателя Д-245.9Е2
Поршень, шатун, коленчатый вал и маховик двигателя Д-245.12С
Поршень, шатун, коленчатый вал и маховик двигателя Д-245.9Е2
Распределительный механизм
Электрофакельный подогреватель дизеля Д-245.12С
Масляный картер
Масляный насос, приемник масляного насоса
Масляный фильтр (центрифуга) (вариант 1)
Установка масляного фильтра (вариант 2)
Установка масляного радиатора дизеля Д-245.12С
Установка масляного радиатора дизеля Д-245.9Е2
Выпускной газопровод
Насос рулевого усилителя двигателя Д-245.12С
Насос рулевого усилителя двигателя Д-245.9Е2
Установка пускового подогревателя на автомобиль ЗИЛ-5301
Установка пускового подогревателя на автобусы ЗИЛ-3250 и ЗИЛ-32501
Установка системы питания жидкостного подогревателя на автомобиль ЗИЛ-5301
Установка системы питания жидкостного подогревателя на автобусы ЗИЛ-3250 и ЗИЛ-32501
Воздухоподводящий тракт и маслопроводы турбокомпрессора
Установка топливоподающей аппаратуры на дизеле Д-245.9Е2
Установка топливоподающей аппаратуры на дизеле Д-245.12С
Топливный насос высокого давления 4УТНИ-1111010
Регулятор топливного насоса высокого давления 4УТНМ-Т-1110010-01
Топливный насос высокого давления 4УТНЗ-1111010-10
Регулятор топливного насоса высокого давления 4УТНМ-Т-1110610-01
Корректор по наддуву
Подкачивающий насос
Форсунка ФДМ-22 дизеля Д245.12С
Фильтр тонкой очистки топлива
Система питания автомобиля ЗИЛ-5301
Установка системы питания автобусов ЗИЛ-3250 и ЗИЛ-32501
Фильтр грубой очистки топлива
Установка воздушного фильтра и воздуховодов охладителя наддувочного воздуха дизеля Д-245.9Е2
Установка воздушного фильтра дизеля Д-245.12С
Привод управления подачей топлива (ТНВД ЯЗДА мод. 773-20.06)
Привод управления подачей топлива (ТНВД мод. 4УТНИ-Т-1111116-50)
Привод управления подачей топлива (ТНВД мод. 4УТНИ-Т-1111007-20)
Установка системы выпуска отработавших газов
Система охлаждения дизеля Д-245.12С
Система охлаждения дизеля Д-245.9Е2
Расширительный бачок
Термостат
Жидкостный насос и вентилятор
Сцепление
Ведомый диск сцепления (усиленный)
Картер сцепления
Педаль и привод управления сцеплением
Установка педалей сцепления и тормоза
Главный цилиндр управления сцеплением
Бачок главного цилиндра управления сцеплением и его установка
Пневмогидравлический усилитель привода управления сцеплением
Детали коробки передач
Верхняя крышка и механизм переключения передач
Карданная передача
Картер, полуоси и главная передача заднего моста
Рама автомобиля ЗИЛ-5301
Рама автобусов ЗИЛ-3250 и ЗИЛ-32501
Передняя подвеска
Малолистовая передняя подвеска
Задняя подвеска
Амортизатор передней и задней подвески
Передняя ось и рулевые тяги (вариант 1)
Усиленная передняя ось и рулевые тяги (вариант 2)
Колеса и шины
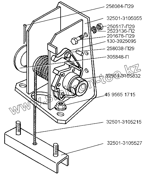
Держатель запасного колеса
Рулевой механизм
Колонка рулевого управления
Карданный вал рулевого управления
Установка трубопроводов гидроусилителя руля
Бачок насоса гидроусилителя рулевого управления
Схема тормозного привода автомобиля ЗИЛ-5301 без АБС, разделенного по мостам
Схема тормозного привода автомобиля ЗИЛ-5301 без АБС, разделенного по бортам
Схема тормозного привода автобусов и автомобилей с АБС
Пневмокомпрессор и его установка
Установка трубопроводов тормозного привода автомобиля ЗИЛ-5301, разделенного по мостам
Установка трубопроводов тормозного привода автомобиля ЗИЛ-5301, разделенного по бортам
Установка трубопроводов тормозного привода автобусов и автомобилей с АБС
Установка привода стояночного тормоза
Тормозной механизм и ступица переднего колеса
Тормозной механизм и ступица переднего колеса (вариант с усиленной передней осью)
Тормозной механизм и ступица заднего колеса
Тормозной механизм и ступица заднего колеса (с автоматическим регулятором зазора)
Цилиндр заднего тормоза
Главный цилиндр гидротормозов
Главный цилиндр гидротормозов
Пружинный энергоаккумулятор
Установка регулятора тормозных сил
Регулятор тормозных сил
Упругий элемент регулятора тормозных сил
Модулятор АБС
Тормозной кран стояночной системы
Установка воздушных баллонов
Установка тормозного крана на автомобиль ЗИЛ-5301 без АБС
Установка тормозного крана, модулятора АБС и главного цилиндра гидротормозов на автобусы и автомобили с АБС
Установка контрольно-предохранительной аппаратуры пневматического привода тормозов
Установка регулятора тормозных сил и модуляторов АБС на автобусы и автомобили с АБС
Установка регулятора тормозных сил гидропривода, разделенного по бортам, на автомобиль ЗИЛ-5301
Установка двухполостной пневмокамеры и главного цилиндра гидропривода на автомобиль ЗИЛ-5301
Установка однополостной пневмокамеры и главного цилиндра гидропривода на автомобиль ЗИЛ-5301
Влагомаслоотделитель
Регулятор давления
Кран слива конденсата
Двухсекционный тормозной кран
Одинарный защитный клапан
Тройной защитный клапан
Клапан контрольного вывода
Клапан быстрого выпуска воздуха
Однополостная пневмокамера
Двухполостная пневмокамера
Устройство сигнальное
Установка тормозной пневмоаппаратуры в кабине (вариант 1)
Установка тормозной пневмоаппаратуры в кабине (вариант 2)
Схема расположения пучков проводов и приборов
Генератор автомобиля ЗИЛ-5301
Генератор автобусов ЗИЛ-3250 и ЗИЛ-32501
Стартер
Установка аккумуляторных батарей на автомобиль ЗИЛ-5301
Установка аккумуляторных батарей на автобусы ЗИЛ-3250 и ЗИЛ-32501
Фара, плафон, фонарь боковой указателей поворота, фонарь габаритный и фара противотуманная
Лампы переносная и подкапотная
Установка задних фонарей
Установка звукового сигнала
Установка предохранителей и реле
Щиток приборов
Установка гибкого вала привода спидометра
№1
№2
№3
№4
№5
№6
№7
№8
№9
№10
№11
№12
№13
№14
Схема установки подшипников
32501-3105832
201678-П29
250517-П29
32501-3105010
32501-3105055
32501-3105527
130-3925095
32501-3105215
305848-П
252136-П2
258084-П29
258038-П29
4595651715
Позиция на иллюстрации
Заводской номер детали
Название детали
32501-3105832
32501-3105832
Барабан с храповым колесом в сборе
201678-П29
201678-П29
Болт
301431-01
301431-01
Болт
133-3925231
133-3925231
Втулка обжимная троса
250517-П29
250517-П29
Гайка
32501-3105010
32501-3105010
Держатель запасного колеса с лебедкой в сборе
32501-3105055
32501-3105055
Кронштейн с пластинами в сборе
32501-3105527
32501-3105527
Пластина с болтами в сборе
130-3925095
130-3925095
Собачка лебедки
32501-3105215
32501-3105215
Трос лебедки
305848-П
305848-П
Шайба
252136-П2
252136-П2
Шайба пружинная
258084-П29
258084-П29
Шплинт
258038-П29
258038-П29
Шплинт
4595651715
4595651715
Гайка
Содержащиеся в справочниках-каталогах запасные части и детали не предлагаются к продаже, а носят исключительно информационный характер
Дополнительная информация
×
Название:
Номер:
Примечание: