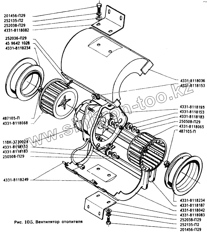
Каталог запасных частей к технике: ЗИЛ-5301. Вентилятор отопителя
4331-8118193
118К-3730024
252135-П2
252135-П2
252038-П29
252038-П29
252036-П29
487105-П
487105-П
4331-8118042
4331-8118036
4331-8118249
4331-8118183
4331-8118187
201456-П29
201456-П29
4331-8118083
4331-8118082
4331-8118068
4331-8118065
4331-8118234
4331-8118234
250508-П29
250508-П29
4331-8118153
4331-8118153
4331-8118153
4331-8118153
45 9642 1028
| Позиция на иллюстрации | Заводской номер детали | Название детали | |
|---|---|---|---|
| 4331-8118193 | 4331-8118193 | Кронштейн электродвигателя | |
| 118К-3730024 | 118К-3730024 | Электродвигатель отопителя МЭ272-Б в сборе | |
| 252135-П2 | 252135-П2 | Шайба пружинная | |
| 252038-П29 | 252038-П29 | Шайба | |
| 252036-П29 | 252036-П29 | Шайба | |
| 487105-П | 487105-П | Хомут | |
| 4331-8118042 | 4331-8118042 | Улитка вентилятора нижняя часть | |
| 4331-8118036 | 4331-8118036 | Улитка вентилятора верхняя часть | |
| 4331-8118249 | 4331-8118249 | Скоба улитки | |
| 4331-8118183 | 4331-8118183 | Проставка | |
| 4331-8118187 | 4331-8118187 | Прокладка вентилятора | |
| 201456-П29 | 201456-П29 | Болт | |
| 4331-8118083 | 4331-8118083 | Кронштейн вентилятора нижний | |
| 4331-8118082 | 4331-8118082 | Кронштейн вентилятора | |
| 4331-8118069 | 4331-8118069 | Колесо рабочее с электродвигателем в сборе | |
| 4331-8118068 | 4331-8118068 | Колесо рабочее правое | |
| 4331-8118065 | 4331-8118065 | Колесо рабочее левое | |
| 4331-8118234 | 4331-8118234 | Заборник улитки | |
| 250508-П29 | 250508-П29 | Гайка | |
| 4331-8118153 | 4331-8118153 | Втулка крепления трубки привода управления сцеплением | |
| 45 9642 1028 | 45 9642 1028 | Винт |
Содержащиеся в справочниках-каталогах запасные части и детали не предлагаются к продаже, а носят исключительно информационный характер