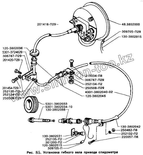
Каталог запасных частей к технике: ЗИЛ-5301. Установка гибкого вала привода спидометра
309705-П29
309705-П29
201418-П29
130-3802088
5301-3802034-10
252135-П2
252135-П2
252134-П2
252134-П2
252132-П2
5301-3802033
306787-П29
306787-П29
130-3802031
48.3802000
130-3802015
120-3802015
201420-П29
130-3802042
5301-3724629
250508-П29
250508-П29
250462-П8
120-3802036
120-3802046
220057-П8
4331-3802040-02
301200-П2
210034-П8
201454-П29
| Позиция на иллюстрации | Заводской номер детали | Название детали | |
|---|---|---|---|
| 309705-П29 | 309705-П29 | Пломба | |
| 201418-П29 | 201418-П29 | Болт | |
| 130-3802088 | 130-3802088 | Штуцер ведомой шестерни привода спидометра | |
| 5301-3802034-10 | 5301-3802034-10 | Шестерня ведомая привода спидометра в сборе | |
| 252135-П2 | 252135-П2 | Шайба пружинная | |
| 252134-П2 | 252134-П2 | Шайба пружинная | |
| 252132-П2 | 252132-П2 | Шайба пружинная | |
| 5301-3802033 | 5301-3802033 | Червяк привода спидометра | |
| 306787-П29 | 306787-П29 | Хомут | |
| 130-3802031 | 130-3802031 | Стопор штуцера | |
| 48.3802000 | 48.3802000 | Спидометр в сборе | |
| 130-3802015 | 130-3802015 | Проволока пломбы | |
| 120-3802015 | 120-3802015 | Проволока пломбы датчика спидометра | |
| 201420-П29 | 201420-П29 | Болт | |
| 130-3802042 | 130-3802042 | Направляющая гибкого вала спидометра | |
| 5301-3724629 | 5301-3724629 | Кронштейн крепления хомута | |
| 250508-П29 | 250508-П29 | Гайка | |
| 250462-П8 | 250462-П8 | Гайка | |
| 120-3802036 | 120-3802036 | Втулка гибкого вала спидометра проходная | |
| 120-3802046 | 120-3802046 | Втулка | |
| 220057-П8 | 220057-П8 | Винт | |
| 4331-3802038-01 | 4331-3802038-01 | Вал гибкий спидометра с направляющей в сборе | |
| 4331-3802040-02 | 4331-3802040-02 | Вал гибкий спидометра | |
| 301200-П2 | 301200-П2 | Болт | |
| 210034-П8 | 210034-П8 | Болт | |
| 201454-П29 | 201454-П29 | Болт |
Содержащиеся в справочниках-каталогах запасные части и детали не предлагаются к продаже, а носят исключительно информационный характер