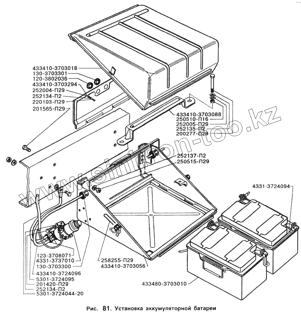
Каталог запасных частей к технике: ЗИЛ-5301. Установка аккумуляторной батареи
433410-3703018
433410-3703294
258255-П29
252137-П2
252135-П2
252134-П2
252134-П2
252005-П29
252004-П29
123-3708071
4331-3724094
5301-3724095
433410-3724096
433410-3703088
433480-3703010
5301-3724044-20
433410-3703056
250515-П29
250510-П16
4331-3737010
130-3703301
130-3703300
120-3802036
220103-П29
201565-П29
201420-П29
200277-П29
| Позиция на иллюстрации | Заводской номер детали | Название детали | |
|---|---|---|---|
| 433410-3703018 | 433410-3703018 | Крышка гнезда аккумуляторных батарей с термоизоляцией в сборе | |
| 433410-3703294 | 433410-3703294 | Щиток защитный с термоизоляцией в сборе | |
| 258255-П29 | 258255-П29 | Шплинт | |
| 252137-П2 | 252137-П2 | Шайба пружинная | |
| 252135-П2 | 252135-П2 | Шайба пружинная | |
| 252134-П2 | 252134-П2 | Шайба пружинная | |
| 252005-П29 | 252005-П29 | Шайба | |
| 252004-П29 | 252004-П29 | Шайба | |
| 123-3708071 | 123-3708071 | Колпачок защитный провода | |
| 431411-3821037 | 431411-3821037 | Прокладка защитная | |
| 4331-3724094 | 4331-3724094 | Провод-перемычка между аккумуляторными батареями в сборе | |
| 5301-3724095 | 5301-3724095 | Провод выключатель массы-рама | |
| 433410-3724096 | 433410-3724096 | Провод аккумуляторная батарея-выключатель массы в сборе | |
| 433410-3703088 | 433410-3703088 | Планка крепления аккумуляторных батарей | |
| 433480-3703010 | 433480-3703010 | Батарея аккумуляторная 6СТ-110А3 | |
| 5301-3724044-20 | 5301-3724044-20 | Жгут проводов задний правый | |
| 433420-3821040 | 433420-3821040 | Датчик температуры электролита 1318.3842 | |
| 433410-3703056 | 433410-3703056 | Гнездо аккумуляторных батарей с термоизоляцией в сборе | |
| 250515-П29 | 250515-П29 | Гайка | |
| 250510-П16 | 250510-П16 | Гайка | |
| 4331-3737010 | 4331-3737010 | Выключатель аккумуляторных батарей дистанционный 49.3710 | |
| 130-3703301 | 130-3703301 | Втулка | |
| 130-3703300 | 130-3703300 | Втулка проходная щитка кожуха | |
| 120-3802036 | 120-3802036 | Втулка гибкого вала спидометра проходная | |
| 220103-П29 | 220103-П29 | Винт | |
| 201565-П29 | 201565-П29 | Болт | |
| 201420-П29 | 201420-П29 | Болт | |
| 200277-П29 | 200277-П29 | Болт |
Содержащиеся в справочниках-каталогах запасные части и детали не предлагаются к продаже, а носят исключительно информационный характер