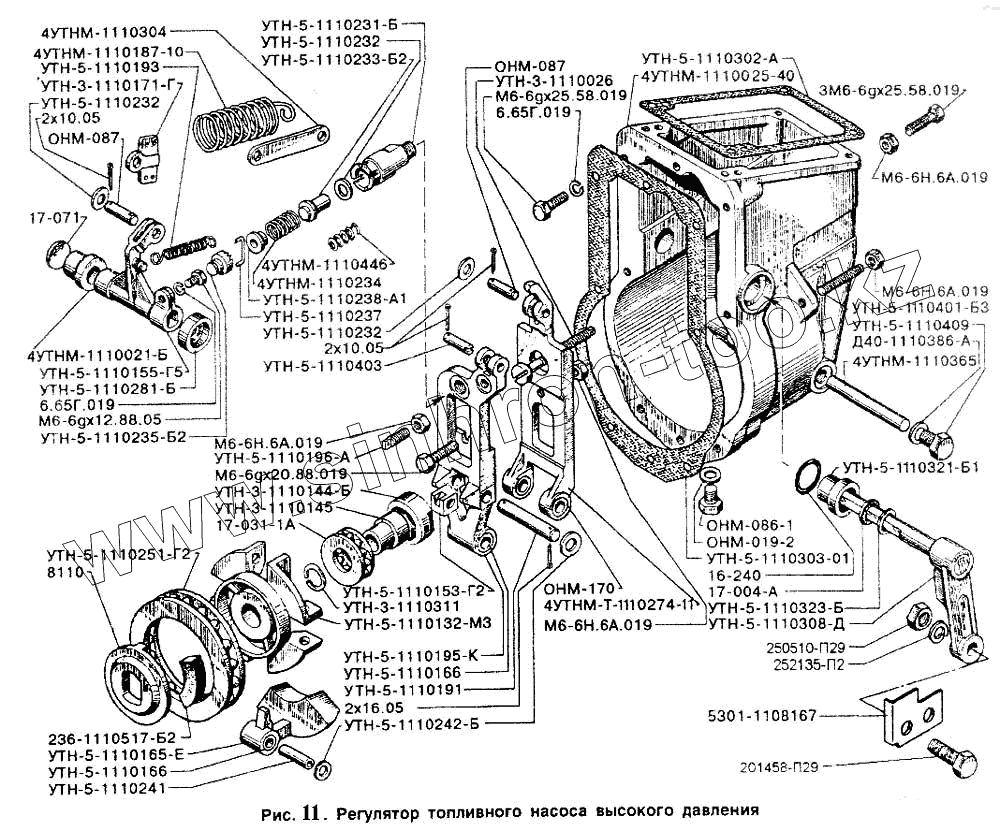
Каталог запасных частей к технике: ЗИЛ-5301. Регулятор топливного насоса высокого давления
УТН-5-1110153-Г2
УТН-3-1110171-Г
УТН-5-1110308-Д
УТН-5-1110155-Г5
УТН-5-1110195-К
4УТНМ-Т-П10274-11
УТН-5-1110237
УТН-5-1110193
4УТНМ-1110446
4УТНМ-1110234
4УТНМ-1110187-10
УТН-5-1110303-01
УТН-5-1110302-А
УТН-5-1110232
УТН-5-1110232
УТН-5-1110232
УТН-5-111242-Б
5301-1108167
УТН-5-1110281-Б
УТН-5-1110233-Б2
2х16.05
2х10.05
2х10.05
УТН-5-1110196-А
17-031-1А
8110
252135-П2
ОНМ-086-1
УТН-5-1110251-Г2
6.65Г.019
6.65Г.019
УТН-3-1110026
4УТНМ-1110304
УТН-5-1110238-А1
236-1110517-Б2
УТН-5-1110132-М3
ОНМ-170
УТН-5-1110165-Е
М6-6Н.6А.019
М6-6Н.6А.019
М6-6Н.6А.019
М6-6Н.6А.019
250510-П29
УТН-5-1110321-Б1
УТН-5-1110166
УТН-5-1110166
УТН-3-1110145
17-071
4УТНМ-1110021-Б
УТН-5-1110401-Б3
УТН-5-1110235-Б2
ОНМ-019-2
М6-6gх25.88.019
М6-6gх20.88.019
М6-6gх12.88.05
3М6-6gх25.88.019
УТН-3-1110144-Б
Д40-111386-А
УТН-5-1110403
ОНМ-087
ОНМ-087
УТН-5-1110191
УТН-5-1110241
4УТНМ-1110365
УТН-5-1110323-Б
201458-П29
17-004-А
УТН-5-1110231-Б
4УТНМ-1110025-40
УТН-3-1110311-Б
16-240
УТН-5-1110409
| Позиция на иллюстрации | Заводской номер детали | Название детали | |
|---|---|---|---|
| УТН-5-1110153-Г2 | УТН-5-1110153-Г2 | Пята | |
| УТН-3-1110171-Г | УТН-3-1110171-Г | Серьга | |
| УТН-5-1110308-Д | УТН-5-1110308-Д | Рычаг управления | |
| УТН-5-1110155-Г5 | УТН-5-1110155-Г5 | Рычаг пружины | |
| УТН-5-1110200-В | УТН-5-1110200-В | Рычаг промежуточный в сборе | |
| УТН-5-1110195-К | УТН-5-1110195-К | Рычаг промежуточный | |
| 245-1111213 | 245-1111213 | Рычаг промежуточный | |
| 4УТНМ-Т-П10274-11 | 4УТНМ-Т-П10274-11 | Рычаг основной | |
| 4УТНМ-Т-1110290-10 | 4УТНМ-Т-1110290-10 | Рычаг в сборе | |
| 4УТНМ-Т-1110010-01 | 4УТНМ-Т-1110010-01 | Регулятор в сборе | |
| УТН-5-1110237 | УТН-5-1110237 | Скоба | |
| УТН-5-1110193 | УТН-5-1110193 | Пружина | |
| 4УТНМ-1110446 | 4УТНМ-1110446 | Пружина | |
| 4УТНМ-1110234 | 4УТНМ-1110234 | Пружина | |
| 4УТНМ-1110187-10 | 4УТНМ-1110187-10 | Пружина | |
| УТН-5-1110303-01 | УТН-5-1110303-01 | Прокладка | |
| УТН-5-1110302-А | УТН-5-1110302-А | Прокладка | |
| УТН-5-1110301-А | УТН-5-1110301-А | Прокладка | |
| УТН-5-1110232 | УТН-5-1110232 | Прокладка | |
| УТН-5-111242-Б | УТН-5-111242-Б | Шайба | |
| 5301-1108167 | 5301-1108167 | Кронштейн | |
| УТН-5-1110281-Б | УТН-5-1110281-Б | Втулка | |
| УТН-5-1110233-Б2 | УТН-5-1110233-Б2 | Шток | |
| 2х16.05 | 2х16.05 | Шплинт | |
| 2х10.05 | 2х10.05 | Шплинт | |
| УТН-5-1110196-А | УТН-5-1110196-А | Шпилька | |
| 17-031-1А | 17-031-1А | Шарикоподшипник 8202У | |
| 8110 | 8110 | Шарикоподшипник | |
| 252135-П2 | 252135-П2 | Шайба пружинная | |
| ОНМ-086-1 | ОНМ-086-1 | Прокладка | |
| УТН-5-1110251-Г2 | УТН-5-1110251-Г2 | Шайба | |
| 6.65Г.019 | 6.65Г.019 | Шайба | |
| УТН-3-1110026 | УТН-3-1110026 | Упор | |
| 4УТНМ-1110304 | 4УТНМ-1110304 | Тяга | |
| УТН-5-1110238-А1 | УТН-5-1110238-А1 | Тарелка | |
| 236-1110517-Б2 | 236-1110517-Б2 | Сухарь | |
| УТН-5-1110240-И | УТН-5-1110240-И | Ступица в сборе | |
| УТН-5-1110132-М3 | УТН-5-1110132-М3 | Ступица | |
| ОНМ-170 | ОНМ-170 | Втулка | |
| УТН-5-1110160-В | УТН-5-1110160-В | Груз в сборе | |
| УТН-5-1110165-Е | УТН-5-1110165-Е | Груз | |
| М6-6Н.6А.019 | М6-6Н.6А.019 | Гайка | |
| 250510-П29 | 250510-П29 | Гайка | |
| УТН-5-1110320-В | УТН-5-1110320-В | Втулка в сборе | |
| УТН-5-111281-Б | УТН-5-111281-Б | Втулка | |
| УТН-5-1110321-Б1 | УТН-5-1110321-Б1 | Втулка | |
| УТН-5-1110166 | УТН-5-1110166 | Втулка | |
| УТН-3-1110145 | УТН-3-1110145 | Втулка | |
| 17-071 | 17-071 | Заглушка | |
| 4УТНМ-1110021-Б | 4УТНМ-1110021-Б | Втулка | |
| УТН-5-1110401-Б3 | УТН-5-1110401-Б3 | Винт | |
| УТН-5-1110235-Б2 | УТН-5-1110235-Б2 | Винт | |
| ОНМ-019-2 | ОНМ-019-2 | Болт | |
| М6-6gх25.88.019 | М6-6gх25.88.019 | Болт | |
| М6-6gх20.88.019 | М6-6gх20.88.019 | Болт | |
| М6-6gх12.88.05 | М6-6gх12.88.05 | Болт | |
| 3М6-6gх25.88.019 | 3М6-6gх25.88.019 | Болт | |
| УТН-3-1110144-Б | УТН-3-1110144-Б | Муфта | |
| Д40-111386-А | Д40-111386-А | Прокладка | |
| УТН-5-1110403 | УТН-5-1110403 | Палец | |
| ОНМ-087 | ОНМ-087 | Палец | |
| УТН-5-1110191 | УТН-5-1110191 | Ось ролика | |
| УТН-5-1110241 | УТН-5-1110241 | Ось грузов | |
| 4УТНМ-1110365 | 4УТНМ-1110365 | Ось | |
| УТН-5-1110323-Б | УТН-5-1110323-Б | Обойма | |
| УТН-5-1110140 | УТН-5-1110140 | Муфта в сборе | |
| 201458-П29 | 201458-П29 | Болт | |
| 17-004-А | 17-004-А | Манжета | |
| 4УТН-1110230 | 4УТН-1110230 | Корректор в сборе | |
| 4УТНМ-1110020-30 | 4УТНМ-1110020-30 | Корпус в сборе | |
| УТН-5-1110231-Б | УТН-5-1110231-Б | Корпус | |
| 4УТНМ-1110025-40 | 4УТНМ-1110025-40 | Корпус | |
| УТН-3-1110311-Б | УТН-3-1110311-Б | Кольцо | |
| 16-240 | 16-240 | Кольцо уплотнительное | |
| УТН-5-1110409 | УТН-5-1110409 | Заглушка |
Содержащиеся в справочниках-каталогах запасные части и детали не предлагаются к продаже, а носят исключительно информационный характер