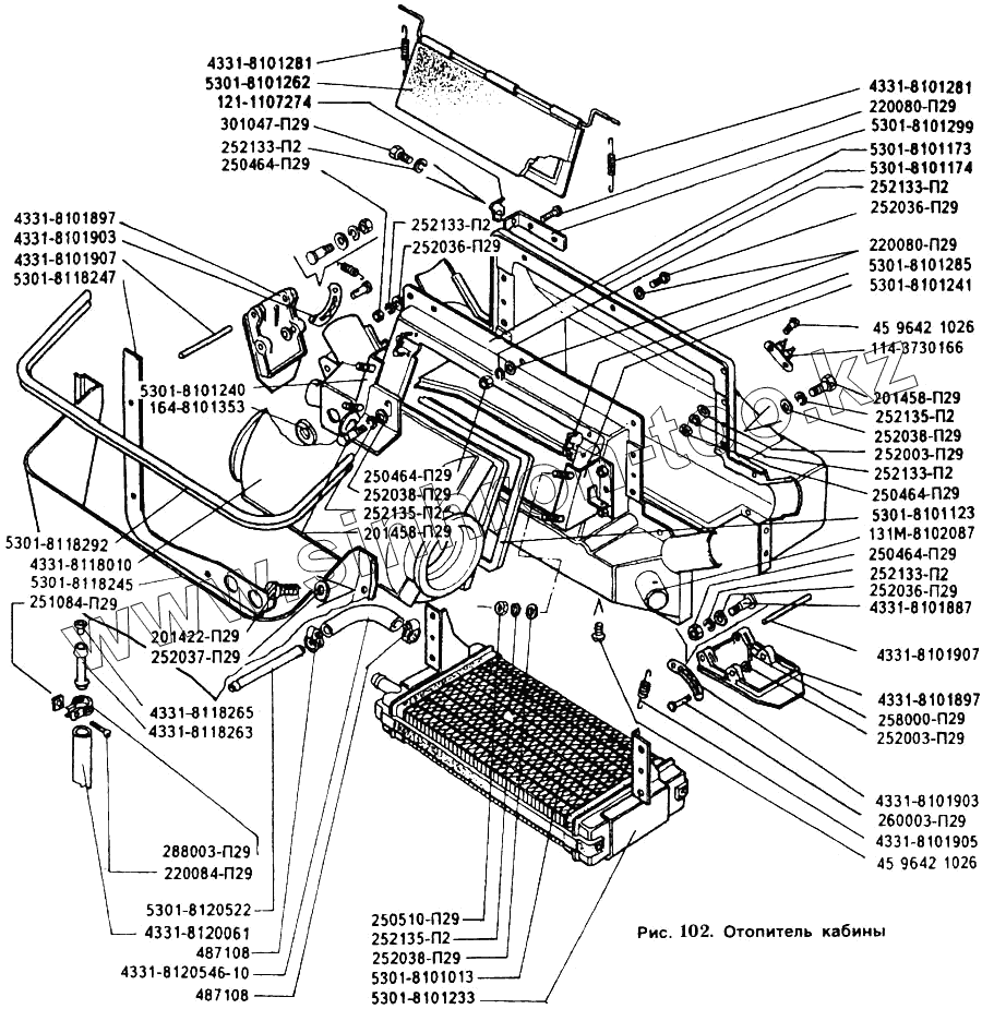
Каталог запасных частей к технике: ЗИЛ-5301. Отопитель кабины
4331-8101887
4331-8118263
5301-8120522
121-1107274
4331-8101281
4331-8101281
4331-8101905
5301-8101013
114-3730166
4331-8120061
5301-8118292
5301-8118247
5301-8101123
164-8101353
131М-8102087
4331-8101903
4331-8101903
288003-П29
487108
487108
252003-П29
252003-П29
252036-П29
252036-П29
252036-П29
252037-П29
252038-П29
252038-П29
252038-П29
252133-П2
252133-П2
252133-П2
252133-П2
252133-П2
252135-П2
252135-П2
252135-П2
4331-8120546-10
258000-П29
5301-8118245
201458-П29
201458-П29
301047-П29
4331-8118010
220080-П29
220080-П29
220084-П29
45 9642 1026
45 9642 1026
4331-8118265
250464-П29
250464-П29
250464-П29
250464-П29
250510-П29
251084-П29
4331-8101897
4331-8101897
5301-8101262
201422-П29
5301-8101174
5301-8101173
5301-8101241
5301-8101240
5301-8101299
5301-8101233
5301-8101285
4331-8101907
4331-8101907
260003-П29
| Позиция на иллюстрации | Заводской номер детали | Название детали | |
|---|---|---|---|
| 4331-8101887 | 4331-8101887 | Упор заслонки отопителя | |
| 4331-8118263 | 4331-8118263 | Патрубок кожуха | |
| 5301-8120522 | 5301-8120522 | Переходник | |
| 121-1107274 | 121-1107274 | Зажим троса | |
| 4331-8101281 | 4331-8101281 | Пружина заслонки | |
| 4331-8101905 | 4331-8101905 | Пружина заслонки | |
| 5301-8101013 | 5301-8101013 | Радиатор в сборе | |
| 114-3730166 | 114-3730166 | Сопротивление | |
| 4331-8120061 | 4331-8120061 | Трубка сливная | |
| 5301-8118292 | 5301-8118292 | Уплотнитель | |
| 5301-8118247 | 5301-8118247 | Уплотнитель кожуха | |
| 5301-8101123 | 5301-8101123 | Уплотнитель отопителя | |
| 164-8101353 | 164-8101353 | Уплотнитель трубки радиатора | |
| 131М-8102087 | 131М-8102087 | Патрубок | |
| 4331-8101903 | 4331-8101903 | Фиксатор заслонки | |
| 288003-П29 | 288003-П29 | Хомут | |
| 487108 | 487108 | Хомут | |
| 252003-П29 | 252003-П29 | Шайба | |
| 252036-П29 | 252036-П29 | Шайба | |
| 252037-П29 | 252037-П29 | Шайба | |
| 252038-П29 | 252038-П29 | Шайба | |
| 252133-П2 | 252133-П2 | Шайба пружинная | |
| 252135-П2 | 252135-П2 | Шайба пружинная | |
| 4331-8120546-10 | 4331-8120546-10 | Шланг угловой | |
| 258000-П29 | 258000-П29 | Шплинт | |
| 5301-8118245 | 5301-8118245 | Кожух вентилятора | |
| 201458-П29 | 201458-П29 | Болт | |
| 301047-П29 | 301047-П29 | Болт | |
| 4331-8118010 | 4331-8118010 | Вентилятор отопителя в сборе | |
| 220080-П29 | 220080-П29 | Винт | |
| 220084-П29 | 220084-П29 | Винт | |
| 45 9642 1026 | 45 9642 1026 | Винт | |
| 4331-8118265 | 4331-8118265 | Втулка патрубка | |
| 250464-П29 | 250464-П29 | Гайка | |
| 250510-П29 | 250510-П29 | Гайка | |
| 251084-П29 | 251084-П29 | Гайка | |
| 4331-8101897 | 4331-8101897 | Заслонка отопителя | |
| 5301-8101262 | 5301-8101262 | Заслонка свежего воздуха с осью в сборе | |
| 201422-П29 | 201422-П29 | Болт | |
| 5301-8118244 | 5301-8118244 | Кожух вентилятора с патрубками в сборе | |
| 5301-8101174 | 5301-8101174 | Кожух отопителя задняя половина | |
| 5301-8101173 | 5301-8101173 | Кожух отопителя передняя половина | |
| 5301-8101241 | 5301-8101241 | Кронштейн отопителя левый в сборе | |
| 5301-8101240 | 5301-8101240 | Кронштейн отопителя правый в сборе | |
| 5301-8101299 | 5301-8101299 | Кронштейн прижима троса | |
| 5301-8101233 | 5301-8101233 | Кронштейн радиатора | |
| 5301-8101285 | 5301-8101285 | Накладка оси заслонки | |
| 4331-8101907 | 4331-8101907 | Ось заслонки | |
| 5301-8101010 | 5301-8101010 | Отопитель в сборе | |
| 260003-П29 | 260003-П29 | Палец |
Содержащиеся в справочниках-каталогах запасные части и детали не предлагаются к продаже, а носят исключительно информационный характер