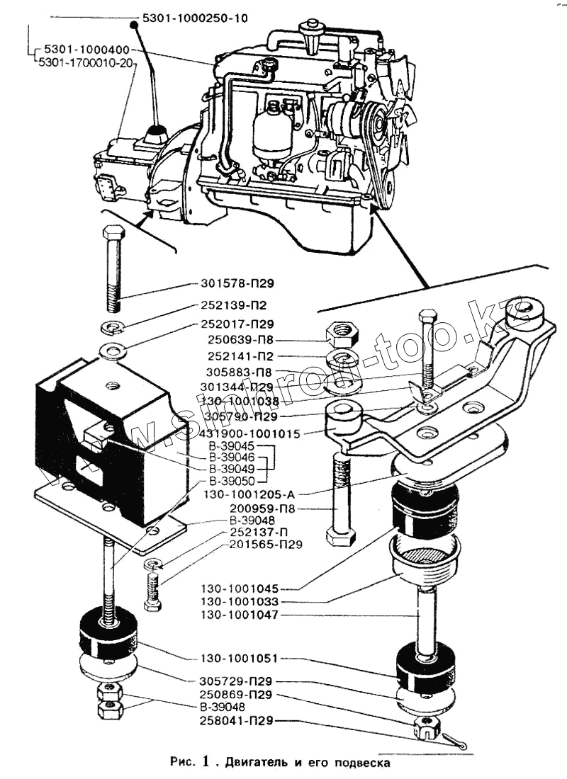
Каталог запасных частей к технике: ЗИЛ-5301. Двигатель и его подвеска
В-39046
258041-П29
В-39050
252141-П2
252139-П2
252137-П2
305883-П8
305790-П29
305729-П29
252017-П29
130-1001038
5301-1000250-10
130-1001051
130-1001045
В-39045
200959-П8
В-39049
В-39048
В-39048
431900-1001015
5301-1700010-20
130-1001205-А
5301-1000400
130-1001033
250869-П29
250639-П8
130-1001047
301578-П29
301344-П29
201565-П29
| Позиция на иллюстрации | Заводской номер детали | Название детали | |
|---|---|---|---|
| В-39046 | В-39046 | Подушка задней опоры двигателя | |
| 140-8104076 | 140-8104076 | Штуцер | |
| 258041-П29 | 258041-П29 | Шплинт | |
| В-39050 | В-39050 | Шпилька | |
| 252141-П2 | 252141-П2 | Шайба пружинная | |
| 252139-П2 | 252139-П2 | Шайба пружинная | |
| 252137-П2 | 252137-П2 | Шайба пружинная | |
| 305883-П8 | 305883-П8 | Шайба | |
| 305790-П29 | 305790-П29 | Шайба | |
| 305729-П29 | 305729-П29 | Шайба | |
| 252017-П29 | 252017-П29 | Шайба | |
| 130-1001038 | 130-1001038 | Фиксатор болтов передней опоры двигателя | |
| 5301-1000250-10 | 5301-1000250-10 | Силовой агрегат | |
| 130-1001051 | 130-1001051 | Подушка опоры двигателя нижняя | |
| 130-1001045 | 130-1001045 | Подушка опоры двигателя верхняя | |
| В-39045 | В-39045 | Подушка задней опоры двигателя в сборе | |
| 200959-П8 | 200959-П8 | Болт | |
| В-39049 | В-39049 | Пластина | |
| В-39048 | В-39048 | Накладка | |
| 431900-1001015 | 431900-1001015 | Кронштейн передней опоры двигателя | |
| 5301-1700010-20 | 5301-1700010-20 | Коробка передач в сборе | |
| 130-1001205-А | 130-1001205-А | Колпак защитный верхних подушек передней опоры двигателя | |
| 5301-1000400 | 5301-1000400 | Двигатель в сборе (ММЗ-245.12) | |
| 130-1001033 | 130-1001033 | Гнездо верхней подушки подвески двигателя | |
| 250869-П29 | 250869-П29 | Гайка | |
| 250639-П8 | 250639-П8 | Гайка | |
| 250615-П29 | 250615-П29 | Гайка | |
| 130-1001047 | 130-1001047 | Втулка распорная | |
| 301578-П29 | 301578-П29 | Болт | |
| 301344-П29 | 301344-П29 | Болт | |
| 201565-П29 | 201565-П29 | Болт |
Содержащиеся в справочниках-каталогах запасные части и детали не предлагаются к продаже, а носят исключительно информационный характер