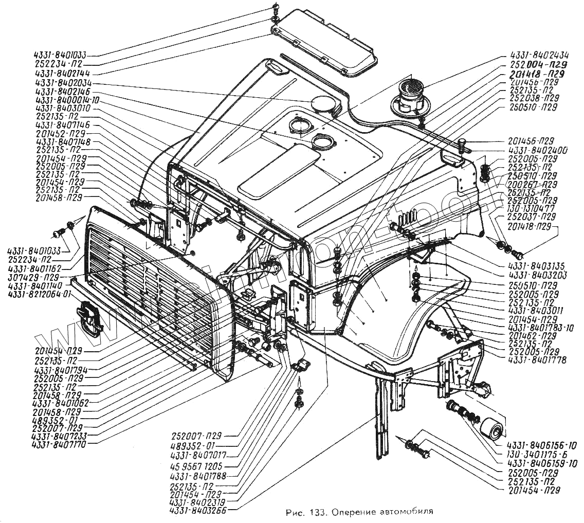
Каталог запасных частей к технике: ЗИЛ-494560. Оперение автомобиля
4331-8401783-10
4331-8400014-10
4331-8406159-10
4331-8407170
4331-8402146
4331-8407017
4331-8401794
4331-8403135
4331-8403266
4331-8401162
4331-8407146
4331-8401788
4331-8402400
4331-8401062
4331-8402434
4331-8407148
252004-П29
252005-П29
252005-П29
252005-П29
252005-П29
252005-П29
252005-П29
252005-П29
252007-П29
252007-П29
252037-П29
252038-П29
252135-П2
252135-П2
252135-П2
252135-П2
252135-П2
252135-П2
252135-П2
252135-П2
252135-П2
252135-П2
252135-П2
252135-П2
252135-П2
252234-П2
252234-П2
250510-П29
250510-П29
250510-П29
200267-П29
201418-П29
201418-П29
201452-П29
201454-П29
201454-П29
201454-П29
201454-П29
201454-П29
201454-П29
201456-П29
201456-П29
201458-П29
201458-П29
201458-П29
201462-П29
4331-8401033
4331-8401033
130-1310477
4331-8406156-10
4331-8407233
4331-8402319
45 9567 1205
307429-П29
4331-8402034
4331-8212064-01
4331-8401778
489352-01
489352-01
130-3401175-Б
4331-8403203
4331-8403011
4331-8403010
4331-8401140
4331-8402144
| Позиция на иллюстрации | Заводской номер детали | Название детали | |
|---|---|---|---|
| 4331-8401783-10 | 4331-8401783-10 | Труба распорная задняя | |
| 4331-8400010-10 | 4331-8400010-10 | Оперение в сборе | |
| 4331-8400010-11 | 4331-8400010-11 | Оперение в сборе | |
| 4331-8400014-10 | 4331-8400014-10 | Оперение-сварка | |
| 4331-8406159-10 | 4331-8406159-10 | Ось захвата оперения | |
| 4331-8407170 | 4331-8407170 | Ось петли навески оперения | |
| 4331-8402146 | 4331-8402146 | Патрубок воздухозаборника | |
| 4331-8407017 | 4331-8407017 | Петля навески оперения | |
| 4331-8401794 | 4331-8401794 | Прокладка передней трубы оперения | |
| 4331-8403135 | 4331-8403135 | Прокладка передней части крыла | |
| 4331-8403266 | 4331-8403266 | Распорка брызговика | |
| 4331-8401162 | 4331-8401162 | Решетка облицовки радиатора | |
| 4331-8401162-01 | 4331-8401162-01 | Решетка облицовки радиатора | |
| 4331-8407146 | 4331-8407146 | Ручка откидывакия оперения | |
| 4331-8401788 | 4331-8401788 | Скоба | |
| 4331-8402144-01 | 4331-8402144-01 | Накладка капота | |
| 4331-8402400 | 4331-8402400 | Уплотнитель капота | |
| 4331-8401062 | 4331-8401062 | Усилитель облицовки нижний | |
| 4331-8401062-01 | 4331-8401062-01 | Усилитель облицовки нижний | |
| 4331-8402434 | 4331-8402434 | фильтр в сборе | |
| 4331-8407148 | 4331-8407148 | Хомут ручки | |
| 252004-П29 | 252004-П29 | Шайба | |
| 252005-П29 | 252005-П29 | Шайба | |
| 252007-П29 | 252007-П29 | Шайба | |
| 252037-П29 | 252037-П29 | Шайба | |
| 252038-П29 | 252038-П29 | Шайба | |
| 305803-П29 | 305803-П29 | Шайба | |
| 252135-П2 | 252135-П2 | Шайба пружинная | |
| 252234-П2 | 252234-П2 | Шайба | |
| 250510-П29 | 250510-П29 | Гайка | |
| 4331-8402318 | 4331-8402318 | Боковина капота нижняя правая | |
| 200267-П29 | 200267-П29 | Болт | |
| 201418-П29 | 201418-П29 | Болт | |
| 201452-П29 | 201452-П29 | Болт | |
| 201454-П29 | 201454-П29 | Болт | |
| 201456-П29 | 201456-П29 | Болт | |
| 201458-П29 | 201458-П29 | Болт | |
| 201462-П29 | 201462-П29 | Болт | |
| 200265-П29 | 200265-П29 | Болт | |
| 4331-8401033 | 4331-8401033 | Винт | |
| 130-1310477 | 130-1310477 | Втулка оболочки тяги жалюзи радиатора | |
| 4331-8406156-10 | 4331-8406156-10 | Втулка оси захвата оперения | |
| 4331-8407233 | 4331-8407233 | Втулка петли навески | |
| 4331-8402319 | 4331-8402319 | Боковина капота нижняя левая | |
| 45 9567 1205 | 45 9567 1205 | Гайка | |
| 307429-П29 | 307429-П29 | Гайка заводского знака | |
| 4331-8402034 | 4331-8402034 | Заглушка капота | |
| 4331-8212064-01 | 4331-8212064-01 | Знак заводской | |
| 4331-8401778 | 4331-8401778 | Каркас оперения | |
| 489352-01 | 489352-01 | Кольцо | |
| 130-3401175-Б | 130-3401175-Б | Кольцо уплотнительное регулировочного винта | |
| 4331-8403203 | 4331-8403203 | Кронштейн крыла левый | |
| 4331-8403202 | 4331-8403202 | Кронштейн крыла правый | |
| 4331-8403011 | 4331-8403011 | Крыло переднее левое | |
| 4331-8403010 | 4331-8403010 | Крыло переднее правое | |
| 4331-8401140 | 4331-8401140 | Молдинг решетки радиатора | |
| 4331-8402144 | 4331-8402144 | Накладка капота |
Содержащиеся в справочниках-каталогах запасные части и детали не предлагаются к продаже, а носят исключительно информационный характер