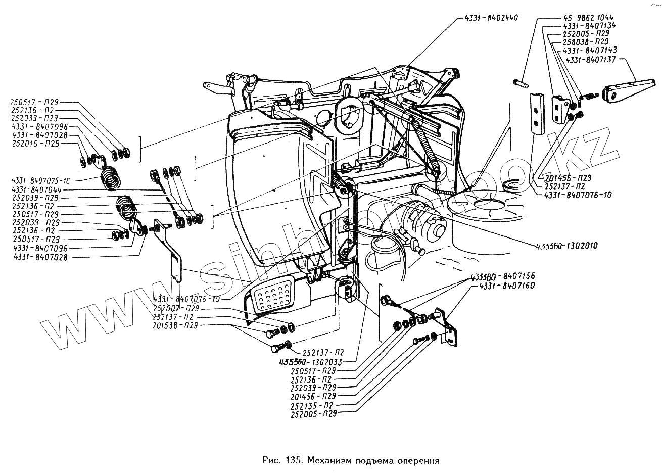
Каталог запасных частей к технике: ЗИЛ-494560. Механизм подъема оперения
252016-П29
433360-1302010-10
433360-8407156
4331-8402440
252005-П29
252005-П29
252005-П29
252007-П29
4331-8407143
252039-П29
252039-П29
252039-П29
252039-П29
252135-П2
252135-П2
252135-П2
252136-П2
252136-П2
252136-П2
252136-П2
252137-П2
252137-П2
252137-П2
258038-П29
433360-1302010-10
201538-П29
4331-8407028
4331-8407028
250517-П29
250517-П29
250517-П29
250517-П29
4331-8407134
4331-8407096
4331-8407096
4331-8407160
201456-П29
201456-П29
433360-1302033
4331-8407076-10
4331-8407076-10
4331-8407137
4331-8407044
45 9862 1044
4331-8407075-10
| Позиция на иллюстрации | Заводской номер детали | Название детали | |
|---|---|---|---|
| 252016-П29 | 252016-П29 | Шайба | |
| 433360-1302010-10 | 433360-1302010-10 | Рамка подвески радиатора | |
| 433360-8407156 | 433360-8407156 | Трос страховки оперения | |
| 4331-8402441 | 4331-8402441 | Угольник боковины задний левый | |
| 4331-8402440 | 4331-8402440 | Угольник боковины задний правый | |
| 4331-8407110 | 4331-8407110 | Упор оперения в сборе | |
| 252005-П29 | 252005-П29 | Шайба | |
| 252005-П29 | 252005-П29 | Шайба | |
| 252007-П29 | 252007-П29 | Шайба | |
| 4331-8407143 | 4331-8407143 | Пружина упора оперения | |
| 252039-П29 | 252039-П29 | Шайба | |
| 252135-П2 | 252135-П2 | Шайба пружинная | |
| 252135-П2 | 252135-П2 | Шайба пружинная | |
| 252136-П2 | 252136-П2 | Шайба пружинная | |
| 252137-П2 | 252137-П2 | Шайба пружинная | |
| 258038-П29 | 258038-П29 | Шплинт | |
| 433360-1302010-10 | 433360-1302010-10 | Рамка подвески радиатора | |
| 433360-1302032 | 433360-1302032 | Кронштейн крепления рамки радиатора | |
| 201538-П29 | 201538-П29 | Болт | |
| 4331-8407028 | 4331-8407028 | Втулка пружины | |
| 250510-П29 | 250510-П29 | Гайка | |
| 250517-П29 | 250517-П29 | Гайка | |
| 4331-8407134 | 4331-8407134 | Держатель упора | |
| 4331-8407096 | 4331-8407096 | Зацеп | |
| 489352-01 | 489352-01 | Кольцо | |
| 4331-8407160 | 4331-8407160 | Кронштейн | |
| 201456-П29 | 201456-П29 | Болт | |
| 433360-1302033 | 433360-1302033 | Кронштейн крепления рамки радиатора | |
| 4331-8407076-10 | 4331-8407076-10 | Кронштейн пружины передний | |
| 4331-8407137 | 4331-8407137 | Кронштейн упора | |
| 4331-8407044 | 4331-8407044 | Ограничитель откидывания | |
| 45 9862 1044 | 45 9862 1044 | Палец | |
| 4331-8407075-10 | 4331-8407075-10 | Пружина | |
| 4331-8407072 | 4331-8407072 | Пружина в сборе |
Содержащиеся в справочниках-каталогах запасные части и детали не предлагаются к продаже, а носят исключительно информационный характер