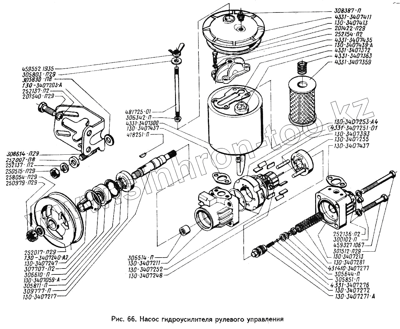
Каталог запасных частей к технике: ЗИЛ-433360. Насос гидроусилителя рулевого управления
305811-П
130-3407413
130-3407437
130-3407437
130-3407059-А
4331-3407363
130-3407281
130-3407272
130-3407248
431410-3407277
300102-П
130-3407253-А4
4331-3407372
252007-П8
252017-П29
305803-П29
130-3407439-А
305830-П8
252136-П2
252137-П2
252137-П2
252154-П2
305644-П
305851-П
130-3407240-А2
308614-П29
481725-01
258054-П29
418251-П
130-3407393
4331-3407359
4331-3407276
201422-П29
201540-П29
301512-П29
45 9327 1067
130-3407217
130-3407247
250515-П29
250979-П29
45 9552 1935
130-3407255
130-3407271-А
308387-П
4331-3407300
4331-3407435
130-3407252
306342-П
307707-П2
130-3407211
130-3407203-А
4331-3407411
130-3407213
4331-3407251-01
309777-П
306514-П
306610-П
| Позиция на иллюстрации | Заводской номер детали | Название детали | |
|---|---|---|---|
| 305811-П | 305811-П | Шайба | |
| 130-3407413 | 130-3407413 | Прокладка уплотнительная крышки бачка насоса гидроусилителя руля | |
| 130-3407437 | 130-3407437 | Прокладка уплотнительная болтов крепления бачка насоса гидроусилителя руля | |
| 130-3407059-А | 130-3407059-А | Проставка насоса | |
| 4331-3407363 | 4331-3407363 | Пружина клапана фильтра | |
| 130-3407281 | 130-3407281 | Пружина перепускного клапана | |
| 130-3407272 | 130-3407272 | Пружина предохранительного клапана насоса гидроусилителя руля | |
| 130-3407248 | 130-3407248 | Ротор насоса | |
| 431410-3407277 | 431410-3407277 | Седло предохранительного клапана | |
| 300102-П | 300102-П | Седло уплотнительное | |
| 130-3407253-А4 | 130-3407253-А4 | Статор насоса | |
| 4331-3407372 | 4331-3407372 | Уплотнитель фильтра | |
| 252007-П8 | 252007-П8 | Шайба регулировочная | |
| 252017-П29 | 252017-П29 | Шайба | |
| 305803-П29 | 305803-П29 | Шайба | |
| 130-3407439-А | 130-3407439-А | Прокладка коллектора насоса гидроусилителя руля | |
| 305830-П8 | 305830-П8 | Шайба | |
| 252136-П2 | 252136-П2 | Шайба пружинная | |
| 252137-П2 | 252137-П2 | Шайба пружинная | |
| 252154-П2 | 252154-П2 | Шайба пружинная | |
| 305644-П | 305644-П | Шайба регулировочная | |
| 305851-П | 305851-П | Шайба регулировочная | |
| 306231-П | 306231-П | Шарик | |
| 130-3407240-А2 | 130-3407240-А2 | Шкив насоса | |
| 308614-П29 | 308614-П29 | Шпилька | |
| 481725-01 | 481725-01 | Шпилька | |
| 258054-П29 | 258054-П29 | Шплинт | |
| 418251-П | 418251-П | Шпонка сегментная | |
| 130-3407393 | 130-3407393 | Штифт установочный | |
| 4331-3407359 | 4331-3407359 | Элемент фильтрующий | |
| 4331-3407276 | 4331-3407276 | Клапан предохранительный насоса | |
| 201422-П29 | 201422-П29 | Болт | |
| 201540-П29 | 201540-П29 | Болт | |
| 301512-П29 | 301512-П29 | Болт | |
| 45 9327 1067 | 45 9327 1067 | Болт | |
| 130-3407217 | 130-3407217 | Валик насоса гидроусилителя руля | |
| 130-3407247 | 130-3407247 | Втулка шкива насоса | |
| 250515-П29 | 250515-П29 | Гайка | |
| 250979-П29 | 250979-П29 | Гайка | |
| 45 9552 1935 | 45 9552 1935 | Гайка | |
| 130-3407255 | 130-3407255 | Диск насоса распределительный | |
| 130-3407271-А | 130-3407271-А | Золотник насоса перепускной | |
| 4331-3407244-01 | 4331-3407244-01 | Качающий узел насоса | |
| 431410-3407270-01 | 431410-3407270-01 | Клапан перепускной насоса | |
| 308387-П | 308387-П | Клапан предохранительный в сборе | |
| 4331-3407300 | 4331-3407300 | Бачок насоса в сборе | |
| 4331-3407435 | 4331-3407435 | Коллектор насоса | |
| 130-3407252 | 130-3407252 | Кольцо уплотнительное корпуса насоса гидроусилителя руля | |
| 306342-П | 306342-П | Кольцо уплотнительное | |
| 307707-П2 | 307707-П2 | Кольцо упорное | |
| 130-3407211 | 130-3407211 | Корпус насоса | |
| 130-3407203-А | 130-3407203-А | Кронштейн крепления насоса | |
| 4331-3407411 | 4331-3407411 | Крышка бачка насоса | |
| 130-3407213 | 130-3407213 | Крышка насоса | |
| 431410-3407212-01 | 431410-3407212-01 | Крышка насоса в сборе | |
| 4331-3407251-01 | 4331-3407251-01 | Лопасть насоса | |
| 309777-П | 309777-П | Манжета | |
| 431410-3407200-11 | 431410-3407200-11 | Насос гидроусилителя руля в сборе | |
| 306514-П | 306514-П | Подшипник игольчатый | |
| 306610-П | 306610-П | Подшипник шариковый |
Содержащиеся в справочниках-каталогах запасные части и детали не предлагаются к продаже, а носят исключительно информационный характер