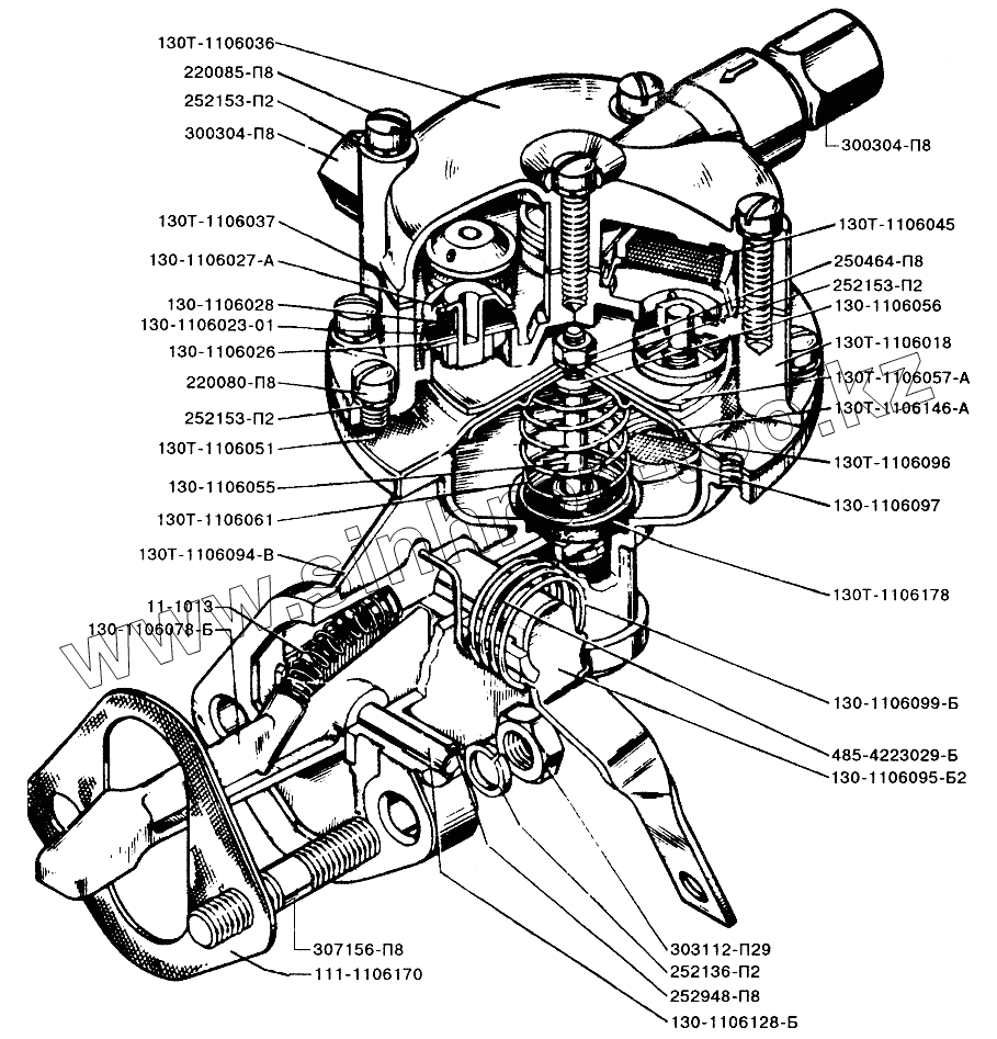
Каталог запасных частей к технике: ЗИЛ-433110. Топливный насос Б10
130Т-1106045
130-1106023-01
111-1106170
130Т-1106037
130-1106099-Б
11-1013
130Т-1106061
130-1106028
130-1106097
130Т-1106055
130-1106128-Б
130Т-1106057-А
130Т-1106146-А
252153-П2
252153-П2
252153-П2
252136-П2
130Т-1106096
130-1106056
307156-П8
300304-П8
300304-П8
130-1106026
220080-П8
220085-П8
303112-П29
250464-П8
130Т-1106018
130Т-1106051
252948-П8
130-1106095-Б2
130-1106078-Б
130Т-1106094-В
130Т-1106036
485-4223029-Б
130Т-1106178
130-1106027-А
| Позиция на иллюстрации | Заводской номер детали | Название детали | |
|---|---|---|---|
| 130Т-1106045 | 130Т-1106045 | Фильтр топливного насоса с сеткой в сборе | |
| 130-1106023-01 | 130-1106023-01 | Пластина клапана | |
| 111-1106170 | 111-1106170 | Прокладка топливного насоса | |
| 130Т-1106037 | 130Т-1106037 | Прокладка крышки | |
| 130-1106099-Б | 130-1106099-Б | Пружина | |
| 11-1013 | 11-1013 | Пружина возвратная коромысла | |
| 130Т-1106061 | 130Т-1106061 | Пружина диафрагмы | |
| 130-1106028 | 130-1106028 | Пружина клапана | |
| 130-1106097 | 130-1106097 | Сетка фильтра | |
| 130Т-1106055 | 130Т-1106055 | Толкатель в сборе | |
| 130-1106128-Б | 130-1106128-Б | Ось коромысла | |
| 130Т-1106057-А | 130Т-1106057-А | Шайба диафрагмы верхняя | |
| 130Т-1106146-А | 130Т-1106146-А | Шайба диафрагмы нижняя | |
| 252153-П2 | 252153-П2 | Шайба пружинная | |
| 252136-П2 | 252136-П2 | Шайба пружинная | |
| 130Т-1106096 | 130Т-1106096 | Шайба-сетка | |
| 130-1106056 | 130-1106056 | Шайба толкателя | |
| 307156-П8 | 307156-П8 | Шпилька | |
| 300304-П8 | 300304-П8 | Штуцер | |
| 130-1106026 | 130-1106026 | Клапан | |
| 220080-П8 | 220080-П8 | Винт | |
| 220085-П8 | 220085-П8 | Винт | |
| 303112-П29 | 303112-П29 | Гайка | |
| 250464-П8 | 250464-П8 | Гайка | |
| 130Т-1106018 | 130Т-1106018 | Головка топливного насоса | |
| 130Т-1106015 | 130Т-1106015 | Головка топливного насоса с клапанами в сборе | |
| 130Т-1106050 | 130Т-1106050 | Диафрагма с толкателем в сборе | |
| 130Т-1106051 | 130Т-1106051 | Диск диафрагмы топливного насоса | |
| 252948-П8 | 252948-П8 | Заклепка | |
| 130-1106095-Б2 | 130-1106095-Б2 | Валик ручного привода в сборе | |
| 130-1106078-Б | 130-1106078-Б | Коромысло привода | |
| 130Т-1106094-В | 130Т-1106094-В | Корпус топливного насоса | |
| 130Т-1106090 | 130Т-1106090 | Корпус в сборе | |
| 130Т-1106036 | 130Т-1106036 | Крышка-демпфер | |
| 485-4223029-Б | 485-4223029-Б | Манжета | |
| 130Т-1106178 | 130Т-1106178 | Манжета толкателя | |
| 130Т-1106011-Б | 130Т-1106011-Б | Насос топливный в сборе | |
| 130-1106027-А | 130-1106027-А | Обойма клапана |
Содержащиеся в справочниках-каталогах запасные части и детали не предлагаются к продаже, а носят исключительно информационный характер