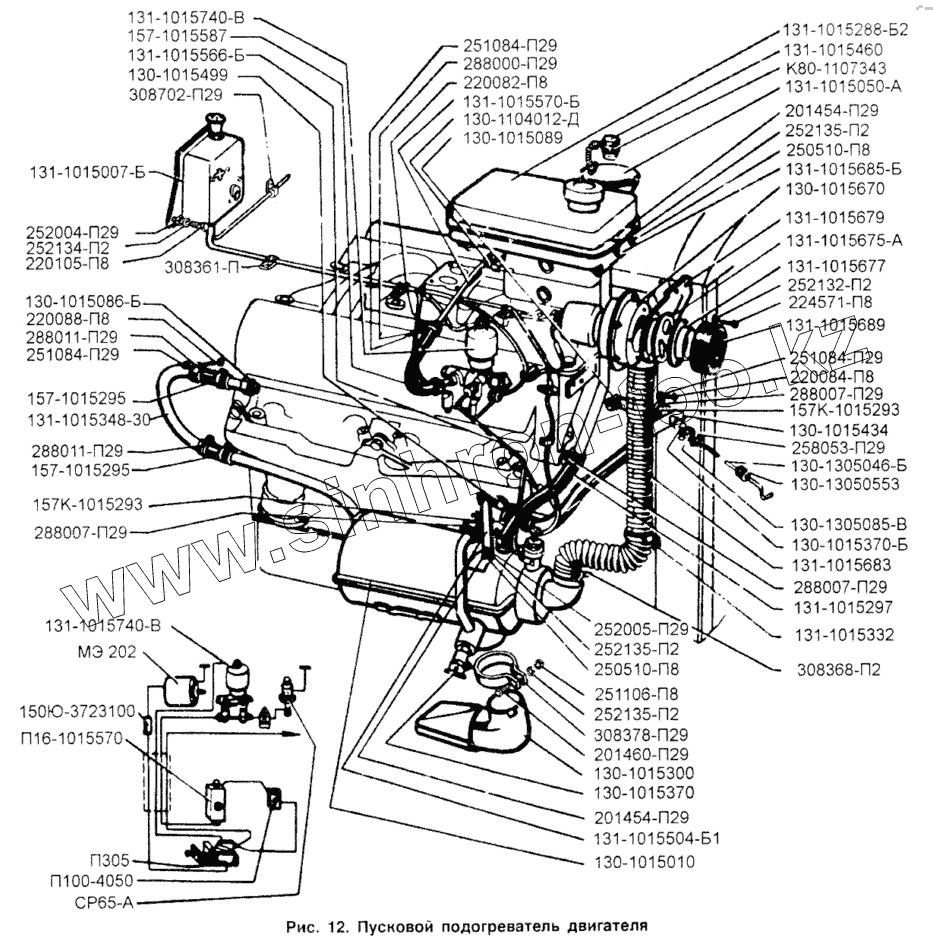
Каталог запасных частей к технике: ЗИЛ-433110. Пусковой подогреватель двигателя
130-1015499
288011-П29
288011-П29
288000-П29
130-1015089
131-1015570-Б
131-1015566-Б
130-1015434
131-1015348-30
131-1015050-А
288007-П29
288007-П29
288007-П29
П16-1015570
150Ю-3723100
308702-П29
308361-П
СР65-А
130-1305046-Б
131-1015675-А
131-1015007-Б
130-1015086-Б
258053-П29
157К-1015293
157К-1015293
157-1015295
157-1015295
157-1015587
131-1015297
131-1015689
131-1015683
К80-1107343
252135-П2
252135-П2
252135-П2
252134-П2
252132-П2
252005-П29
252004-П29
308378-П29
308368-П2
220084-П8
251084-П29
251084-П29
251084-П29
251106-П8
250510-П8
250510-П8
П100-4050
130-1305053
220086-П8
220105-П8
МЭ202
220082-П8
224571-П8
130-1305065-В
130-1015670
201454-П29
201454-П29
201460-П29
130-1015370-Б
131-1015460
П305
131-1015677
130-1015300
131-1015504-Б1
131-1015685-Б
131-1015679
131-1015268-Б2
130-1104012-Д
130-1015370
130-1015010
131-1015740-В
131-1015740-В
131-1015332
| Позиция на иллюстрации | Заводской номер детали | Название детали | |
|---|---|---|---|
| 130-1015499 | 130-1015499 | Тройник в сборе | |
| 288011-П29 | 288011-П29 | Хомут | |
| 288000-П29 | 288000-П29 | Хомут | |
| 130-1015089 | 130-1015089 | Угольник котла подводящий | |
| 131-1015570-Б | 131-1015570-Б | Трубка топливного бачка отводящая в сборе | |
| 131-1015566-Б | 131-1015566-Б | Трубка топливная от электромагнитного клапана к котлу | |
| 130-1015434 | 130-1015434 | Трубка котла подводящая в сборе | |
| 131-1015348-30 | 131-1015348-30 | Трубка котла отводящая в сборе | |
| 131-1015050-А | 131-1015050-А | Воронка наливная в сборе | |
| 288007-П29 | 288007-П29 | Хомут | |
| П16-1015570 | П16-1015570 | Спираль контрольная в сборе | |
| 150Ю-3723100 | 150Ю-3723100 | Соединитель проводов в сборе | |
| 308702-П29 | 308702-П29 | Скоба | |
| 308361-П | 308361-П | Скоба | |
| СР65-А | СР65-А | Свеча в сборе | |
| 130-1305046-Б | 130-1305046-Б | Ручка управления краном | |
| 131-1015675-А | 131-1015675-А | Решетка вентилятора предохранительная | |
| 131-1015007-Б | 131-1015007-Б | Пульт управления пусковым подогревателем в сборе | |
| 252155-П2 | 252155-П2 | Шайба пружинная | |
| 130-1015086-Б | 130-1015086-Б | Штуцер котла отводящий | |
| 258053-П29 | 258053-П29 | Шплинт | |
| 157К-1015293 | 157К-1015293 | Шланг соединительный подводящий | |
| 157-1015295 | 157-1015295 | Шланг соединительный отводящий | |
| 157-1015587 | 157-1015587 | Шланг соединительный | |
| 131-1015297 | 131-1015297 | Шланг наливной воронки соединительный | |
| 131-1015689 | 131-1015689 | Шланг вентилятора соединительный | |
| 131-1015683 | 131-1015683 | Шланг | |
| К80-1107343 | К80-1107343 | Прокладка фильтра подачи топлива | |
| 252135-П2 | 252135-П2 | Шайба пружинная | |
| 252134-П2 | 252134-П2 | Шайба пружинная | |
| 252132-П2 | 252132-П2 | Шайба пружинная | |
| 252005-П29 | 252005-П29 | Шайба | |
| 252004-П29 | 252004-П29 | Шайба | |
| 308378-П29 | 308378-П29 | Хомутик | |
| 308368-П2 | 308368-П2 | Хомут | |
| 220084-П8 | 220084-П8 | Винт | |
| 250511-П8 | 250511-П8 | Гайка | |
| 251084-П29 | 251084-П29 | Гайка | |
| 251106-П8 | 251106-П8 | Гайка | |
| 250510-П8 | 250510-П8 | Гайка | |
| П100-4050 | П100-4050 | Выключатель в сборе | |
| 130-1305053 | 130-1305053 | Втулка стержня привода управления краном | |
| 220086-П8 | 220086-П8 | Винт | |
| 220105-П8 | 220105-П8 | Винт | |
| МЭ202 | МЭ202 | Двигатель вентилятора в сборе | |
| 220082-П8 | 220082-П8 | Винт | |
| 224571-П8 | 224571-П8 | Винт | |
| 130-1305065-В | 130-1305065-В | Вилка сливного крана | |
| 130-1015670 | 130-1015670 | Вентилятор в сборе | |
| 201418-П29 | 201418-П29 | Болт | |
| 201454-П29 | 201454-П29 | Болт | |
| 201460-П29 | 201460-П29 | Болт | |
| 130-1015370-Б | 130-1015370-Б | Кран сливной в сборе | |
| 131-1015460 | 131-1015460 | Пробка воронки с цепью в сборе | |
| П305 | П305 | Переключатель в сборе | |
| П100-4060 | П100-4060 | Переключатель | |
| 131-1015677 | 131-1015677 | Патрубок вентилятора | |
| 130-1015300 | 130-1015300 | Лоток в сборе | |
| 131-1015504-Б1 | 131-1015504-Б1 | Кронштейн крепления котла верхний | |
| 131-1015685-Б | 131-1015685-Б | Кронштейн крепления топливного бачка | |
| 131-1015679 | 131-1015679 | Кронштейн крепления вентилятора | |
| 131-1015268-Б2 | 131-1015268-Б2 | Бачок топливный пускового подогревателя в сборе | |
| 130-1104012-Д | 130-1104012-Д | Кран топливного бачка в сборе | |
| 130-1015370 | 130-1015370 | Кран сливной в сборе | |
| 130-1015010 | 130-1015010 | Котел в сборе | |
| П100В-1015412-Б | П100В-1015412-Б | Корпус пульта | |
| 131-1015740-В | 131-1015740-В | Клапан пускового подогревателя электромагнитный в сборе | |
| 131-1015333 | 131-1015333 | Каркас держателя | |
| 131-1015332 | 131-1015332 | Держатель шланга |
Содержащиеся в справочниках-каталогах запасные части и детали не предлагаются к продаже, а носят исключительно информационный характер