Вернуться на главную
Поиск
Каталоги запчастей к технике
Грузовые автомобили и прицепы
ЗИЛ
ЗИЛ-433110
Привод сцепления
Каталог запасных частей к технике: ЗИЛ-433110. Привод сцепления
zoom-in
zoom-out
enlarge
shrink
circle-right
circle-left
file-text2
info
cart
Тип техники
Не выбрано
Легковые автомобили
Грузовые автомобили и прицепы
Автобусы
Сельхозтехника
Спецтехника
Двигатели
Мототехника
Марка
Не выбрано
BAW
DAF
DongFeng
FAW
Foton
HOWO
Hyundai
IVECO
JAC Motors
LGMG
MAN
Shaanxi
SITRAK
Studebaker
Tata
Volvo
Автокомпонент Плюс
БелАЗ
Брянский Арсенал
ГАЗ
ЗИЛ
КАЗ
Камский автозавод
КрАЗ
Мадара
МАЗ
МЗКТ
МоАЗ
Нефтекамский автозавод
Ставропольский Завод АвтоПрицепов
ТАТРА
Тонар
УралАЗ
ЧМЗАП
Модель
Не выбрано
ЗИЛ-130 (1985)
ЗИЛ-131
ЗИЛ-133Г40 (Каталог 2003 года)
ЗИЛ-133ГЯ
ЗИЛ-133Д42 (Каталог 2003 года)
ЗИЛ-431410 (130)
ЗИЛ-431410 Каталог 1989 г. (1989)
ЗИЛ-431416 (1990)
ЗИЛ-43272Н, 43273Н (2004)
ЗИЛ-433100
ЗИЛ-433100 (Каталог 2003 года)
ЗИЛ-433110 (2003)
ЗИЛ-433360 (1995)
ЗИЛ-441517 Каталог 1987 г. (1987)
ЗИЛ-442160 (1995)
ЗИЛ-494560 (1995)
ЗИЛ-5301 (2000)
ЗИЛ-5301 (2006) (2006)
Схема
>
Не выбрано
Кабина
Крепление кабины
Торсион кабины
Амортизатор подвески кабины
Стеклоочиститель
Установка обмыва ветрового стекла
Панели щитка приборов
Вентиляционный люк
Дверь кабины
Стеклоподъемник двери
Замок и ручка двери
Сиденье водителя
Механизм подрессоривания сиденья водителя
Упругодемпфирующий блок сиденья водителя
Двухместное сиденье
Отопитель кабины
Вентилятор отопителя
Зеркала кабины
Противосолнечные козырьки
Спальное место автомобиля ЗИЛ-442160
Оперение автомобиля
Замок оперения
Механизм подъема оперения
Платформа автомобиля ЗИЛ-433360
Платформа автомобиля ЗИЛ-433110
Двигатель и его подвеска
Блок цилиндров двигателя, масляный картер, крышки подшипников коленчатого вала, втулки распределительного вала, картер и крышка сцепления
Головка блока цилиндров, клапаны и толкатели
Поршень, шатун, гильза
Коленчатый вал, распределительный вал, маховик, приводы распределителя и топливного насоса
Патрубок вентиляции картера
Маслоприемник и масляный насос
Установка масляных радиаторов
Центробежный фильтр очистки масла (полнопоточная центрифуга)
Впускной газопровод, вентиляция картера, установка маслоналивного патрубка и фильтр вентиляции картера, установка карбюратора и выпускного патрубка водяной рубашки двигателя
Выпускной газопровод
Схема питания двигателя автомобилей ЗИЛ-433360, ЗИЛ-494560 и ЗИЛ-433110
Схема питания двигателя автомобиля ЗИЛ-442160
Фильтр-отстойник
Фильтр тонкой очистки топлива
Топливный насос Б10
Карбюратор К96
Карбюратор К90
Карбюратор К88АТ
Управление карбюратором
Воздушный фильтр ВМ21
Установка воздушного фильтра
Центробежный датчик ограничителя частоты вращения коленчатого вала
Пусковой подогреватель двигателя
Установка глушителя, впускных и выпускных труб
Система охлаждения двигателя
Установка радиатора системы охлаждения
Жалюзи радиатора
Водяной насос и вентилятор
Усиленное сцепление
Сцепление
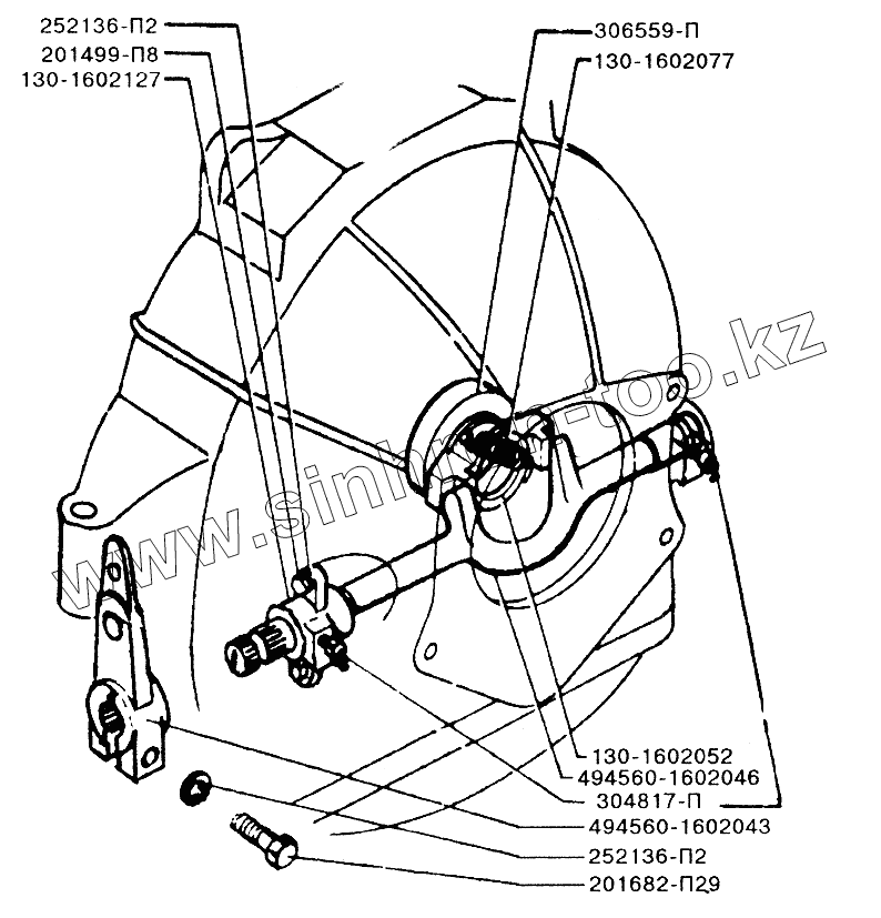
Привод сцепления
Главный цилиндр управления сцеплением
Бачок главного цилиндра управления сцеплением и его установка
Пневмогидравлический усилитель привода управления сцеплением
Педаль и привод управления сцеплением
Установка педалей сцепления и тормоза
Коробка передач
Верхняя крышка и механизм переключения
Клапан с электромагнитом
Карданные валы
Картер, полуоси и дифференциал заднего моста автомобиля с двойной главной передачей
Главная передача заднего моста двойная
Картер заднего моста и полуоси с гипоидной главной передачей
Гипоидная главная передача заднего моста без блокировки дифференциала
Гипоидная главная передача заднего моста с блокировкой дифференциала
Привод блокировки дифференциала
Рама
Тягово-сцепное устройство автомобилей ЗИЛ-433360, ЗИЛ-433110 и ЗИЛ-494560
Передняя подвеска
Амортизатор передней подвески
Задняя подвеска автомобилей ЗИЛ-433360, ЗИЛ-442160 и ЗИЛ-494560
Задняя подвеска автомобиля ЗИЛ-433110
Передняя ось и рулевые тяги
Колесо и шина
Установка запасного колеса автомобиля ЗИЛ-433360 до января 2002г
Кронштейн и установка запасного колеса после января 2002г
Рулевой механизм
Колонка рулевого управления
Карданный вал рулевого управления
Установка рулевого управления, маслопривода и привода насоса гидроусилителя руля
Насос гидроусилителя рулевого управления
Тормоза и ступицы заднего колеса
Рычаг регулировочный и муфта свободного хода
Регулировочный рычаг передних и задних тормозов
Тормоза и ступицы переднего колеса
Пневматическая схема привода тормозных систем с установкой влагомаслоотделителя
Пневматическая схема привода тормозных систем с предохранителем от замерзания автомобилей ЗИЛ-433360, ЗИЛ-442160 и ЗИЛ-494560
Компрессор
Установка компрессора
Регулятор давления воздуха
Установка воздушных баллонов
Установка тормозного крана и трубок
Кран слива конденсата
Двухсекционный тормозной кран
Установка контрольно-предохранительной аппаратуры с влагомаслоотделителем
Установка контрольно-предохранительной аппаратуры с предохранителем против замерзания
Одинарный защитный клапан
Тройной защитный клапан
Клапан контрольного вывода
Ускорительный клапан
Установка ускорительного клапана
Установка трубопроводов передних тормозных камер
Передняя тормозная камера
Установка задних тормозных камер
Тормозная камера с энергоаккумулятором
Установка соединительных головок
Автоматическая соединительная головка
Установка соединительных головок автомобиля ЗИЛ-442160
Установка клапана управления тормозами
Клапан управления тормозами прицепа с двухпроводным приводом
Установка регулятора тормозных сил
Регулятор тормозных сил
Упругий элемент регулятора тормозных сил
Установка тормозного крана с ручным управлением на панели приборов
Установка тормозного крана с ручным управлением на полу кабины
Предохранитель против замерзания
Тормозной кран обратного действия с ручным управлением
Двухмагистральный клапан
Схема электрооборудования
Генератор переменного тока 323701
Установка аккумуляторной батареи
Установка приборов зажигания
Распределитель 463706
Установка стартера
Стартер СТ230К1
Фара, передний фонарь, плафон, фонарь кабины, фонарь указателей поворота и сигнальный фонарь
Задние фонари автомобилей ЗИЛ-433360, ЗИЛ-433110 и ЗИЛ-494560
Переносная и подкапотная лампы
Установка звукового сигнала
Установка предохранителей и реле
Щиток приборов
Установка гибкого вала спидометра
Установка седельного устройства и грязевого настила автомобиля ЗИЛ-442160
Седельно-сцепное устройство автомобиля ЗИЛ-442160
Инструмент
Схема установки подшипников
201499-П8
201682-П29
494560-1602046
304817-П
130-1602052
306559-П
130-1602077
494560-1602043
130-1602127
252136-П2
252136-П2
Позиция на иллюстрации
Заводской номер детали
Название детали
201499-П8
201499-П8
Болт
201682-П29
201682-П29
Болт
494560-1602046
494560-1602046
Вилка выключения сцепления
304817-П
304817-П
Масленка в сборе
130-1602052
130-1602052
Муфта выключения сцепления с подшипником в сборе
306559-П
306559-П
Подшипник
130-1602077
130-1602077
Пружина оттяжная муфты подшипника выключения сцепления
494560-1602043
494560-1602043
Рычаг вилки выключения сцепления в сборе
130-1602127
130-1602127
Фланец вилки
252136-П2
252136-П2
Шайба пружинная
Содержащиеся в справочниках-каталогах запасные части и детали не предлагаются к продаже, а носят исключительно информационный характер
Дополнительная информация
×
Название:
Номер:
Примечание: