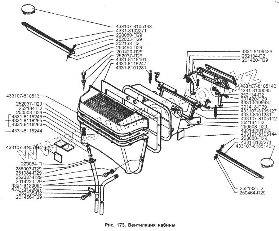
Каталог запасных частей к технике: ЗИЛ-433100. Вентиляция кабины
250508-П29
250508-П29
4331-8120097
201418-П29
201420-П29
201420-П29
201420-П29
201422-П29
201456-П29
220080-П29
220080-П29
220084-П
250464-П29
250464-П29
4331-8120061
251084-П29
252003-П29
252037-П29
252037-П29
252037-П29
252133-П2
252133-П2
252134-П2
252134-П2
252134-П2
252134-П2
252135-П2
288003-П29
4331-8109065
4331-8101281
4331-8101281
4331-8102271
4331-8102271
433107-8105112
433107-8105127
433107-8105131
433107-8105142
433107-8105143
433107-8105143
433107-8105144
433107-8105144
4331-8101250
4331-8109436
4331-8109437
4331-8118101
4331-8118244
4331-8118245
4331-8118247
4331-8118263
4331-8118265
| Позиция на иллюстрации | Заводской номер детали | Название детали | |
|---|---|---|---|
| 250508-П29 | 250508-П29 | Гайка | |
| 4331-8120097 | 4331-8120097 | Скоба | |
| 201418-П29 | 201418-П29 | Болт | |
| 201420-П29 | 201420-П29 | Болт | |
| 201422-П29 | 201422-П29 | Болт | |
| 201456-П29 | 201456-П29 | Болт | |
| 201456-П29 | 201456-П29 | Болт | |
| 220080-П29 | 220080-П29 | Винт | |
| 220084-П | 220084-П | Винт | |
| 250464-П29 | 250464-П29 | Гайка | |
| 4331-8120061 | 4331-8120061 | Трубка сливная | |
| 251084-П29 | 251084-П29 | Гайка | |
| 252003-П29 | 252003-П29 | Шайба | |
| 252037-П29 | 252037-П29 | Шайба | |
| 252038-П29 | 252038-П29 | Шайба | |
| 252133-П2 | 252133-П2 | Шайба пружинная | |
| 252134-П2 | 252134-П2 | Шайба пружинная | |
| 252135-П2 | 252135-П2 | Шайба пружинная | |
| 288003-П29 | 288003-П29 | Хомут | |
| 4594321580 | 4594321580 | Винт | |
| 4331-8109065 | 4331-8109065 | Панель привода | |
| 4331-8101281 | 4331-8101281 | Пружина заслонки | |
| 4331-8102271 | 4331-8102271 | Накладка сопла | |
| 433107-8105112 | 433107-8105112 | Крышка люка | |
| 433107-8105127 | 433107-8105127 | Кронштейн-ограничитель | |
| 433107-8105131 | 433107-8105131 | Козырек водоотражательный | |
| 433107-8105142 | 433107-8105142 | Заглушка отверстия в панели приборов | |
| 433107-8105143 | 433107-8105143 | Заглушка | |
| 433107-8105144 | 433107-8105144 | Заглушка отверстий под шланги отопления | |
| 433107-8105247 | 433107-8105247 | Прокладка | |
| 4331-8101250 | 4331-8101250 | Панель отопителя | |
| 4331-8109436 | 4331-8109436 | Кронштейн привода правый в сборе | |
| 4331-8109437 | 4331-8109437 | Кронштейн привода левый в сборе | |
| 4331-8118101 | 4331-8118101 | Крышка кожуха | |
| 4331-8118244 | 4331-8118244 | Кожух вентилятора в сборе | |
| 4331-8118245 | 4331-8118245 | Кожух | |
| 4331-8118247 | 4331-8118247 | Уплотнитель кожуха | |
| 4331-8118263 | 4331-8118263 | Патрубок кожуха | |
| 4331-8118265 | 4331-8118265 | Втулка патрубка |
Содержащиеся в справочниках-каталогах запасные части и детали не предлагаются к продаже, а носят исключительно информационный характер