Вернуться на главную
Поиск
Каталоги запчастей к технике
Грузовые автомобили и прицепы
ЗИЛ
ЗИЛ-433100
Установка вспомогательного тормоза
Каталог запасных частей к технике: ЗИЛ-433100. Установка вспомогательного тормоза
zoom-in
zoom-out
enlarge
shrink
circle-right
circle-left
file-text2
info
cart
Тип техники
Не выбрано
Легковые автомобили
Грузовые автомобили и прицепы
Автобусы
Сельхозтехника
Спецтехника
Двигатели
Мототехника
Марка
Не выбрано
BAW
DAF
DongFeng
FAW
Foton
HOWO
Hyundai
IVECO
JAC Motors
LGMG
MAN
Shaanxi
SITRAK
Studebaker
Tata
Volvo
Автокомпонент Плюс
БелАЗ
Брянский Арсенал
ГАЗ
ЗИЛ
КАЗ
Камский автозавод
КрАЗ
Мадара
МАЗ
МЗКТ
МоАЗ
Нефтекамский автозавод
Ставропольский Завод АвтоПрицепов
ТАТРА
Тонар
УралАЗ
ЧМЗАП
Модель
Не выбрано
ЗИЛ-130 (1985)
ЗИЛ-131
ЗИЛ-133Г40 (Каталог 2003 года)
ЗИЛ-133ГЯ
ЗИЛ-133Д42 (Каталог 2003 года)
ЗИЛ-431410 (130)
ЗИЛ-431410 Каталог 1989 г. (1989)
ЗИЛ-431416 (1990)
ЗИЛ-43272Н, 43273Н (2004)
ЗИЛ-433100
ЗИЛ-433100 (Каталог 2003 года)
ЗИЛ-433110 (2003)
ЗИЛ-433360 (1995)
ЗИЛ-441517 Каталог 1987 г. (1987)
ЗИЛ-442160 (1995)
ЗИЛ-494560 (1995)
ЗИЛ-5301 (2000)
ЗИЛ-5301 (2006) (2006)
Схема
>
Не выбрано
Кабина без дверей
Крепление кабины
Торсион кабины
Амортизатор подвески кабины
Стеклоочиститель
Установка обмыва ветрового стекла
Панели щитка приборов
Вентиляционный люк
Дверь кабины
Стеклоподъемник двери
Замок и ручка двери
Сиденье водителя
Механизм подрессоривания сиденья водителя
Двухместное сиденье
Отопитель кабины
Вентилятор отопителя
Вентиляция кабины
Жидкостный подогреватель
Зеркало кабины
Противосолнечный козырек
Оперение автомобиля
Замок оперения
Механизм подъема оперения
Платформа автомобиля ЗИЛ-433100
Платформа автомобиля ЗИЛ-133Г40
Платформа автомобиля ЗИЛ-133Г40 с тентом
Подвеска силового агрегата
Блок цилиндров двигателя, гильза цилиндра
Крышка распределительных шестерен
Головка блока цилиндров
Поршень, шатун, коленчатый вал и маховик двигателя
Картер маховика
Распределительный вал, клапаны и толкатели
Впускная труба, соединительный патрубок двигателей
Выпускной коллектор
Масляный картер
Масляный насос, приемник масляного насоса
Редукционный клапан
Масляный фильтр
Установка масляных радиаторов двигателя и гидроусилителя руля
Вентиляция картера двигателя
Установка жидкостного подогревателя
Установка топливной аппаратуры подогревателя
Установка жидкостного насоса и трубопроводов
Установка электрофакельного подогревателя
Центробежный маслоочиститель
Схема питания двигателя
Установка топливоподающей аппаратуры на двигателе
Установка управления радиатором
Привод управления подачей топлива
Фильтр грубой очистки
Установка воздушного фильтра
Топливоподкачивающий насос
Топливоподкачивающий насос низкого давления
Регулятор частоты вращения
Главная пружина регулятора частоты вращения
Рычаг с корректорами регулятора частоты вращения
Рычаги с корректорами регулятора частоты вращения (ТНВД 338.1111005-10, 338.1111005-40)
Топливный насос высокого давления
Корпус топливного насоса высокого давления
Муфта опережения впрыска топлива
Муфта привода ТНВД
Вал привода топливного насоса высокого давления
Форсунка
Форсунка
Фильтр тонкой очистки топлива
Топливный фильтр жидкостного подогревателя
Установка глушителя выхлопа
Система охлаждения двигателя
Установка радиатора системы охлаждения
Сливной краник системы охлаждения
Жалюзи радиатора
Расширительный бачок
Коробка термостатов и отводящий патрубок головки блока цилиндров
Жидкостный насос
Вентилятор и муфта отключения радиатора
Сцепление
Картер сцепления
Педаль и привод управления сцеплением
Установка педалей сцепления и тормоза
Главный цилиндр управления сцеплением
Бачок главного цилиндра управления сцеплением
Пневмогидравлический усилитель привода управлением сцеплением
Картер и крышка коробки передач, картер демультипликатора коробки передач
Шестерни и валы коробки передач
Промежуточный вал и масляный насос коробки передач
Механизм переключения коробки передач
Механизм управления переключением передач
Демультипликатор коробки передач
Механизм переключения демультипликатора коробки передач
Блок клапанов управления демультипликатором (вариант)
Блок клапанов управления демультипликатором (вариант)
Карданные валы автомобиля ЗИЛ-433100
Карданные валы автомобилей ЗИЛ-133
Картер заднего моста и полуоси
Главная передача заднего моста
Главная передача заднего моста автомобилей ЗИЛ-433100 (с блокировкой дифференциала)
Промежуточный мост автомобиля ЗИЛ-133
Привод блокировки дифференциала автомобиля ЗИЛ-433100, ЗИЛ-133Г40 и ЗИЛ-133Д42
Рама автомобиля ЗИЛ-433100
Рама автомобилей ЗИЛ-133Г40 и ЗИЛ-133Д42
Буксирный прибор
Передняя подвеска
Телескопический амортизатор передней подвески
Задняя подвеска автомобиля ЗИЛ-433100
Задняя балансирная подвеска
Упруго-демпфирующий блок
Передняя ось и рулевые тяги
Колесо
Установка запасного колеса на автомобиль ЗИЛ-433100
Установка запасного колеса на автомобиль ЗИЛ-133Г40
Рулевой механизм
Колонка рулевого управления
Карданный вал рулевого управления
Установка рулевого управления, маслопровода и привода насоса гидроусилителя руля
Насос гидроусилителя рулевого управления
Схема пневматического привода тормозных систем автомобиля ЗИЛ-433100
Схема пневматического привода тормозных систем автомобилей ЗИЛ-133Г40 и ЗИЛ-133Д42
Тормозной барабан, тормоза и ступицы передних колес
Тормоза и ступицы задних колес
Рычаг регулировочный и муфта свободного хода
Установка компрессора
Компрессор
Установка воздушных баллонов на автомобиле ЗИЛ-433100
Установка воздушных баллонов на автомобили ЗИЛ-133
Установка тормозного крана и трубок воздушного манометра на автомобиль ЗИЛ-433100
Установка тормозного крана и трубок воздушного манометра на автомобиль ЗИЛ-433
Установка контрольно-предохранительной аппаратуры
Установка ускорительного клапана на автомобиле ЗИЛ-433100
Установка трубопроводов передних тормозных камер на автомобиле ЗИЛ-433100
Установка трубопроводов передних тормозных камер на автомобиле ЗИЛ-133
Установка задних тормозных камер на автомобиле ЗИЛ-433100
Установка задних тормозных камер на автомобиле ЗИЛ-133
Установка соединительных головок на автомобиле ЗИЛ-433100
Установка клапана прицепа на автомобиль ЗИЛ-433100
Установка регулятора тормозных сил на автомобиль ЗИЛ-433100
Установка ускорительного клапана и регулятора тормозных сил на автомобилях ЗИЛ-133
Установка тормозной пневмоаппаратуры в кабине автомобиля ЗИЛ-433100
Установка тормозной пневмоаппаратуры в кабине автомобиля ЗИЛ-133
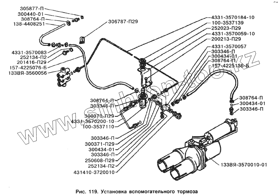
Установка вспомогательного тормоза
Вспомогательный тормоз
Влагомаслоотделитель
Регулятор давления
Кран слива конденсата
Двухсекционный тормозной кран
Защитный клапан
Одинарный защитный клапан
Тройной защитный клапан
Клапан контрольного вывода
Ускорительный клапан
Тормозная камера
Тормозная камера с энергоаккумулятором
Головка соединительная
Клапан управления тормозами прицепа
Регулятор тормозных сил
Упругий элемент регулятора тормозных сил
Тормозной кран обратного действия с ручным управлением
Кран пневматический
Пневматический цилиндр
Двухмагистральный клапан
Клапан обратного действия
Пневматический цилиндр
Схема электрооборудования автомобиля ЗИЛ-433100
Схема электрооборудования автомобилей ЗИЛ-133Г40 и ЗИЛ-133Д42
Установка генератора
Генератор
Установка аккумуляторной батареи
Стартер
Переносная и подкапотная лампы
Установка звукового сигнала
Задние фонари
Установка предохранителей и реле
Схема электрическая предпускового подогревателя
Насос жидкостного подогревателя с электродвигателем в сборе
Щиток приборов
Установка гибкого вала и привода спидометра
Водительский инструмент
Лебедка подъема запасного колеса
Установка подшипников на автомобиль ЗИЛ-433100
Установка подшипников на автомобилях ЗИЛ-133
200213-П29
308764-П
308764-П
308764-П
308764-П
306787-П29
305877-П
303346-П
303346-П
303346-П
303346-П
303346-П
300440-01
300434-01
300434-01
300434-01
300371-П29
300370-П29
252134-П2
252134-П2
252023-П29
250608-П29
201416-П29
100-3537110
138-4408251
157-4225136-Б
157-4225076-Б
431410-3720010
4331-3570200-10
4331-3570184-10
4331-3570083
4331-3570059-10
4331-3570057
133ВЯ-3570010-01
133ВЯ-3560056
100-3537139
Позиция на иллюстрации
Заводской номер детали
Название детали
200213-П29
200213-П29
Болт
485963
485963
Кольцо уплотнительное
308764-П
308764-П
Хомут в сборе
306787-П29
306787-П29
Хомут
305877-П
305877-П
Шайба
303346-П
303346-П
Шайба уплотнительная
300440-01
300440-01
Штуцер
300434-01
300434-01
Штуцер
300371-П29
300371-П29
Штуцер ввертной
300370-П29
300370-П29
Штуцер ввертной
252134-П2
252134-П2
Шайба пружинная
252023-П29
252023-П29
Шайба
250608-П29
250608-П29
Гайка
201416-П29
201416-П29
Болт
100-3537110
100-3537110
Кран пневматический уст. до 1991 г. (с 1991 г. в конструкции отменен)
138-4408251
138-4408251
Шланг подвода воздуха к пневмогидравлическому усилителю
157-4225136-Б
157-4225136-Б
Шланг
157-4225076-Б
157-4225076-Б
Шланг манометра воздуха
431410-3720010
431410-3720010
Выключатель сигналов торможения ММ125Д или 2802.3829 в сборе
4331-3570200-10
4331-3570200-10
Трубка от крана управления вспомогательным тормозом к распределительной коробке в сборе
4331-3570184-10
4331-3570184-10
Трубка от распределительной коробки к крану управления вспомогательным тормозом в сборе
4331-3570083
4331-3570083
Ниппель
4331-3570059-10
4331-3570059-10
Кронштейн
4331-3570057
4331-3570057
Коробка распределительная
133ВЯ-3570010-01
133ВЯ-3570010-01
Тормоз вспомогательный в сборе
133ВЯ-3560056
133ВЯ-3560056
Коробка распределительная
100-3537139
100-3537139
Гайка крепления крана
Содержащиеся в справочниках-каталогах запасные части и детали не предлагаются к продаже, а носят исключительно информационный характер
Дополнительная информация
×
Название:
Номер:
Примечание: