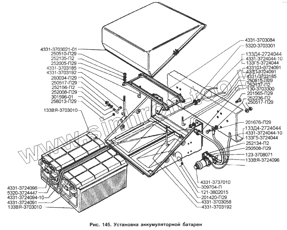
Каталог запасных частей к технике: ЗИЛ-433100. Установка аккумуляторной батареи
252008-П29
121-3802015
201420-П29
201565-П29
201676-П29
250508-П29
250510-П29
250515-П29
250517-П29
250517-П29
252005-П29
4331-3737010
252134-П2
252135-П2
252137-П2
252156-П2
252236-П2
258013-П29
260034-П29
301596-01
309704-П
123-3708071
4331-3703021-01
4331-3703058
4331-3703084
4331-3703185
4331-3703185
4331-3703192
4331-3703192
130-3703300
5320-3703301
133ВЯ-3703010
133ВЯ-3703010
133Г5-3724044
133Г5-3724044
133Д4-3724044
133Д4-3724044
4331-3724044-10
4331-3724044-10
433101-3724091
4331-3724091
4331-3724091
4331-3724094-10
133ВЯ-3724096
4331-3724096
5320-3724447
| Позиция на иллюстрации | Заводской номер детали | Название детали | |
|---|---|---|---|
| 252008-П29 | 252008-П29 | Шайба | |
| 121-3802015 | 121-3802015 | Проволока пломбы спидометра | |
| 201420-П29 | 201420-П29 | Болт | |
| 201565-П29 | 201565-П29 | Болт | |
| 201676-П29 | 201676-П29 | Болт | |
| 250508-П29 | 250508-П29 | Гайка | |
| 250510-П29 | 250510-П29 | Гайка | |
| 250515-П29 | 250515-П29 | Гайка | |
| 250517-П29 | 250517-П29 | Гайка | |
| 252005-П29 | 252005-П29 | Шайба | |
| 4331-3737010 | 4331-3737010 | Выключатель аккумуляторных батарей дистанционный 49.3710 | |
| 252134-П2 | 252134-П2 | Шайба пружинная | |
| 252135-П2 | 252135-П2 | Шайба пружинная | |
| 252137-П2 | 252137-П2 | Шайба пружинная | |
| 252156-П2 | 252156-П2 | Шайба пружинная | |
| 252236-П2 | 252236-П2 | Шайба зубчатая | |
| 258013-П29 | 258013-П29 | Шплинт | |
| 260034-П29 | 260034-П29 | Палец | |
| 301596-01 | 301596-01 | Болт откидной | |
| 309704-П | 309704-П | Пломба | |
| 123-3708071 | 123-3708071 | Колпачок защитный провода | |
| 133ВЯ-3703011 | 133ВЯ-3703011 | Батарея аккумуляторная 6СТ-190ТР сухозаряженная без электролита | |
| 4331-3703021-01 | 4331-3703021-01 | Крышка | |
| 4331-3703042 | 4331-3703042 | Пластина | |
| 4331-3703058 | 4331-3703058 | Гнездо в сборе | |
| 4331-3703084 | 4331-3703084 | Рамка крепления аккумуляторных батарей | |
| 4331-3703185 | 4331-3703185 | Стяжка малая | |
| 4331-3703192 | 4331-3703192 | Стяжка подогревателя | |
| 130-3703300 | 130-3703300 | Втулка проходная щитка кожуха | |
| 5320-3703301 | 5320-3703301 | Втулка | |
| 133ВЯ-3703010 | 133ВЯ-3703010 | Батарея аккумуляторная с электролитом заряженная | |
| 133Г5-3724044 | 133Г5-3724044 | Жгут проводов задний правый | |
| 133Д4-3724044 | 133Д4-3724044 | Жгут проводов задний правый | |
| 4331-3724044-10 | 4331-3724044-10 | Жгут проводов задний правый | |
| 433101-3724091 | 433101-3724091 | Провод аккумуляторная батарея-стартер | |
| 4331-3724091 | 4331-3724091 | Провод аккумуляторная батарея-стартер | |
| 4331-3724094-10 | 4331-3724094-10 | Провод-перемычка между аккумуляторными батареями | |
| 133ВЯ-3724096 | 133ВЯ-3724096 | Провод аккумуляторная батя-рея—выключатель массы | |
| 4331-3724096 | 4331-3724096 | Провод аккумуляторная батарея—выключатель массы | |
| 5320-3724447 | 5320-3724447 | Манжета маркировочная |
Содержащиеся в справочниках-каталогах запасные части и детали не предлагаются к продаже, а носят исключительно информационный характер