Вернуться на главную
Поиск
Каталоги запчастей к технике
Грузовые автомобили и прицепы
ЗИЛ
ЗИЛ-433100
Центробежный маслоочиститель
Каталог запасных частей к технике: ЗИЛ-433100. Центробежный маслоочиститель
zoom-in
zoom-out
enlarge
shrink
circle-right
circle-left
file-text2
info
cart
Тип техники
Не выбрано
Легковые автомобили
Грузовые автомобили и прицепы
Автобусы
Сельхозтехника
Спецтехника
Двигатели
Мототехника
Марка
Не выбрано
BAW
DAF
DongFeng
FAW
Foton
HOWO
Hyundai
IVECO
JAC Motors
LGMG
MAN
Shaanxi
SITRAK
Studebaker
Tata
Volvo
Автокомпонент Плюс
БелАЗ
Брянский Арсенал
ГАЗ
ЗИЛ
КАЗ
Камский автозавод
КрАЗ
Мадара
МАЗ
МЗКТ
МоАЗ
Нефтекамский автозавод
Ставропольский Завод АвтоПрицепов
ТАТРА
Тонар
УралАЗ
ЧМЗАП
Модель
Не выбрано
ЗИЛ-130 (1985)
ЗИЛ-131
ЗИЛ-133Г40 (Каталог 2003 года)
ЗИЛ-133ГЯ
ЗИЛ-133Д42 (Каталог 2003 года)
ЗИЛ-431410 (130)
ЗИЛ-431410 Каталог 1989 г. (1989)
ЗИЛ-431416 (1990)
ЗИЛ-43272Н, 43273Н (2004)
ЗИЛ-433100
ЗИЛ-433100 (Каталог 2003 года)
ЗИЛ-433110 (2003)
ЗИЛ-433360 (1995)
ЗИЛ-441517 Каталог 1987 г. (1987)
ЗИЛ-442160 (1995)
ЗИЛ-494560 (1995)
ЗИЛ-5301 (2000)
ЗИЛ-5301 (2006) (2006)
Схема
>
Не выбрано
Кабина без дверей
Крепление кабины
Торсион кабины
Амортизатор подвески кабины
Стеклоочиститель
Установка обмыва ветрового стекла
Панели щитка приборов
Вентиляционный люк
Дверь кабины
Стеклоподъемник двери
Замок и ручка двери
Сиденье водителя
Механизм подрессоривания сиденья водителя
Двухместное сиденье
Отопитель кабины
Вентилятор отопителя
Вентиляция кабины
Жидкостный подогреватель
Зеркало кабины
Противосолнечный козырек
Оперение автомобиля
Замок оперения
Механизм подъема оперения
Платформа автомобиля ЗИЛ-433100
Платформа автомобиля ЗИЛ-133Г40
Платформа автомобиля ЗИЛ-133Г40 с тентом
Подвеска силового агрегата
Блок цилиндров двигателя, гильза цилиндра
Крышка распределительных шестерен
Головка блока цилиндров
Поршень, шатун, коленчатый вал и маховик двигателя
Картер маховика
Распределительный вал, клапаны и толкатели
Впускная труба, соединительный патрубок двигателей
Выпускной коллектор
Масляный картер
Масляный насос, приемник масляного насоса
Редукционный клапан
Масляный фильтр
Установка масляных радиаторов двигателя и гидроусилителя руля
Вентиляция картера двигателя
Установка жидкостного подогревателя
Установка топливной аппаратуры подогревателя
Установка жидкостного насоса и трубопроводов
Установка электрофакельного подогревателя
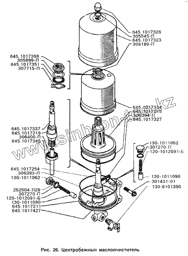
Центробежный маслоочиститель
Схема питания двигателя
Установка топливоподающей аппаратуры на двигателе
Установка управления радиатором
Привод управления подачей топлива
Фильтр грубой очистки
Установка воздушного фильтра
Топливоподкачивающий насос
Топливоподкачивающий насос низкого давления
Регулятор частоты вращения
Главная пружина регулятора частоты вращения
Рычаг с корректорами регулятора частоты вращения
Рычаги с корректорами регулятора частоты вращения (ТНВД 338.1111005-10, 338.1111005-40)
Топливный насос высокого давления
Корпус топливного насоса высокого давления
Муфта опережения впрыска топлива
Муфта привода ТНВД
Вал привода топливного насоса высокого давления
Форсунка
Форсунка
Фильтр тонкой очистки топлива
Топливный фильтр жидкостного подогревателя
Установка глушителя выхлопа
Система охлаждения двигателя
Установка радиатора системы охлаждения
Сливной краник системы охлаждения
Жалюзи радиатора
Расширительный бачок
Коробка термостатов и отводящий патрубок головки блока цилиндров
Жидкостный насос
Вентилятор и муфта отключения радиатора
Сцепление
Картер сцепления
Педаль и привод управления сцеплением
Установка педалей сцепления и тормоза
Главный цилиндр управления сцеплением
Бачок главного цилиндра управления сцеплением
Пневмогидравлический усилитель привода управлением сцеплением
Картер и крышка коробки передач, картер демультипликатора коробки передач
Шестерни и валы коробки передач
Промежуточный вал и масляный насос коробки передач
Механизм переключения коробки передач
Механизм управления переключением передач
Демультипликатор коробки передач
Механизм переключения демультипликатора коробки передач
Блок клапанов управления демультипликатором (вариант)
Блок клапанов управления демультипликатором (вариант)
Карданные валы автомобиля ЗИЛ-433100
Карданные валы автомобилей ЗИЛ-133
Картер заднего моста и полуоси
Главная передача заднего моста
Главная передача заднего моста автомобилей ЗИЛ-433100 (с блокировкой дифференциала)
Промежуточный мост автомобиля ЗИЛ-133
Привод блокировки дифференциала автомобиля ЗИЛ-433100, ЗИЛ-133Г40 и ЗИЛ-133Д42
Рама автомобиля ЗИЛ-433100
Рама автомобилей ЗИЛ-133Г40 и ЗИЛ-133Д42
Буксирный прибор
Передняя подвеска
Телескопический амортизатор передней подвески
Задняя подвеска автомобиля ЗИЛ-433100
Задняя балансирная подвеска
Упруго-демпфирующий блок
Передняя ось и рулевые тяги
Колесо
Установка запасного колеса на автомобиль ЗИЛ-433100
Установка запасного колеса на автомобиль ЗИЛ-133Г40
Рулевой механизм
Колонка рулевого управления
Карданный вал рулевого управления
Установка рулевого управления, маслопровода и привода насоса гидроусилителя руля
Насос гидроусилителя рулевого управления
Схема пневматического привода тормозных систем автомобиля ЗИЛ-433100
Схема пневматического привода тормозных систем автомобилей ЗИЛ-133Г40 и ЗИЛ-133Д42
Тормозной барабан, тормоза и ступицы передних колес
Тормоза и ступицы задних колес
Рычаг регулировочный и муфта свободного хода
Установка компрессора
Компрессор
Установка воздушных баллонов на автомобиле ЗИЛ-433100
Установка воздушных баллонов на автомобили ЗИЛ-133
Установка тормозного крана и трубок воздушного манометра на автомобиль ЗИЛ-433100
Установка тормозного крана и трубок воздушного манометра на автомобиль ЗИЛ-433
Установка контрольно-предохранительной аппаратуры
Установка ускорительного клапана на автомобиле ЗИЛ-433100
Установка трубопроводов передних тормозных камер на автомобиле ЗИЛ-433100
Установка трубопроводов передних тормозных камер на автомобиле ЗИЛ-133
Установка задних тормозных камер на автомобиле ЗИЛ-433100
Установка задних тормозных камер на автомобиле ЗИЛ-133
Установка соединительных головок на автомобиле ЗИЛ-433100
Установка клапана прицепа на автомобиль ЗИЛ-433100
Установка регулятора тормозных сил на автомобиль ЗИЛ-433100
Установка ускорительного клапана и регулятора тормозных сил на автомобилях ЗИЛ-133
Установка тормозной пневмоаппаратуры в кабине автомобиля ЗИЛ-433100
Установка тормозной пневмоаппаратуры в кабине автомобиля ЗИЛ-133
Установка вспомогательного тормоза
Вспомогательный тормоз
Влагомаслоотделитель
Регулятор давления
Кран слива конденсата
Двухсекционный тормозной кран
Защитный клапан
Одинарный защитный клапан
Тройной защитный клапан
Клапан контрольного вывода
Ускорительный клапан
Тормозная камера
Тормозная камера с энергоаккумулятором
Головка соединительная
Клапан управления тормозами прицепа
Регулятор тормозных сил
Упругий элемент регулятора тормозных сил
Тормозной кран обратного действия с ручным управлением
Кран пневматический
Пневматический цилиндр
Двухмагистральный клапан
Клапан обратного действия
Пневматический цилиндр
Схема электрооборудования автомобиля ЗИЛ-433100
Схема электрооборудования автомобилей ЗИЛ-133Г40 и ЗИЛ-133Д42
Установка генератора
Генератор
Установка аккумуляторной батареи
Стартер
Переносная и подкапотная лампы
Установка звукового сигнала
Задние фонари
Установка предохранителей и реле
Схема электрическая предпускового подогревателя
Насос жидкостного подогревателя с электродвигателем в сборе
Щиток приборов
Установка гибкого вала и привода спидометра
Водительский инструмент
Лебедка подъема запасного колеса
Установка подшипников на автомобиль ЗИЛ-433100
Установка подшипников на автомобилях ЗИЛ-133
305899-П
645.1017398
645.1017427
130-8101390
252004-П29
301431-01
305545-П
645.1017351
306393-П
306394-П
306400-П
307270-П
307270-П
307715-П
308180-П
130-1011062
130-1011062
645.1017345
645.1017337
645.1017334
645.1017327
645.1017326
645.1017323
645.1017254
645.1017219
645.1017215
645.1017211
645.1017210
120-1012091-Б
120-1012091-Б
130-1011090
130-1011090
Позиция на иллюстрации
Заводской номер детали
Название детали
305899-П
305899-П
Шайба
645.1017398
645.1017398
Гайка центрифуги
645.1017415
645.1017415
Втулка ротора центробежного маслоочистителя верхняя
645.1017416
645.1017416
Втулка ротора центробежного маслоочнстителя нижняя
645.1017427
645.1017427
Кольцо стопорное
130-8101390
130-8101390
Кран системы отопления в сборе
252004-П29
252004-П29
Шайба
301431-01
301431-01
Болт
305545-П
305545-П
Шайба уплотнительная
645.1017351
645.1017351
Прокладка гайки ротора центробежного маслоочистителя
306281-П
306281-П
Шарик корпуса
306393-П
306393-П
Кольцо уплотнительное центробежного очистите ля
306394-П
306394-П
Кольцо уплотнительное центробежного очистителя
306400-П
306400-П
Подшипник центрифуги 1000906
307270-П
307270-П
Прокладка
307715-П
307715-П
Кольцо стопорное
308180-П
308180-П
Кольцо упорное
130-1011062
130-1011062
Пробка редукционного и перепускного клапанов
645.1017345
645.1017345
Трубка оси центрифуги
645.1017337
645.1017337
Ось центрифуги
645.1017334
645.1017334
Крышка ротора с балансировочным грузиком в сборе
645.1017327
645.1017327
Прокладка корпуса центробежного очистителя
645.1017326
645.1017326
Гайка кожуха
645.1017323
645.1017323
Кожух маслоочистителя
645.1017254
645.1017254
Ось маслоочистителя с втулкой и шарикоподшипником в сборе
645.1017219
645.1017219
Втулка экранирующая
645.1017216
645.1017216
Ротор
645.1017215
645.1017215
Ротор маслоочистителя с втулками в сборе
645.1017213
645.1017213
Корпус маслоочистителя
645.1017211
645.1017211
Корпус маслоочистителя с шариками в сборе
645.1017210
645.1017210
Маслоочиститель центробежный
120-1012091-Б
120-1012091-Б
Пружина сливного клапана
130-1011090
130-1011090
Плунжер клапана центробежного маслоочистителя
Содержащиеся в справочниках-каталогах запасные части и детали не предлагаются к продаже, а носят исключительно информационный характер
Дополнительная информация
×
Название:
Номер:
Примечание: