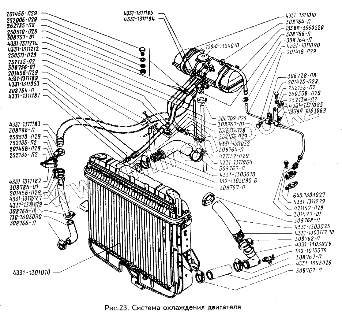
Каталог запасных частей к технике: ЗИЛ-433100. Система охлаждения двигателя
421152-П29
421152-П29
250511-П29
250510-П29
250510-П29
252005-П29
308764-П
308764-П
308764-П
308764-П
201456-П29
201456-П29
201456-П29
4331-1311182
251513-П29
306709-П29
150Ю-1304010
130-1303095-Б
252135-П2
252135-П2
252135-П2
252135-П2
252135-П2
133ВЯ-3560220
201418-П29
201420-П29
252134-П2
250508-П29
645.1303027
4331-1303117-10
130-1015370
4331-1303028
308768-П
308768-П
4331-1303025
4331-1301010
4331-1311053
4331-1311052
4331-1303010
4331-1311189
4331-1311010
4331-1303026
4331-1311212
4331-1311214
201458-П29
130-1303030
4331-1311179
4331-1311227
308786-01
308766-П
308766-П
308766-П
308766-П
| Позиция на иллюстрации | Заводской номер детали | Название детали | |
|---|---|---|---|
| 421152-П29 | 421152-П29 | Штуцер ввертной | |
| 250511-П29 | 250511-П29 | Гайка | |
| 250510-П29 | 250510-П29 | Гайка | |
| 252005-П29 | 252005-П29 | Шайба | |
| 308764-П | 308764-П | Хомут в сборе | |
| 201456-П29 | 201456-П29 | Болт | |
| 4331-1311182 | 4331-1311182 | Скоба крепления перепускной трубы | |
| 251513-П29 | 251513-П29 | Гайка-барашек | |
| 306709-П29 | 306709-П29 | Хомут | |
| 150Ю-1304010 | 150Ю-1304010 | Пробка радиатора в сборе | |
| 130-1303095-Б | 130-1303095-Б | Пружина распорная отводящего шланга | |
| 252135-П2 | 252135-П2 | Шайба пружинная | |
| 133ВЯ-3560220 | 133ВЯ-3560220 | Шланг соединительный | |
| 201418-П29 | 201418-П29 | Болт | |
| 201420-П29 | 201420-П29 | Болт | |
| 252134-П2 | 252134-П2 | Шайба пружинная | |
| 250508-П29 | 250508-П29 | Гайка | |
| 645.1303027 | 645.1303027 | Прокладка отводящего патрубка головки блока цилиндров | |
| 4331-1303117-10 | 4331-1303117-10 | Пружина распорная подводящего шланга | |
| 130-1015370 | 130-1015370 | Кран сливной в сборе | |
| 4331-1303028 | 4331-1303028 | Колено отводящего патрубка радиатора | |
| 308768-П | 308768-П | Хомут | |
| 4331-1303025 | 4331-1303025 | Шланг подводящий | |
| 4331-1302040 | 4331-1302040 | Буфер тяги | |
| 645.1303014 | 645.1303014 | Патрубок отводящий головки блока | |
| 4331-1302037 | 4331-1302037 | Подушка крепления радиатора | |
| 4331-1302060 | 4331-1302060 | Подушка крепления радиатора | |
| 485475 | 485475 | Подшипник муфты отключения вентилятора 6-256805ЕС23 | |
| 4331-1301010 | 4331-1301010 | Радиатор | |
| 4331-1311053 | 4331-1311053 | Шланг отвода жидкости из бачка в радиатор | |
| 4331-1311052 | 4331-1311052 | Шланг отвода жидкости из компрессора в расширительный бачок | |
| 4331-1303010 | 4331-1303010 | Шланг отводящий водяного патрубка | |
| 4331-1311189 | 4331-1311189 | Шланг перепускной | |
| 4331-1311010 | 4331-1311010 | Бачок расширительный системы охлаждения. | |
| 4331-1303026 | 4331-1303026 | Шланг радиатора | |
| 4331-1311212 | 4331-1311212 | Шланг слива жидкости | |
| 4331-1311214 | 4331-1311214 | Шланг пароотводящей трубки | |
| 201458-П29 | 201458-П29 | Болт | |
| 130-1303030 | 130-1303030 | Шланг байпаса соединительный | |
| 4331-1311179 | 4331-1311179 | Труба перепускная | |
| 4331-1311227 | 4331-1311227 | Прокладка хомута | |
| 308786-01 | 308786-01 | Хомут | |
| 308766-П | 308766-П | Хомут червячный в сборе |
Содержащиеся в справочниках-каталогах запасные части и детали не предлагаются к продаже, а носят исключительно информационный характер