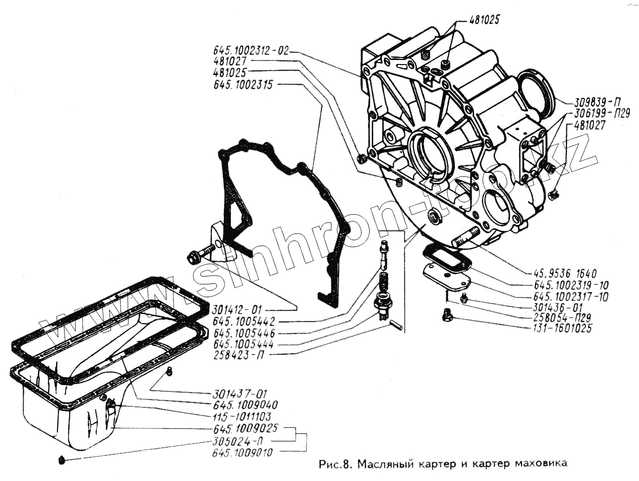
Каталог запасных частей к технике: ЗИЛ-433100. Масляный картер и картер маховика
645.1009010
645.1009040
645.1002315
645.1002312-02
131-1601025
258054-П29
309839-П
305024-П
115-1011103
645.1005444
645.1005446
645.1005442
| Позиция на иллюстрации | Заводской номер детали | Название детали | |
|---|---|---|---|
| 645.1009010 | 645.1009010 | Картер масляный до 1992 г. | |
| 645.1009010-20 | 645.1009010-20 | Картер масляный с 1992 г. | |
| 645.1009040 | 645.1009040 | Прокладка масляного картера | |
| 4331-1015293 | 4331-1015293 | Шланг отводящий 18х580 мм | |
| 645.1014046 | 645.1014046 | Шланг вентиляции картера | |
| 645.1002315 | 645.1002315 | Прокладка картера маховика | |
| 645.1002312-02 | 645.1002312-02 | Картер маховика | |
| 131-1601025 | 131-1601025 | Пробка | |
| 258054-П29 | 258054-П29 | Шплинт | |
| 309839-П | 309839-П | Манжета коленчатого вала задняя | |
| 305024-П | 305024-П | Пробка магнитная | |
| 115-1011103 | 115-1011103 | Угольник | |
| 645.1005444 | 645.1005444 | Корпус фиксатора | |
| 645.1005446 | 645.1005446 | Пружина | |
| 645.1005442 | 645.1005442 | Фиксатор маховика |
Содержащиеся в справочниках-каталогах запасные части и детали не предлагаются к продаже, а носят исключительно информационный характер