Вернуться на главную
Поиск
Каталоги запчастей к технике
Грузовые автомобили и прицепы
ЗИЛ
ЗИЛ-433100
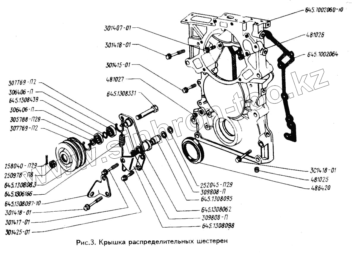
Крышка распределительных шестерен
Каталог запасных частей к технике: ЗИЛ-433100. Крышка распределительных шестерен
zoom-in
zoom-out
enlarge
shrink
circle-right
circle-left
file-text2
info
cart
Тип техники
Не выбрано
Легковые автомобили
Грузовые автомобили и прицепы
Автобусы
Сельхозтехника
Спецтехника
Двигатели
Мототехника
Марка
Не выбрано
BAW
DAF
DongFeng
FAW
Foton
HOWO
Hyundai
IVECO
JAC Motors
LGMG
MAN
Shaanxi
SITRAK
Studebaker
Tata
Volvo
Автокомпонент Плюс
БелАЗ
Брянский Арсенал
ГАЗ
ЗИЛ
КАЗ
Камский автозавод
КрАЗ
Мадара
МАЗ
МЗКТ
МоАЗ
Нефтекамский автозавод
Ставропольский Завод АвтоПрицепов
ТАТРА
Тонар
УралАЗ
ЧМЗАП
Модель
Не выбрано
ЗИЛ-130 (1985)
ЗИЛ-131
ЗИЛ-133Г40 (Каталог 2003 года)
ЗИЛ-133ГЯ
ЗИЛ-133Д42 (Каталог 2003 года)
ЗИЛ-431410 (130)
ЗИЛ-431410 Каталог 1989 г. (1989)
ЗИЛ-431416 (1990)
ЗИЛ-43272Н, 43273Н (2004)
ЗИЛ-433100
ЗИЛ-433100 (Каталог 2003 года)
ЗИЛ-433110 (2003)
ЗИЛ-433360 (1995)
ЗИЛ-441517 Каталог 1987 г. (1987)
ЗИЛ-442160 (1995)
ЗИЛ-494560 (1995)
ЗИЛ-5301 (2000)
ЗИЛ-5301 (2006) (2006)
Схема
>
Не выбрано
Кабина и ее крепление
Стеклоприемник двери
Оперение автомобиля
Замок оперения
Подвеска силового агрегата
Блок цилиндров двигателя, гильза цилиндров
Крышка распределительных шестерен
Головка цилиндров
Поршень, шатун, коленчатый вал и маховик двигателя
Распределительный вал, клапаны и толкатели
Выпускной коллектор
Масляный картер и картер маховика
Масляный насос, приемник масляного насоса
Редукционный клапан и маслянный фильтр
Центробежный маслоочиститель
Система питания двигателя
Установка топливоподающей аппаратуры
Установка воздушного фильтра
Муфта и вал привода топливного насоса высокого давления
Форсунка и фильтр тонкой очистки топлива
Топливоподкачивающий насос низкого давления
Ручной насос прокачки топлива
Регулятор частоты вращения
Топливоподкачивающий насос высокого давления с корректором пусковых подач
Установка глушителя выпуска
Система охлаждения двигателя
Коробка термостата и отводящий патрубок головки цилиндров
Жидкостной насос
Вентилятор и муфта отключения вентилятора
Сцепление
Главный цилиндр управления сцеплением и бачок
Педаль и привод управления сцеплением
Картер и крышка коробки передач, картер демультипликатора
Шестерни и валы коробки передач
Промежуточный вал и масляный насос коробки передач
Механизм переключения коробки передач
Механизм переключения передач
Демультипликатор коробки передач
Механизм переключения демультипликатора коробки передач
Карданные валы
Картер заднего моста и полуоси
Главная передача заднего моста
Рама
Передняя подвеска
Задняя подвеска
Передняя ось и рулевые тяги
Колеса
Рулевой механизм
Насос гидроусилителя рулевого управления
Установка рулевого управления, маслопривода и привода насоса гидроусилителя
Тормоза и ступица переднего колеса
Тормоза и ступица заднего колеса
Компрессор
Схема пневматического привода тормозных систем
Генератор
Стартер
Установка электрофакельного устройства
Схема электрооборудования автомобиля
Схема установки подшипников
486420
306406-П
306406-П
645.1002064
645.1002060-10
307769-П2
307769-П2
252045-П29
250978-П8
258040-П29
Позиция на иллюстрации
Заводской номер детали
Название детали
486420
486420
Манжета переднего конца коленчатого вала и ведущей шестерни заднего моста
306406-П
306406-П
Подшипник шкива натяжного водяного насоса 180502К1С9
645.1002064
645.1002064
Прокладка крышки распределительных шестерён
15.8106.327.01
15.8106.327.01
Пружина тарельчатая
14.8106.325
14.8106.325
Шайба компенсационная
645.1002060-10
645.1002060-10
Крышка распределительных шестерен с 1992 г.
307769-П2
307769-П2
Кольцо стопорное
252045-П29
252045-П29
Шайба
250978-П8
250978-П8
Гайка
258040-П29
258040-П29
Шплинт
Содержащиеся в справочниках-каталогах запасные части и детали не предлагаются к продаже, а носят исключительно информационный характер
Дополнительная информация
×
Название:
Номер:
Примечание: