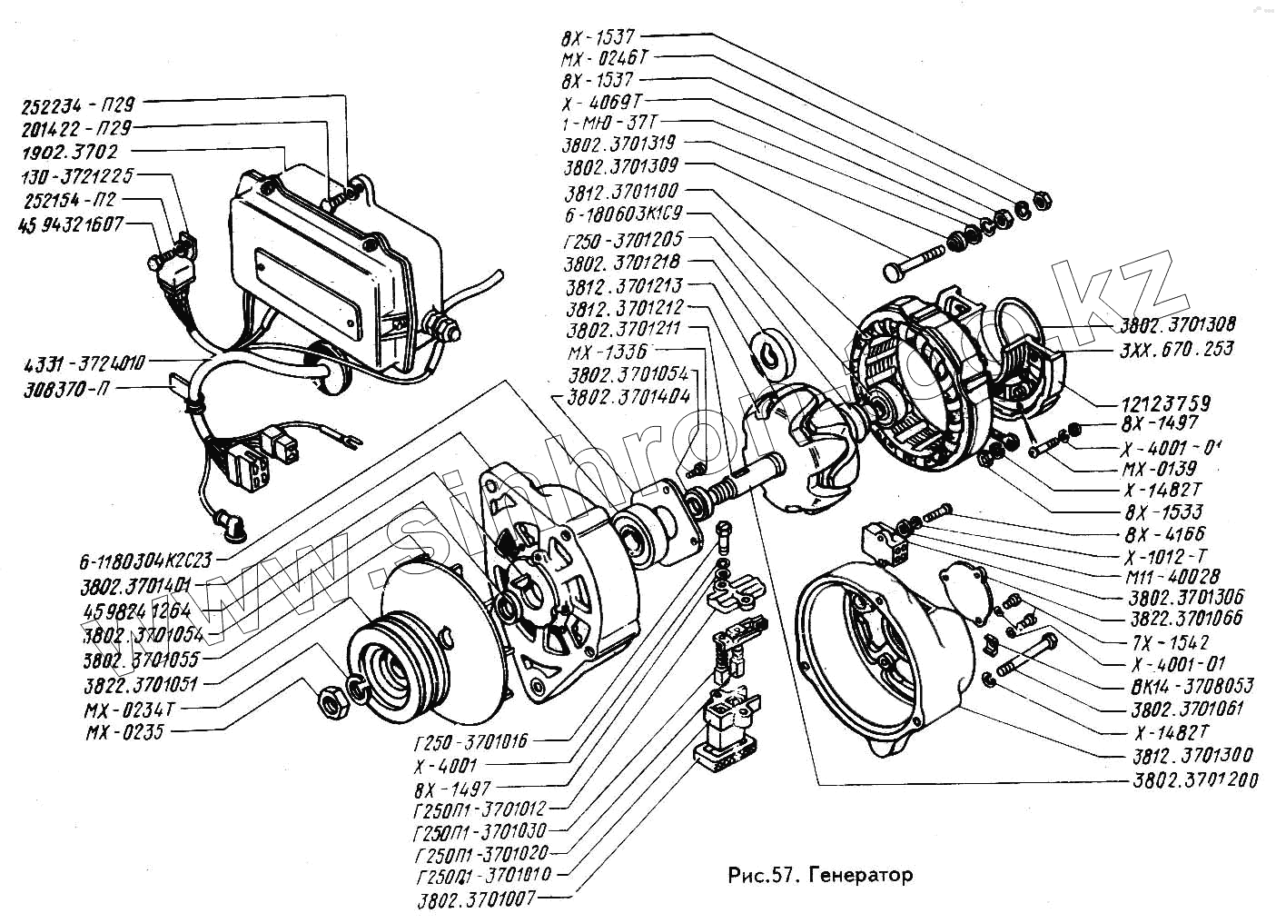
Каталог запасных частей к технике: ЗИЛ-433100. Генератор
Г250-3701205
6-1180304К2С23
4331-3724010
252154-П2
130-3721225
201422-П29
252234-П29
3802.3701404
3802.3701211
3812.3701212
3812.3701213
3802.3701218
3802.3701401
3802.3701308
7Х-1542
3802.3701306
М11-40028
Х-1012-Т
8Х-4166
8Х-1533
Х-1482-Т
Х-1482-Т
МХ-0139
Х-4001-01
Х-4001-01
ВК14-3708053
МХ-0235
3812.3701300
1.902.3702
3802.3701200
3812.3701100
1212.3759
3822.3701051
Г260П 1.3701020
Г250П 1.3701030
Г250П 1.3701010
Г250П1-3701012
3802.3701055
МХ-0234-Т
6-180603К1С9
3802.3701319
1-МЮ-37Т
Х-4069Т
8Х-1537
8Х-1537
8Х-1497
8Х-1497
Х-4001
Г250-3701016
3802.3701054
3802.3701054
| Позиция на иллюстрации | Заводской номер детали | Название детали | |
|---|---|---|---|
| Г250-3701205 | Г250-3701205 | Кольцо контактное в сборе | |
| 6-1180304К2С23 | 6-1180304К2С23 | Подшипник насоса гидроусилителя руля | |
| 4331-3724010 | 4331-3724010 | Жгут проводов средний | |
| 252154-П2 | 252154-П2 | Шайба пружинная | |
| 130-3721225 | 130-3721225 | Реле универсальное 111.3747 | |
| 201422-П29 | 201422-П29 | Болт | |
| 252234-П29 | 252234-П29 | Шайба зубчатая | |
| 3802.3701404 | 3802.3701404 | Шайба специальная | |
| 3802.3701211 | 3802.3701211 | Вал ротора | |
| 3812.3701212 | 3812.3701212 | Наконечник полюсный со стороны привода | |
| 3812.3701213 | 3812.3701213 | Наконечник полюсный со стороны контактных колец | |
| 3802.3701218 | 3802.3701218 | Кольцо защитное | |
| 3802.3701401 | 3802.3701401 | Крышка со стороны привода с втулками в сборе | |
| 3802.3701308 | 3802.3701308 | Втулка | |
| 7Х-1542 | 7Х-1542 | Винт | |
| 3802.3701306 | 3802.3701306 | Колодка | |
| М11-40028 | М11-40028 | Шайба | |
| Х-1012-Т | Х-1012-Т | Шайба пружинная | |
| 8Х-4166 | 8Х-4166 | Винт | |
| 8Х-1533 | 8Х-1533 | Гайка | |
| Х-1482-Т | Х-1482-Т | Шайба пружинная | |
| МХ-0139 | МХ-0139 | Винт крепления выпрямительного блока | |
| Х-4001-01 | Х-4001-01 | Шайба пружинная | |
| ВК14-3708053 | ВК14-3708053 | Скоба | |
| МХ-0235 | МХ-0235 | Гайка | |
| 3812.3701300 | 3812.3701300 | Крышка со стороны кон-тактных колец | |
| 3802.3701400 | 3802.3701400 | Крышка со стороны привода | |
| 1.902.3702 | 1.902.3702 | Регулятор напряжения 4331-3702010 (взамен РР132) | |
| 3802.3701200 | 3802.3701200 | Ротор в сборе | |
| 3812.3701100 | 3812.3701100 | Статор в сборе | |
| 1212.3759 | 1212.3759 | Трансформаторновыпрямительный блок | |
| 3822.3701051 | 3822.3701051 | Шкив | |
| Г260П 1.3701020 | Г260П 1.3701020 | Щетка | |
| Г250П 1.3701030 | Г250П 1.3701030 | Щетка | |
| Г250П 1.3701010 | Г250П 1.3701010 | Щеткодержатель | |
| Г250П1-3701012 | Г250П1-3701012 | Крышка щеткодержателя | |
| 3802.3701055 | 3802.3701055 | Вентилятор | |
| МХ-0234-Т | МХ-0234-Т | Шайба пружинная | |
| 6-180603К1С9 | 6-180603К1С9 | Подшипник | |
| 3802.3701319 | 3802.3701319 | Втулка изоляционная | |
| 1-МЮ-37Т | 1-МЮ-37Т | Шайба | |
| Х-4069Т | Х-4069Т | Шайба гровера | |
| 8Х-1537 | 8Х-1537 | Гайка | |
| 8Х-1497 | 8Х-1497 | Шайба | |
| Х-4001 | Х-4001 | Шайба пружинная | |
| Г250-3701016 | Г250-3701016 | Болт специальный | |
| 3802.3701054 | 3802.3701054 | Втулка |
Содержащиеся в справочниках-каталогах запасные части и детали не предлагаются к продаже, а носят исключительно информационный характер