Вернуться на главную
Поиск
Каталоги запчастей к технике
Грузовые автомобили и прицепы
ЗИЛ
ЗИЛ-43272Н, 43273Н
Установка пневмокомпрессора
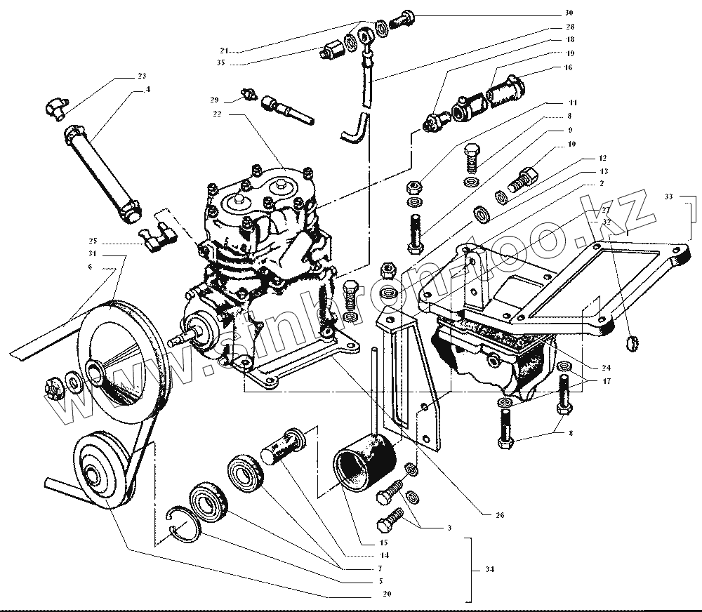
Каталог запасных частей к технике: ЗИЛ-43272Н, 43273Н. Установка пневмокомпрессора
zoom-in
zoom-out
enlarge
shrink
circle-right
circle-left
file-text2
info
cart
Тип техники
Не выбрано
Легковые автомобили
Грузовые автомобили и прицепы
Автобусы
Сельхозтехника
Спецтехника
Двигатели
Мототехника
Марка
Не выбрано
BAW
DAF
DongFeng
FAW
Foton
HOWO
Hyundai
IVECO
JAC Motors
LGMG
MAN
Shaanxi
SITRAK
Studebaker
Tata
Volvo
Автокомпонент Плюс
БелАЗ
Брянский Арсенал
ГАЗ
ЗИЛ
КАЗ
Камский автозавод
КрАЗ
Мадара
МАЗ
МЗКТ
МоАЗ
Нефтекамский автозавод
Ставропольский Завод АвтоПрицепов
ТАТРА
Тонар
УралАЗ
ЧМЗАП
Модель
Не выбрано
ЗИЛ-130 (1985)
ЗИЛ-131
ЗИЛ-133Г40 (Каталог 2003 года)
ЗИЛ-133ГЯ
ЗИЛ-133Д42 (Каталог 2003 года)
ЗИЛ-431410 (130)
ЗИЛ-431410 Каталог 1989 г. (1989)
ЗИЛ-431416 (1990)
ЗИЛ-43272Н, 43273Н (2004)
ЗИЛ-433100
ЗИЛ-433100 (Каталог 2003 года)
ЗИЛ-433110 (2003)
ЗИЛ-433360 (1995)
ЗИЛ-441517 Каталог 1987 г. (1987)
ЗИЛ-442160 (1995)
ЗИЛ-494560 (1995)
ЗИЛ-5301 (2000)
ЗИЛ-5301 (2006) (2006)
Схема
>
Не выбрано
Двигатель и подвеска
Блок цилиндров
Головка блока, клапаны и толкатели
Поршень, коленчатый вал и маховик
Распределительный механизм
Выпускной газопровод
Воздухоподводящий тракт и маслопроводы турбокомпрессора
Насос рулевого усилителя
Установка топливоподающей аппаратуры
Фильтр тонкой очистки топлива
Масляный картер
Масляный насос, приемник масляного насоса
Центробежный маслоочиститель
Установка масляного радиатора двигателя
Установка пускового подогревателя
Установка системы питания подогревателя
Система питания
Фильтр грубой очистки топлива
Установка воздушного фильтра и воздуховодов охладителя наддувочного воздуха
Привод управления подачей топлива
Установка системы выхлопа отработавших газов
Система охлаждения
Расширительный бачок
Термостат
Жидкостной насос и вентилятор
Сцепление
Ведомый диск сцепления
Картер сцепления
Педаль и привод управления сцеплением (до сентября 2006 г)
Педаль и привод управления сцеплением (с сентября 2006 г)
Установка педалей сцепления и тормоза
Главный цилиндр управления сцеплением
Бачок главного цилиндра управления сцеплением
Пневмогидравлический усилитель привода управления сцеплением (до сентября 2006 г)
Пневмогидравлический усилитель привода управления сцеплением (с сентября 2006 г)
Коробка передач
Верхняя крышка и механизм переключения передач
Подвеска и управление раздаточной коробкой
Установка управления раздаточной коробкой с односкоростной коробкой отбора мощности
Раздаточная коробка
Карданные валы
Картер, полуоси и поворотные кулаки переднего ведущего моста и рулевые тяги
Главная передача переднего моста
Картер заднего моста
Главная передача и полуоси заднего моста, дифференциал переднего и заднего мостов
Рама
Установка переднего буфера
Буксирный прибор
Установка бокового ограждения и брызговиков
Передняя подвеска
Телескопический амортизатор передней подвески
Задняя подвеска
Амортизатор задней подвески
Установка запасного колеса на автомобиль ЗИЛ-43272Н
Лебедка держателя запасного колеса
Лебедка держателя запасного колеса
Рулевой механизм
Колонка рулевого управления
Карданный вал рулевого управления
Установка трубопроводов гидроусилителя руля
Бачок насоса гидроусилителя рулевого управления
Схема пневматического привода
Пневмокомпрессор
Установка пневмокомпрессора
Тормозной барабан, тормоза и ступицы передних и задних колес
Установка воздушных баллонов
Установка тормозного крана и трубок воздушного манометра
Установка контрольно-предохранительной аппаратуры
Установка регулятора тормозных сил и ускорительного клапана
Установка трубопроводов передних тормозных камер
Установка тормозной пневмо-аппаратуры в кабине
Влагомаслоотделитель
Кран слива конденсата
Регулятор давления
Двухсекционный тормозной кран
Одинарный защитный клапан
Клапан контрольного вывода
Тройной защитный клапан
Ускорительный клапан
Тормозная камера
Тормозная камера с пружинным энергоаккумулятором
Регулятор тормозных сил
Упругий элемент регулятора тормозных сил
Двухмагистральный клапан
Тормозной кран стояночной системы
Электрическая схема расположения приборов и пучков проводов
Установка аккумуляторных батарей
Генератор и его установка
Стартер
Фара, фонари переднего и бокового указателей поворота, плафон и фонарь кабины
Переносная и подкапотная лампы
Установка фонаря заднего хода, противотуманного фонаря и световозвращателей
Установка электрооборудования на платформе
Установка предохранителей и реле
Установка гибкого вала привода спидометра
Щиток приборов автомобиля
Коробка отбора мощности односкоростная
Реверсивная односкоростная коробка отбора мощности (КОМ)
Установка крана управления давлением системы накачки шин
Установка головки подвода воздуха к шинам и кран запора воздуха
Установка системы накачки шин
Установка лебедки
Редуктор лебедки
Карданный вал привода лебедки
Блок лебедки
Кабина (без дверей)
Крепление кабины
Торсион кабины
Амортизатор подвески кабины
Стеклоочиститель
Установка обмыва ветрового стекла
Панели щитка приборов
Вентиляционный люк
Дверь кабины
Стеклоподъемник двери
Замок и ручка двери
Сиденье водителя
Механизм подрессоривания сиденья водителя
Амортизатор сиденья водителя
Сиденье двухместное
Зеркало кабины
Противосолнечные козырьки
Трубопроводы системы отопления
Отопитель
Привод управления отоплением
Воздуховоды отопителя
Вентилятор отопителя
Оперение автомобиля
Замок капота и его привод
Платформа автомобилей ЗИЛ-43272Н и ЗИЛ-43273Н
Схема подшипников
1
2
3
4
5
6
7
8
8
9
10
11
12
13
14
15
16
17
18
19
20
21
22
23
24
25
26
27
28
29
30
31
32
33
34
35
Позиция на иллюстрации
Заводской номер детали
Название детали
1
Д 02-003-А
Заглушка
2
10.01.08кп.019
Шайба
3
М10-6gх20.88.35.019
Болт
4
20х29-545-1,6
Рукав
5
С40
Кольцо
6
1кл.-11х10-1400
Ремень
7
6-180203К1С17
Подшипник
8
М10-6gх30.88.35.019
Болт
9
М10-6gх40.88.35.016
Болт
10
М14-6gх25.88.35.016
Болт
11
М10-6Н.6.019
Гайка
12
14.65Г.06
Шайба
13
14.01.08кп.019
Шайба
14
245-3509502-А
Ось
15
245-3509510
Корпус ролика
16
ХС26-0.19
Хомут стяжной
17
10.65Г.06
Шайба
18
245-1307027
Штуцер
19
20х29-360-1,6
Рукав
20
245-3509501-А
Шкив ролика
21
36-1104788-01
Прокладка
22
4331-3509009
Компрессор
23
265-3509030-А
Штуцер
24
240-3509037-А
Прокладка
25
265-3509040-А
Штуцер
26
245-3509103
Прокладка
27
245-3509410
Стойка
28
240-3509150-01
Маслопровод
29
240-3509232
Штуцер
30
240-3509233
Болт штуцера
31
245-3509300
Шкив
32
245-3509400-А
Кронштейн
33
245-3509420
Кронштейн
34
245-3509500-А
Ролик натяжной
35
245-3509104
Штуцер
Содержащиеся в справочниках-каталогах запасные части и детали не предлагаются к продаже, а носят исключительно информационный характер
Дополнительная информация
×
Название:
Номер:
Примечание: