Каталог запасных частей к технике: ЗИЛ-43272Н, 43273Н. Отопитель
1
1
2
3
3
4
4
4
5
6
7
8
9
10
11
12
13
13
14
14
15
16
16
17
18
18
19
19
20
21
21
22
23
24
25
26
27
28
29
30
31
32
33
34
34
35
36
37
38
39
40
41
41
42
43
43
44
44
45
46
47
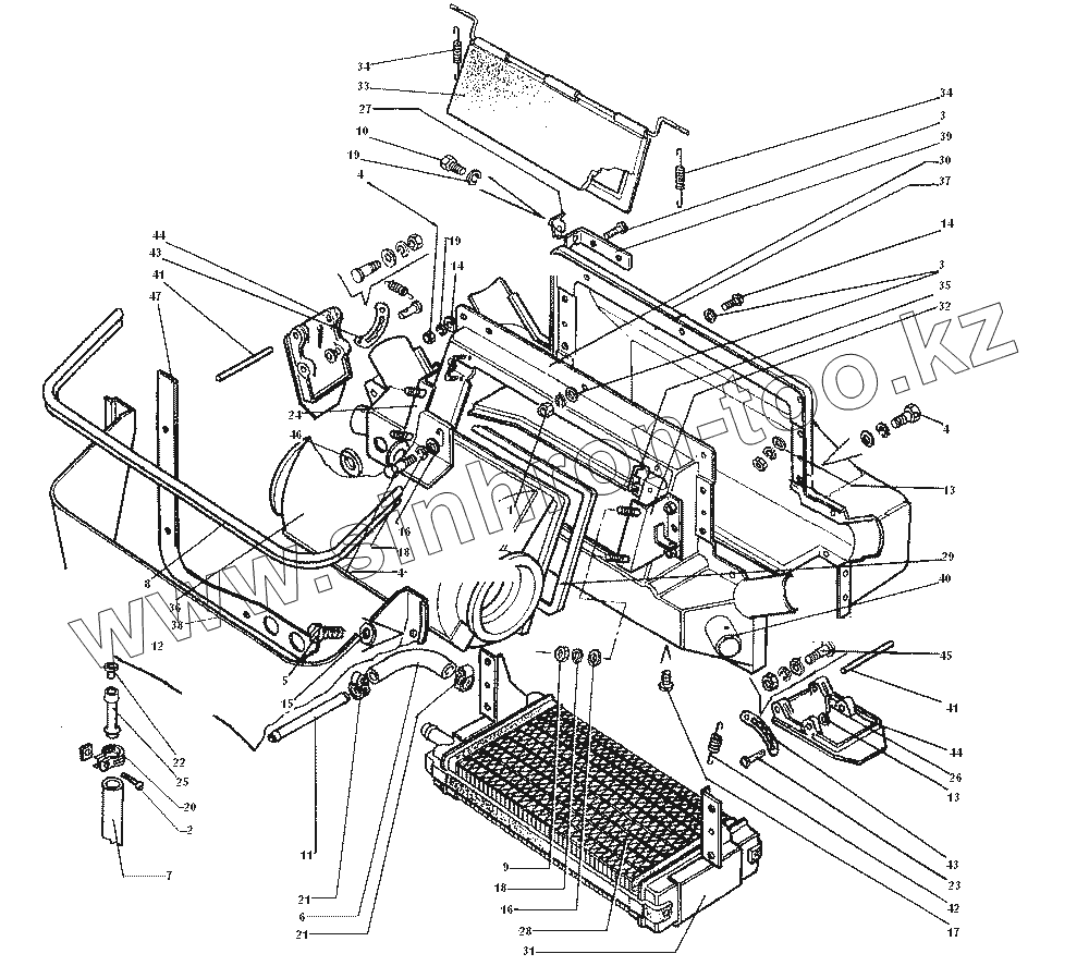
| Позиция на иллюстрации | Заводской номер детали | Название детали | |
|---|---|---|---|
| 5301-8101010 | 5301-8101010 | Отопитель в сборе | |
| 1 | 250464-П29 | Гайка | |
| 2 | 220084-П29 | Винт | |
| 3 | 220080-П29 | Винт | |
| 4 | 201458-П29 | Болт | |
| 5 | 201422-П29 | Болт | |
| 6 | 4331-8120546-10 | Шланг угловой | |
| 7 | 4331-8120061 | Трубка сливная | |
| 8 | 5301-8118292 | Уплотнитель | |
| 9 | 250510-П29 | Гайка | |
| 10 | 301047-П29 | Болт | |
| 11 | 5301-8120522 | Переходник | |
| 12 | 251084-П29 | Гайка | |
| 13 | 252003-П29 | Шайба | |
| 14 | 252036-П29 | Шайба | |
| 15 | 252037-П29 | Шайба | |
| 16 | 252038-П29 | Шайба | |
| 17 | 45 9642 1026 | Винт | |
| 18 | 252135-П2 | Шайба пружинная | |
| 19 | 252133-П2 | Шайба пружинная | |
| 20 | 288003-П29 | Хомут | |
| 21 | 487108 | Хомут | |
| 22 | 4331-8118265 | Втулка патрубка | |
| 23 | 260003-П29 | Палец | |
| 24 | 5301-8101240 | Кронштейн отопителя правый в сборе | |
| 25 | 4331-8118263 | Патрубок кожуха | |
| 26 | 258000-П29 | Шплинт | |
| 27 | 121-1107274 | Зажим троса | |
| 28 | 5301-8101013 | Радиатор в сборе | |
| 29 | 5301-8101123 | Уплотнитель отопителя | |
| 30 | 5301-8101173 | Кожух отопителя передняя половина | |
| 31 | 5301-8101233 | Кронштейн радиатора | |
| 32 | 5301-8101241 | Кронштейн отопителя левый в сборе | |
| 33 | 5301-8101262 | Заслонка свежего воздуха с осью в сборе | |
| 34 | 4331-8101281 | Пружина заслонки | |
| 35 | 5301-8101285 | Накладка оси заслонки | |
| 36 | 5301-8118010 | Вентилятор отопителя в сборе | |
| 37 | 5301-8101174 | Кожух отопителя задняя половина | |
| 38 | 5301-8118244 | Кожух вентилятора с патрубками в сборе | |
| 38 | 5301-8118245 | Кожух вентилятора | |
| 39 | 5301-8101299 | Кронштейн прижима троса | |
| 40 | 131М-8102087 | Патрубок | |
| 41 | 4331-8101907 | Ось заслонки | |
| 42 | 4331-8101905 | Пружина заслонки | |
| 43 | 4331-8101903 | Фиксатор заслонки | |
| 44 | 4331-8101897 | Заслонка отопителя | |
| 45 | 4331-8101887 | Упор заслонки отопителя | |
| 46 | 164-8101353 | Уплотнитель трубки радиатора | |
| 47 | 5301-8118247 | Уплотнитель кожуха |
Содержащиеся в справочниках-каталогах запасные части и детали не предлагаются к продаже, а носят исключительно информационный характер