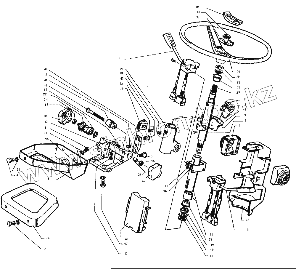
Каталог запасных частей к технике: ЗИЛ-43272Н, 43273Н. Колонка рулевого управления
1
2
2
3
4
4
5
6
7
8
9
10
11
12
13
14
15
15
15
16
17
18
19
20
21
22
23
23
24
25
26
27
27
28
29
30
31
32
33
34
35
36
37
38
39
40
41
42
42
43
44
45
45
46
| Позиция на иллюстрации | Заводской номер детали | Название детали | |
|---|---|---|---|
| 4331-3444010-02 | 4331-3444010-02 | Колонка рулевого управления в сборе | |
| 252132-П2 | 252132-П2 | Шайба пружинная | |
| 4331-3444213 | 4331-3444213 | Уплотнитель | |
| 252135-П2 | 252135-П2 | Шайба пружинная | |
| 1 | 220050-П29 | Винт | |
| 2 | 201678-П29 | Болт | |
| 3 | 201676-П29 | Болт | |
| 4 | 201674-П29 | Болт | |
| 5 | 4331-3444200-10 | Корпус запорного устройства с замком в сборе | |
| 5 | 4331-3444202 | Корпус запорного устройства | |
| 6 | 4331-3709105 | Чехол защитный переключателя | |
| 7 | 4331-3709058-10 | Переключатель стеклоочистителя 9912.3709 | |
| 8 | 4331-3708500-11 | Выключатель стартера | |
| 9 | 53012-3444203 | Хомут запорного устройства | |
| 10 | 303094-П29 | Гайка | |
| 11 | 4331-3709060-10 | Комбинированный переключатель света 1112.3769 | |
| 12 | 220102-П29 | Винт | |
| 13 | 250464-П29 | Гайка | |
| 14 | 489309-06 | Кольцо упорное | |
| 15 | 250517-П29 | Гайка | |
| 16 | 252133-П2 | Шайба пружинная | |
| 17 | 291676-П29 | Болт | |
| 18 | 303105-П29 | Гайка | |
| 19 | 305810-П29 | Шайба стопорная | |
| 20 | 307787-П29 | Кольцо упорное | |
| 21 | 4331-3444015-10 | Корпус колонки | |
| 21 | 4331-3444014-10 | Корпус колонки с кронштейном в сборе | |
| 22 | 4331-3444157 | Кольцо упорное | |
| 23 | 252136-П2 | Шайба пружинная | |
| 24 | 4331-3403012 | Растяжка крепления колонки | |
| 25 | 4331-3444030 | Вал колонки | |
| 26 | 4331-3444086 | Втулка стопорная | |
| 27 | 130-3401120 | Подшипник шариковый в сборе | |
| 28 | 130-3401123 | Кольцо разжимное | |
| 29 | 130-3402015-10 | Колесо рулевое в сборе | |
| 30 | 130-3402061-10 | Крышка рулевого колеса | |
| 31 | 5301-3403009 | Кронштейн крепления колонки | |
| 32 | 4331-3444022-03 | Труба колонки | |
| 33 | 4331-3444041-10 | Кронштейн колонки | |
| 34 | 4331-3444043-10 | Ось колонки | |
| 35 | 4331-3444071-21 | Половина кожуха задняя | |
| 36 | 4331-3444081 | Сектор | |
| 37 | 130-3402067-10 | Держатель верхней крышки | |
| 38 | 4331-3444073 | Стопор колонки | |
| 39 | 4331-3444044 | Обойма уплотнения в сборе | |
| 40 | 4331-3444067 | Половина кожуха передняя | |
| 41 | 4331-3444065-10 | Зажим колонки | |
| 42 | 4331-3444061-10 | Пружина | |
| 43 | 4331-3444059-10 | Стопор | |
| 44 | 4331-3444057-10 | Винт регулировочный колонки | |
| 45 | 4331-3444054-01 | Маховик колонки | |
| 46 | 4331-3444079 | Рейка |
Содержащиеся в справочниках-каталогах запасные части и детали не предлагаются к продаже, а носят исключительно информационный характер