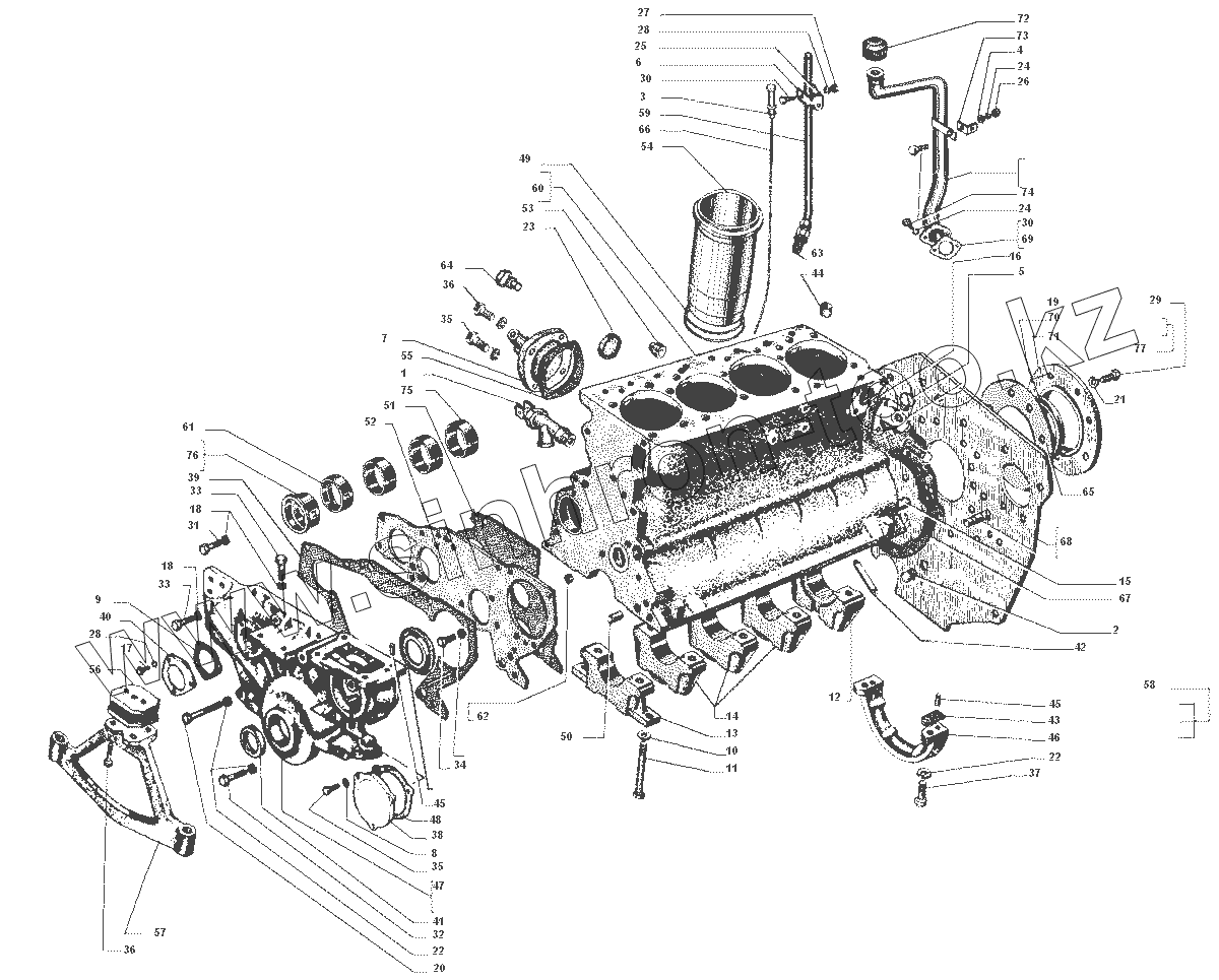
Каталог запасных частей к технике: ЗИЛ-43272Н, 43273Н. Блок цилиндров
1
2
3
4
5
6
7
8
9
10
11
12
13
14
15
16
17
18
18
19
20
21
22
22
23
24
24
25
26
27
28
28
29
30
30
30
31
32
33
33
34
35
35
36
36
37
38
39
40
41
42
43
44
45
45
46
47
48
49
50
51
52
53
54
55
56
57
58
59
60
61
62
63
64
65
66
67
68
69
70
71
72
73
74
75
76
77
| Позиция на иллюстрации | Заводской номер детали | Название детали | |
|---|---|---|---|
| 245-1002060-А-03 | 245-1002060-А-03 | Крышка распределительных шестерен с манжетой в сборе | |
| 245-1002009-Б | 245-1002009-Б | Блок цилиндров с крышками подшипников и втулками в сборе | |
| 1 | 130-1015370-Б | Кран сливной в сборе | |
| 2 | 245-1002331 | Пробка | |
| 3 | 50-4609038 | Кольцо уплотнительное | |
| 4 | 50-1401067 | Шайба | |
| 5 | 1/2 А12.016 | Пробка | |
| 6 | 245-1118052 | Хомут | |
| 7 | 245-1118020 | Крышка | |
| 8 | 50-1022067 | Кольцо уплотнительное | |
| 9 | 50-1021012 | Прокладка | |
| 10 | 50-1005161 | Шайба | |
| 11 | 50-1005159-Б1 | Болт | |
| 12 | 50-1005152-В | Крышка 5-го подшипника | |
| 13 | 50-1005141-Б | Крышка 1-го подшипника | |
| 14 | 50-1005140-Б | Крышка коренного подшипника | |
| 15 | 50-1005019 | Штифт | |
| 16 | 245-1002506 | Прокладка | |
| 17 | М6-6gх16.88.35.019 | Болт | |
| 18 | 10.65Г.06 | Шайба | |
| 19 | 245-1002640 | Фланец подводящий | |
| 20 | М10-6gх75.88.35.019 | Болт | |
| 21 | 120Т.65Г.06 | Шайба | |
| 22 | 12.65Г.06 | Шайба | |
| 23 | 240-1002328 | Заглушка | |
| 24 | 8.65Г.06 | Шайба | |
| 25 | 245-1002327-Б | Планка | |
| 26 | М8-6Н.6.019 | Гайка | |
| 27 | М6-6Н.6.019 | Гайка | |
| 28 | 6.65Г.06 | Шайба | |
| 29 | М12-6gх30.88.35.019 | Болт | |
| 30 | М8-6gх16.88.35.019 | Болт | |
| 31 | М10-6gх60.88.35.019 | Болт | |
| 32 | М10-6gх45.88.35.019 | Болт | |
| 33 | М10-6gх30.88.35.019 | Болт | |
| 34 | М10-6gх20.88.35.019 | Болт | |
| 35 | М8-6gх25.88.35.019 | Болт | |
| 36 | М8-6gх20.88.35.019 | Болт | |
| 37 | М12-6gх35.88.35.019 | Болт | |
| 38 | 245-1002036 | Крышка | |
| 39 | 240-1002064-А | Прокладка | |
| 40 | 240-1002062 | Крышка | |
| 41 | 240-1002055 | Манжета | |
| 42 | 245-1002051-Б1 | Трубка | |
| 43 | 240-1002049 | Прокладка | |
| 44 | 240-1002046 | Штифт | |
| 45 | 240-1002044 | Штифт | |
| 46 | 50-1002042-В | Опора картера | |
| 47 | 240-1002065-А-01 | Крышка шестерен | |
| 48 | 240-1002038 | Прокладка | |
| 49 | 245-1002022-А | Кольцо гильзы | |
| 50 | 50-1002034 | Штифт установочный | |
| 51 | 240-1002033 | Прокладка | |
| 52 | 240-1002030 | Щит | |
| 53 | 50-1002327-А1 | Пробка | |
| 54 | 245-1002021 | Гильза блока цилиндров | |
| 55 | 240-1002444-А | Прокладка | |
| 56 | 240-1001025 | Амортизатор | |
| 57 | 240-1001015-А1 | Опора | |
| 58 | 50-1002040-В | Опора картера в сборе | |
| 59 | 245-1002325 | Трубка | |
| 60 | 240-1002015-А2-01 | Блок цилиндров | |
| 61 | 240-1002067-А | Втулка | |
| 62 | 50-1002326-В | Заглушка | |
| 63 | 245-1002323 | Штуцер | |
| 64 | 50-1002318-Б | Рым | |
| 65 | 50-1002316-А2 | Прокладка | |
| 66 | 245-1002315 | Указатель уровня масла | |
| 67 | 240-1002314 | Прокладка | |
| 68 | 245-1002313-Б-02 | Задний лист | |
| 69 | 240-1002082-А1 | Прокладка | |
| 70 | 240-1002305 | Манжета | |
| 71 | 240-1002300 | Корпус манжеты | |
| 72 | 50-1002290-Б-03 | Крышка | |
| 73 | 245-1002087 | Упор | |
| 74 | 245-1002085-Б1 | Горловина | |
| 75 | 240-1002068-А | Втулка | |
| 76 | 240-1002069-А | Втулка | |
| 77 | 240-1002310 | Манжета в сборе |
Содержащиеся в справочниках-каталогах запасные части и детали не предлагаются к продаже, а носят исключительно информационный характер