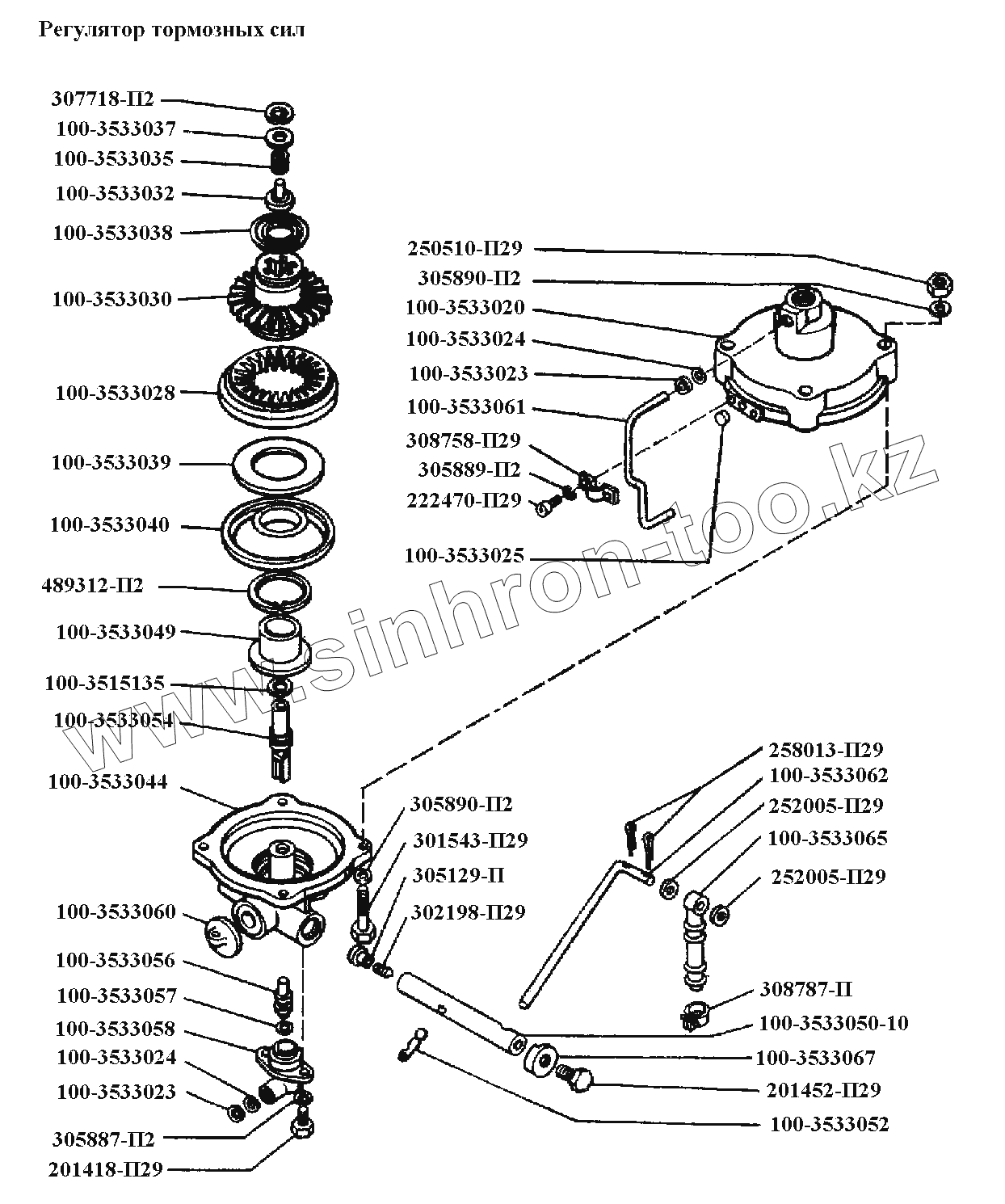
Каталог запасных частей к технике: ЗИЛ-431416. Тормоза\Регулятор тормозных сил
201418-П29
100-3533054
100-3533044
100-3533060
100-3533056
100-3533057
301543-П29
305129-П
302198-П29
100-3533058
305887-П2
100-3515135
100-3533052
201452-П29
100-3533067
100-3533050-10
308787-П
252005-П29
252005-П29
100-3533065
100-3533062
258013-П29
100-3533061
100-3533037
100-3533035
100-3533032
100-3533038
100-3533030
250510-П29
305890-П2
305890-П2
100-3533020
100-3533024
100-3533024
100-3533023
100-3533023
307718-П2
100-3533028
100-3533039
100-3533040
308758-П29
305889-П2
222470-П29
100-3533025
489312-П2
100-3533049
| Позиция на иллюстрации | Заводской номер детали | Название детали | |
|---|---|---|---|
| 201418-П29 | 201418-П29 | Болт | |
| 100-3533054 | 100-3533054 | Толкатель клапана | |
| 100-3533044 | 100-3533044 | Корпус нижний в сборе | |
| 100-3533060 | 100-3533060 | Клапан | |
| 100-3533056 | 100-3533056 | Поршень | |
| 100-3533057 | 100-3533057 | Кольцо | |
| 301543-П29 | 301543-П29 | Болт | |
| 305129-П | 305129-П | Пробка | |
| 302198-П29 | 302198-П29 | Винт | |
| 100-3533058 | 100-3533058 | Колпачок направляющий | |
| 305887-П2 | 305887-П2 | Шайба пружинная | |
| 100-3515135 | 100-3515135 | О-образное кольцо | |
| 100-3533052 | 100-3533052 | Пята шаровая | |
| 201452-П29 | 201452-П29 | Болт | |
| 100-3533067 | 100-3533067 | Колпачок | |
| 100-3533050-10 | 100-3533050-10 | Вал | |
| 308787-П | 308787-П | Хомут в сборе | |
| 252005-П29 | 252005-П29 | Шайба | |
| 100-3533065 | 100-3533065 | Муфта соединительная | |
| 100-3533062 | 100-3533062 | Рычаг | |
| 258013-П29 | 258013-П29 | Шплинт | |
| 100-3533061 | 100-3533061 | Трубка | |
| 100-3533037 | 100-3533037 | Шайба | |
| 100-3533035 | 100-3533035 | Пружина | |
| 100-3533032 | 100-3533032 | Клапан в сборе | |
| 100-3533038 | 100-3533038 | Манжета поршня | |
| 100-3533030 | 100-3533030 | Поршень | |
| 250510-П29 | 250510-П29 | Гайка | |
| 305890-П2 | 305890-П2 | Шайба пружинная специальная | |
| 100-3533020 | 100-3533020 | Корпус верхний регулятора тормозных сил | |
| 100-3533024 | 100-3533024 | О-образное кольцо | |
| 100-3533023 | 100-3533023 | Шайба | |
| 307718-П2 | 307718-П2 | Кольцо упорное | |
| 100-3533028 | 100-3533028 | Вставка | |
| 100-3533039 | 100-3533039 | Шайба | |
| 100-3533040 | 100-3533040 | Мембрана в сборе | |
| 308758-П29 | 308758-П29 | Скоба | |
| 305889-П2 | 305889-П2 | Шайба пружинная | |
| 222470-П29 | 222470-П29 | Винт | |
| 100-3533025 | 100-3533025 | Фильтр | |
| 489312-П2 | 489312-П2 | Кольцо упорное | |
| 100-3533049 | 100-3533049 | Направляющая |
Содержащиеся в справочниках-каталогах запасные части и детали не предлагаются к продаже, а носят исключительно информационный характер