Вернуться на главную
Поиск
Каталоги запчастей к технике
Грузовые автомобили и прицепы
ЗИЛ
ЗИЛ-431416
Сцепление\Педаль и привод выключения сцепления
Каталог запасных частей к технике: ЗИЛ-431416. Сцепление\Педаль и привод выключения сцепления
zoom-in
zoom-out
enlarge
shrink
circle-right
circle-left
file-text2
info
cart
Тип техники
Не выбрано
Легковые автомобили
Грузовые автомобили и прицепы
Автобусы
Сельхозтехника
Спецтехника
Двигатели
Мототехника
Марка
Не выбрано
BAW
DAF
DongFeng
FAW
Foton
HOWO
Hyundai
IVECO
JAC Motors
LGMG
MAN
Shaanxi
SITRAK
Studebaker
Tata
Volvo
Автокомпонент Плюс
БелАЗ
Брянский Арсенал
ГАЗ
ЗИЛ
КАЗ
Камский автозавод
КрАЗ
Мадара
МАЗ
МЗКТ
МоАЗ
Нефтекамский автозавод
Ставропольский Завод АвтоПрицепов
ТАТРА
Тонар
УралАЗ
ЧМЗАП
Модель
Не выбрано
ЗИЛ-130 (1985)
ЗИЛ-131
ЗИЛ-133Г40 (Каталог 2003 года)
ЗИЛ-133ГЯ
ЗИЛ-133Д42 (Каталог 2003 года)
ЗИЛ-431410 (130)
ЗИЛ-431410 Каталог 1989 г. (1989)
ЗИЛ-431416 (1990)
ЗИЛ-43272Н, 43273Н (2004)
ЗИЛ-433100
ЗИЛ-433100 (Каталог 2003 года)
ЗИЛ-433110 (2003)
ЗИЛ-433360 (1995)
ЗИЛ-441517 Каталог 1987 г. (1987)
ЗИЛ-442160 (1995)
ЗИЛ-494560 (1995)
ЗИЛ-5301 (2000)
ЗИЛ-5301 (2006) (2006)
Схема
>
Не выбрано
Общий вид\Автомобили ЗИЛ-441516, ЗИЛ-441517
Общий вид\Автомобили ЗИЛ-431416, ЗИЛ-431417 и ЗИЛ-431917
Общий вид\Автомобили ЗИЛ-431516, ЗИЛ-431517 и ЗИЛ-432317
Двигатель\Двигатель и его подвеска
Двигатель\Блок цилиндров двигателя,
Двигатель\Головка блока цилиндров, клапаны и толкатели
Двигатель\Поршень, шатун, гильза
Двигатель\Вал коленчатый, вал распределительный, маховик, приводы
Двигатель\Газопровод выпускной
Двигатель\Газопровод впускной,
Двигатель\Патрубок вентиляции картера (ЗИЛ-431917 и ЗИЛ-432317)
Двигатель\Маслоприемник и масляный насос
Двигатель\Установка масляных радиаторов
Двигатель\Фильтр очистки масла центробежный (полнопоточная центрифуга)
Двигатель\Подогреватель двигателя пусковой
Система питания\Схема питания двигателя
Система питания\Фильтр-отстойник
Система питания\Фильтр тонкой очистки топлива
Система питания\Насос топливный Б10
Система питания\
Система питания\
Система питания\Управление карбюратором
Система питания\Фильтр воздушный ВМ-21
Система питания\Фильтр воздушный ВПМ-3
Двигатель\Датчик центробежный ограничителя частоты вращения коленчатого вала
Система выпуска газов\Установка глушителя, труб впускных и выпускных
Система охлаждения\Схема охлаждения двигателя
Система охлаждения\Насос водяной и вентилятор
Сцепление\Сцепление
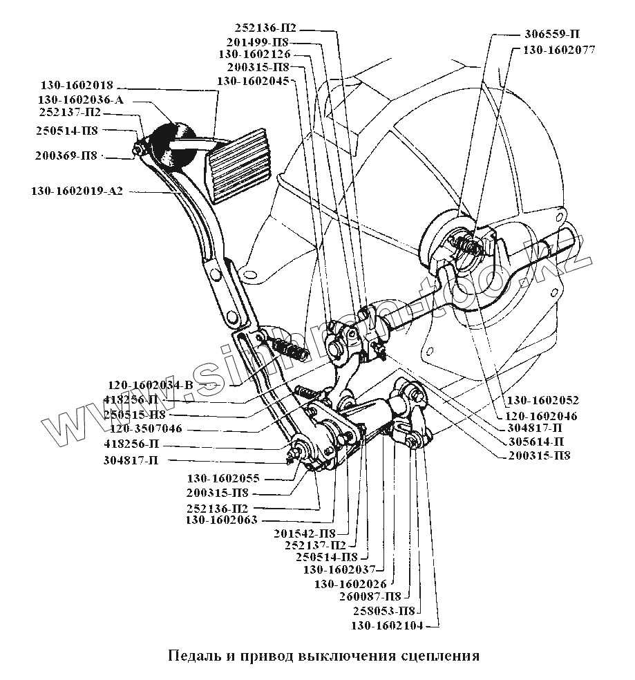
Сцепление\Педаль и привод выключения сцепления
КПП\Коробка передач
КПП\Крышка верхняя и механизм переключения передач
Валы карданные\Валы карданные
Мост задний\Картер, полуоси и дифференциал заднего моста автомобиля с двойной главной передачей
Мост задний\Передача заднего моста двойная главная
Мост задний\Мост задний, картер, полуоси, дифференциал и передача главная одинарная гипоидная
Устройство сцепное\Устройство седельно-сцепное
Устройство сцепное\Тягово-сцепное устройство автомобилей
Рама\Рама
Рама\Рама ЗИЛ-441516 и ЗИЛ-441517
Подвеска\Подвеска передняя
Подвеска\Амортизатор телескопический
Подвеска\Подвеска задняя (для автомобилей с двойной главной передачей)
Подвеска\Подвеска задняя (для автомобилей с гипоидной передачей)
Ось передняя\Ось передняя и тяги рулевые
Колеса и ступицы\Колесо и шина
Колеса и ступицы\Установка запасного колеса
Управление рулевое\Установка рулевого управления
Управление рулевое\Рулевой механизм
Управление рулевое\Колонка и карданный вал рулевого управления
Управление рулевое\Колонка рулевого управления автомобиля без МТП
Управление рулевое\Насос гидроусилителя рулевого управления
Тормоза\Схема пневматического модернизированного тормозного привода (МТП)
Тормоза\Схема пневматической системы автомобиля без МТП
Тормоза\Схема пневматической системы автомобиля без МТП
Тормоза\Тормозной механизм переднего колеса
Тормоза\Тормозной механизм заднего колеса
Тормоза\Установка и привод механизма управления тормозами
Тормоза\Установка и привод тормозного крана автомобиля без МТП
Тормоза\Тормоз стояночный автомобиля и его привод без МТП
Тормоза\Компрессор (для а/м с МТП)
Тормоза\Установка компрессора (для а/м с МТП)
Тормоза\Регулятор давления воздуха
Тормоза\Регулятор давления воздуха автомобиля без МТП
Тормоза\Установка воздушных баллонов автомобиля с МТП
Тормоза\Кран слива конденсата
Тормоза\Кран тормозной двухсекционный с рычагом
Тормоза\Краны тормозные автомобиля без МТП
Тормоза\Установка контрольно-предохранительной аппаратуры
Тормоза\Клапан защитный одинарный
Тормоза\Клапан защитный двойной
Тормоза\Клапан защитный тройной
Тормоза\Клапан контрольного вывода
Тормоза\Установка ускорительного клапана
Тормоза\Клапан ускорительный
Тормоза\Установка трубопроводов передних тормозных камер и клапана ограничения давления
Тормоза\Камера тормозная, тип 16
Тормоза\Установка задних тормозных камер
Тормоза\Камера тормозная с энергоаккумулятором в сборе, тип 24/24
Тормоза\Камеры тормозные автомобиля без МТП
Тормоза\Установка соединительных головок
Тормоза\Установка соединительных головок (ЗИЛ-441516 и ЗИЛ-441517)
Тормоза\Головка соединительная
Тормоза\Головка соединительная автоматическая
Тормоза\Установка клапанов управления тормозами прицепа
Тормоза\Клапан управления тормозами прицепа с двухпроводным приводом
Тормоза\Клапан управления тормозами прицепа с однопроводным приводом
Тормоза\Установка регулятора тормозных сил
Тормоза\Регулятор тормозных сил
Тормоза\Упругий элемент регулятора тормозных сил
Тормоза\Установка тормозной пневмоаппаратуры в кабине автомобиля
Тормоза\Клапан ограничения давления тормозов
Тормоза\Предохранитель против замерзания
Тормоза\Кран тормозной обратного действия с ручным управлением
Тормоза\Кран пневматический
Тормоза\Клапан двухмагистральный
Тормоза\Компрессор (для а/м без МТП)
Тормоза\Установка компрессора (для а/м без МТП)
Электрооборудование\Схема электрооборудования
Электрооборудование\Схема электрооборудования автомобиля без МТП
Электрооборудование\Схема электрооборудования (ЗИЛ-431917 и ЗИЛ-432317)
Электрооборудование\
Электрооборудование\
Электрооборудование\
Электрооборудование\Установка аккумуляторной батареи
Электрооборудование\Установка приборов зажигания
Электрооборудование\Установка приборов зажигания (ЗИЛ- 431917 и ЗИЛ-432317)
Электрооборудование\
Электрооборудование\
Электрооборудование\
Электрооборудование\Фара и плафон кабины
Электрооборудование\Фара противотуманная
Электрооборудование\Фонарь передний, фонари опознавательные и указателей поворота
Электрооборудование\Лампа переносная и подкапотная
Электрооборудование\Фонари задние
Электрооборудование\Сигнал звуковой электрический
Электрооборудование\Сигнал звуковой пневматический автомобиля без МТП
Приборы\Панель приборов
Приборы\Щиток приборов, ящик вещевой, пепельница автомобиля без МТП
Приборы\Установка гибкого вала спидометра
Приборы\Привод спидометра
Приборы\Установка трубопроводов к манометрам воздуха
Кабина\Крепление кабины, стекло заднее, зеркала
Кабина\Кабина (внутренний вид)
Стекло ветровое\Установка стеклоочистителя
Стекло ветровое\Стекло ветрового окна кабины
Двери\Дверь кабины, навески и стекла двери
Двери\Замок, ручки и стеклоподъемник двери
Сиденья\Сиденье водителя и сиденье пассажирское
Вентиляция и отопление\Схема отопления и вентиляции кабины
Оперение\Оперение автомобиля
Оперение\Навеска капота
Оперение\Запор капота
Платформа\Платформа (ЗИЛ-431416, ЗИЛ-431417 и ЗИЛ-431917)
Платформа\Платформа (ЗИЛ-431516, ЗИЛ-431517 и ЗИЛ-432317)
Инструмент и принадлежности\Инструмент шоферский
120-1602046
120-1602034-В
250515-П8
120-3507046
418256-П
418256-П
201542-П8
260087-П8
258053-П8
130-1602055
130-1602063
130-1602037
130-1602026
130-1602104
305614-П
304817-П
304817-П
130-1602018
130-1602052
130-1602077
306559-П
130-1602045
200315-П8
200315-П8
200315-П8
130-1602126
201499-П8
252136-П2
252136-П2
130-1602019-А2
200369-П8
250514-П8
250514-П8
252137-П2
252137-П2
130-1602036-А
Позиция на иллюстрации
Заводской номер детали
Название детали
120-1602046
120-1602046
Вилка выключения сцепления
120-1602034-В
120-1602034-В
Пружина оттяжная педали сцепления и тормоза
250515-П8
250515-П8
Гайка
120-3507046
120-3507046
Гайка тяги сферическая
418256-П
418256-П
Шпонка сегментная
201542-П8
201542-П8
Болт
260087-П8
260087-П8
Палец
258053-П8
258053-П8
Шплинт
130-1602055
130-1602055
Вал педали сцепления
130-1602063
130-1602063
Кронштейн вала педали сцепления с втулками в сборе
130-1602037
130-1602037
Пружина тяги
130-1602026
130-1602026
Тяга выключения сцепления в сборе
130-1602104
130-1602104
Рычаг вала педали сцепления в сборе
305614-П
305614-П
Шайба
304817-П
304817-П
Масленка в сборе
130-1602018
130-1602018
Верхняя часть педали сцепления
130-1602052
130-1602052
Муфта выключения сцепления с подшипником в сборе
130-1602077
130-1602077
Пружина оттяжная муфты подшипника выключения сцепления
306559-П
306559-П
Подшипник
130-1602045
130-1602045
Рычаг вилки выключения сцепления
200315-П8
200315-П8
Болт
130-1602126
130-1602126
Фланец вилки с втулкой в сборе
201499-П8
201499-П8
Болт
252136-П2
252136-П2
Шайба пружинная
130-1602019-А2
130-1602019-А2
Нижняя часть педали сцепления
200369-П8
200369-П8
Болт
250514-П8
250514-П8
Гайка
252137-П2
252137-П2
Шайба пружинная
130-1602036-А
130-1602036-А
Уплотнитель педали сцепления
Содержащиеся в справочниках-каталогах запасные части и детали не предлагаются к продаже, а носят исключительно информационный характер
Дополнительная информация
×
Название:
Номер:
Примечание: