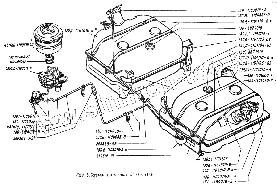
Каталог запасных частей к технике: ЗИЛ-431410 (130). Схема питания двигателя
130Д1-1101206
130-1109236-23
130Д-1101010-Б
300303-П29
130Д-1101104-Б2
130Д-1101105-Б2
130Д-1101105-Б2
130-1104710-Б
130-1104138-В
130-1104050-Г
130Д-1104020-Б
130В1-1104332-В
308369-П8
130-1104039
120-1109049
130-3827010
130-3827010
250512-П8
130Д1-1101008
130Д1-1101010-А
130Д1-1101010-А
130-1101010-Г
130Д-1104085-Б
130Д-1101110-Б
130-1101110-Б
150В-1105010-А
431410-1109010-10
131-1104710-Б
130-1104710-В
130-1103010-Б
130-1103010-Б
130-1103010-Б
130Т-1106010
431410-1107011-10
431410-1107011
431410-1107011
431410-1107011
| Позиция на иллюстрации | Заводской номер детали | Название детали | |
|---|---|---|---|
| 130Д1-1101206 | 130Д1-1101206 | Балка крепления топливного бака с прокладкой в сборе | |
| 130-1109236-23 | 130-1109236-23 | Патрубок крепления фильтра в сборе | |
| 130Д-1101010-Б | 130Д-1101010-Б | Бак топливный | |
| 300303-П29 | 300303-П29 | Штуцер | |
| 130Д-1101104-Б2 | 130Д-1101104-Б2 | Кронштейн крепления топливного бака передний | |
| 130Д-1101105-Б2 | 130Д-1101105-Б2 | Кронштейн крепления топливного бака задний | |
| 130-1104710-Б | 130-1104710-Б | Трубка приемная с фильтром в сборе | |
| 130-1104138-В | 130-1104138-В | Трубка от фильтра-отстойника передняя в сборе | |
| 130-1104050-Г | 130-1104050-Г | Трубка от топливного насоса к фильтру тонкой очистки в сборе | |
| 130Д-1104020-Б | 130Д-1104020-Б | Трубка от топливного бака к фильтру-отстойнику | |
| 130В1-1104332-В | 130В1-1104332-В | Трубка | |
| 308369-П8 | 308369-П8 | Скоба-хомут | |
| 130-1104039 | 130-1104039 | Скоба крепления топливопроводов | |
| 120-1109049 | 120-1109049 | Прокладка всасывающего патрубка | |
| 130-3827010 | 130-3827010 | Датчик указателя уровня топлива типа БМ165-Б | |
| 250512-П8 | 250512-П8 | Гайка | |
| 130Д1-1101008 | 130Д1-1101008 | Бак топливный (на 130В 1 применяемость 2 шт) | |
| 130Д1-1101010-А | 130Д1-1101010-А | Бак топливный в сборе | |
| 130-1101010-Г | 130-1101010-Г | Бак топливный в сборе | |
| 130Д-1104085-Б | 130Д-1104085-Б | Трубка от фильтра-отстойника продольная в сборе | |
| 130Д-1101110-Б | 130Д-1101110-Б | Хомут крепления топливного бака в сборе | |
| 130-1101110-Б | 130-1101110-Б | Хомут крепления топливного бака в сборе | |
| 150В-1105010-А | 150В-1105010-А | Фильтр-отстойник бензина в сборе | |
| 130-1117010-Б | 130-1117010-Б | Фильтр тонкой очистки топлива | |
| 431410-1109010-10 | 431410-1109010-10 | Фильтр воздушный ВМ-21 в сборе | |
| 131-1104710-Б | 131-1104710-Б | Трубка приемная топливного бака с фильтром в сборе | |
| 130-1104710-В | 130-1104710-В | Трубка топливного бака приемная с фильтром в сборе | |
| 130-1016019 | 130-1016019 | Прокладка корпуса привода распределителя зажигания | |
| 130-1103010-Б | 130-1103010-Б | Пробка топливного бака | |
| 130Т-1106010 | 130Т-1106010 | Насос топливный Б-10 | |
| 431410-1107011-10 | 431410-1107011-10 | Карбюратор К90 (с системой ЭПХХ) | |
| 431410-1107011 | 431410-1107011 | Карбюратор К88АТ |
Содержащиеся в справочниках-каталогах запасные части и детали не предлагаются к продаже, а носят исключительно информационный характер